GM Service Manual Online
For 1990-2009 cars only

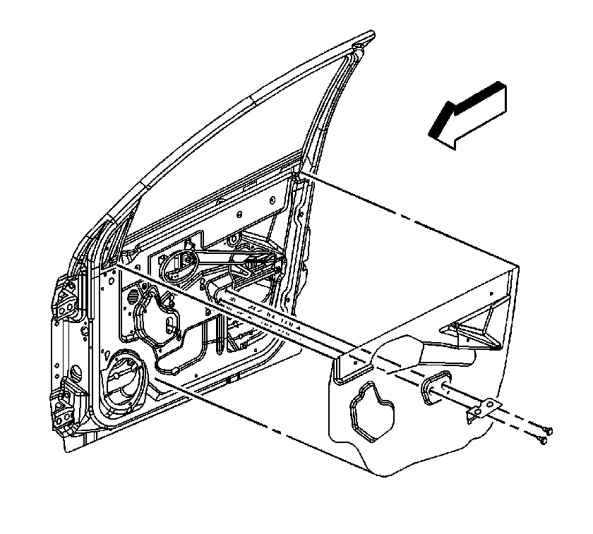
Removal Procedure


    Object Number: 874869  Size: SH
  1. Remove the front door trim panel. Refer to Front Side Door Trim Panel Replacement .
  2. Remove the front door water deflector. Begin at the top, and pull downward.

Installation Procedure


    Object Number: 874869  Size: SH
  1. Insert the lock knob through the hole in the water deflector. Start at the upper corners by the locating holes in the water deflector to the holes in the door inner panel.
  2. Route the electrical connectors through the existing holes in the water deflector.
  3. Secure the outer periphery of the water deflector to the door inner panel. Begin at the bottom center, and work around and upward to the right and the left.
  4. Secure the upper rear piece of the water deflector at the belt.
  5. Install the door panel. Refer to Front Side Door Trim Panel Replacement .