GM Service Manual Online
For 1990-2009 cars only
Makes
🢒
Chevrolet
🢒
2008
🢒
Malibu Classic
🢒
Steering
🢒
Power Steering
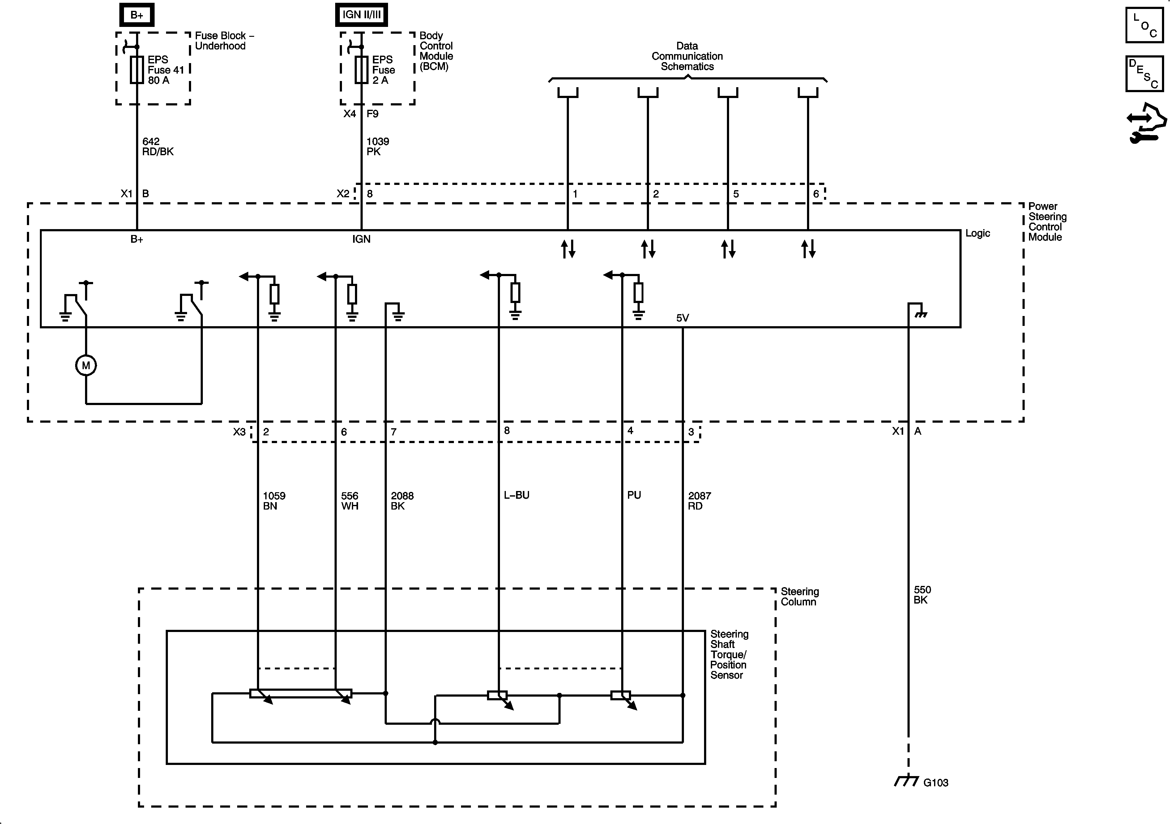
🢒 Power Steering Schematics
Master Electrical Component List
Power Steering System Description and Operation (Hydraulic Power Steering)
Control Module References