GM Service Manual Online
For 1990-2009 cars only
Figure 1:

Power, Ground, Front Speakers, Antenna and References


Object Number: 1891677  Size: FS
Master Electrical Component List
Radio/Audio System Description and Operation
Control Module References
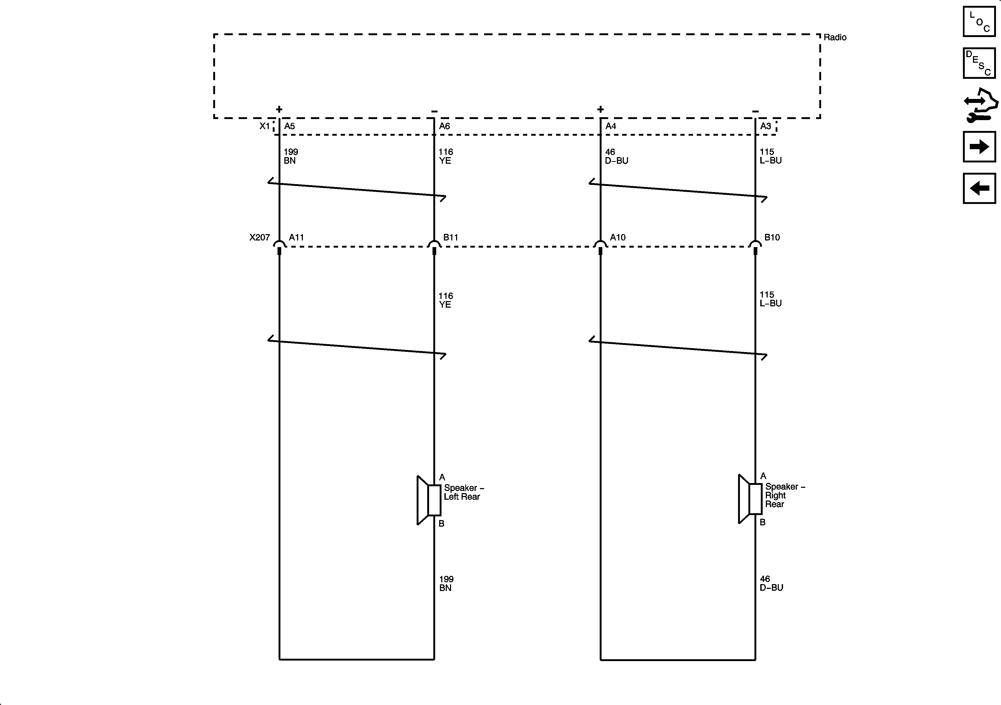
Rear Speakers without UK6, U32 or U2K
Figure 2:

Rear Speakers with out UK6, U32 or U2K


Object Number: 1891679  Size: FS
Master Electrical Component List
Radio/Audio System Description and Operation
Control Module References
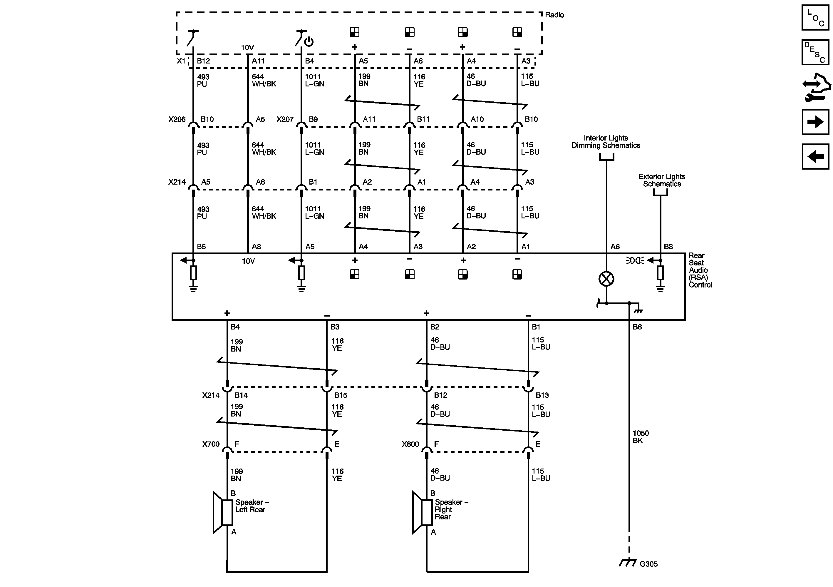
Rear Seat Audio (RSA) Controller
Power, Ground, Front Speakers, Antenna and References
Figure 3:

Rear Seat Audio (RSA) Controller


Object Number: 1891680  Size: FS
Master Electrical Component List
Radio/Audio System Description and Operation
Control Module References
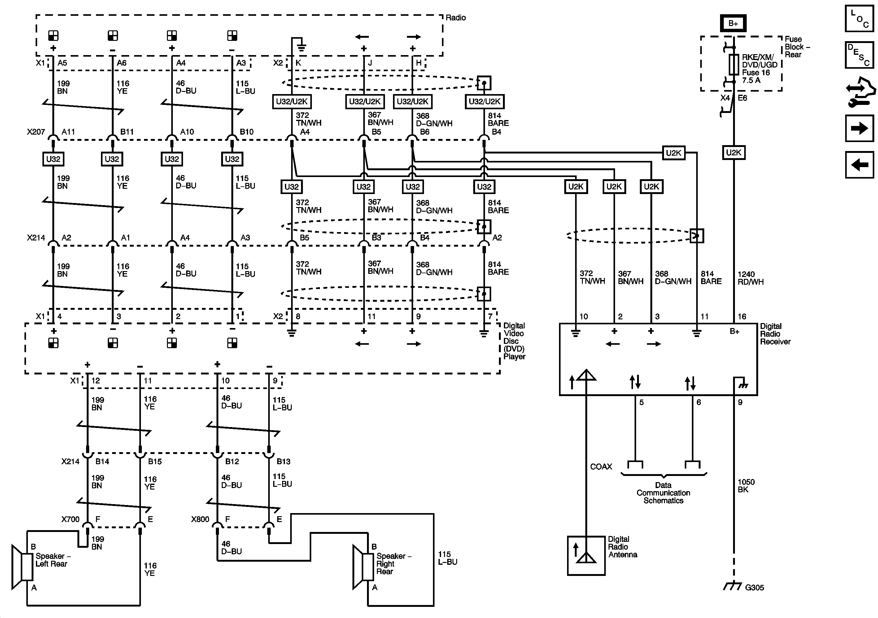
DVD Player and Digital Radio Receiver
Rear Speakers without UK6, U32 or U2K
Figure 4:

DVD Player and Digital Radio Receiver


Object Number: 1891681  Size: FS
Master Electrical Component List
Radio/Audio System Description and Operation
Control Module References
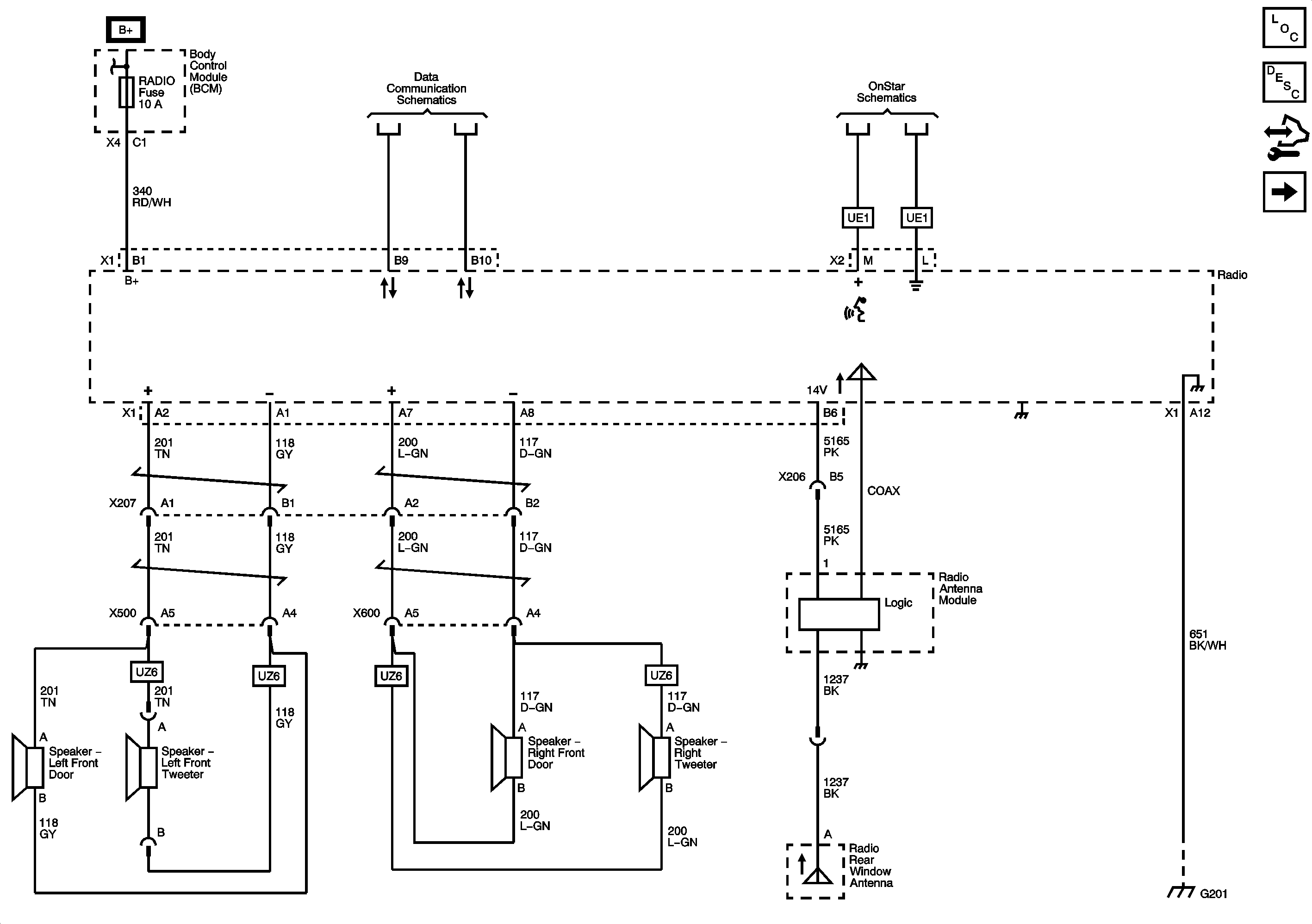
Redundant Radio Controls (4-Spoke)
Rear Seat Audio (RSA) Controller
Figure 5:

Redundant Radio Controls (4-Spoke)


Object Number: 1891685  Size: FS
Master Electrical Component List
Radio/Audio System Description and Operation
Control Module References
DVD Player and Digital Radio Receiver