GM Service Manual Online
For 1990-2009 cars only
Makes
🢒
Chevrolet
🢒
2008
🢒
Malibu Classic
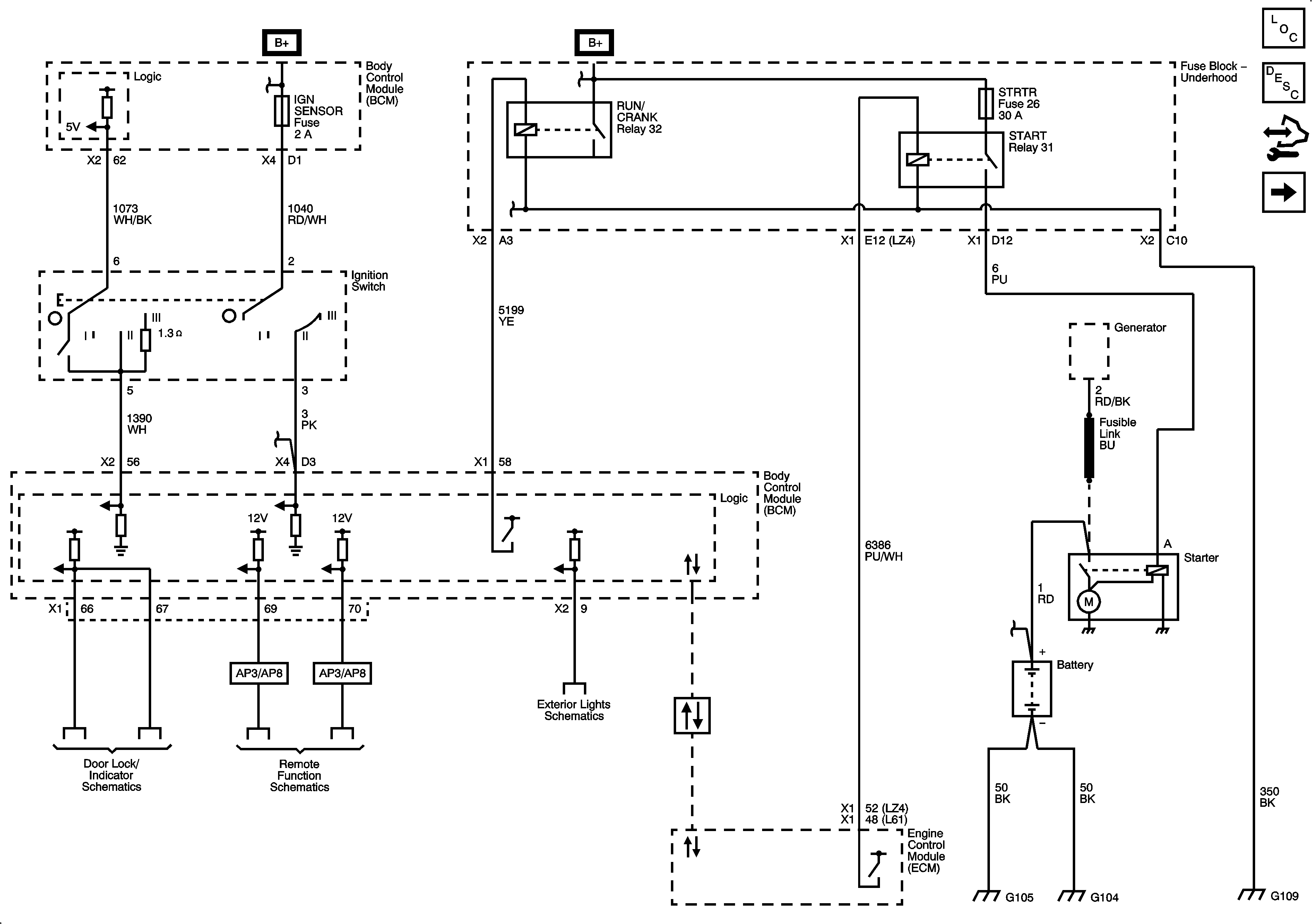
🢒 Starting System
Starting System
Starting System
Master Electrical Component List
Starting System Description and Operation
Control Module References
Starting System