GM Service Manual Online
For 1990-2009 cars only

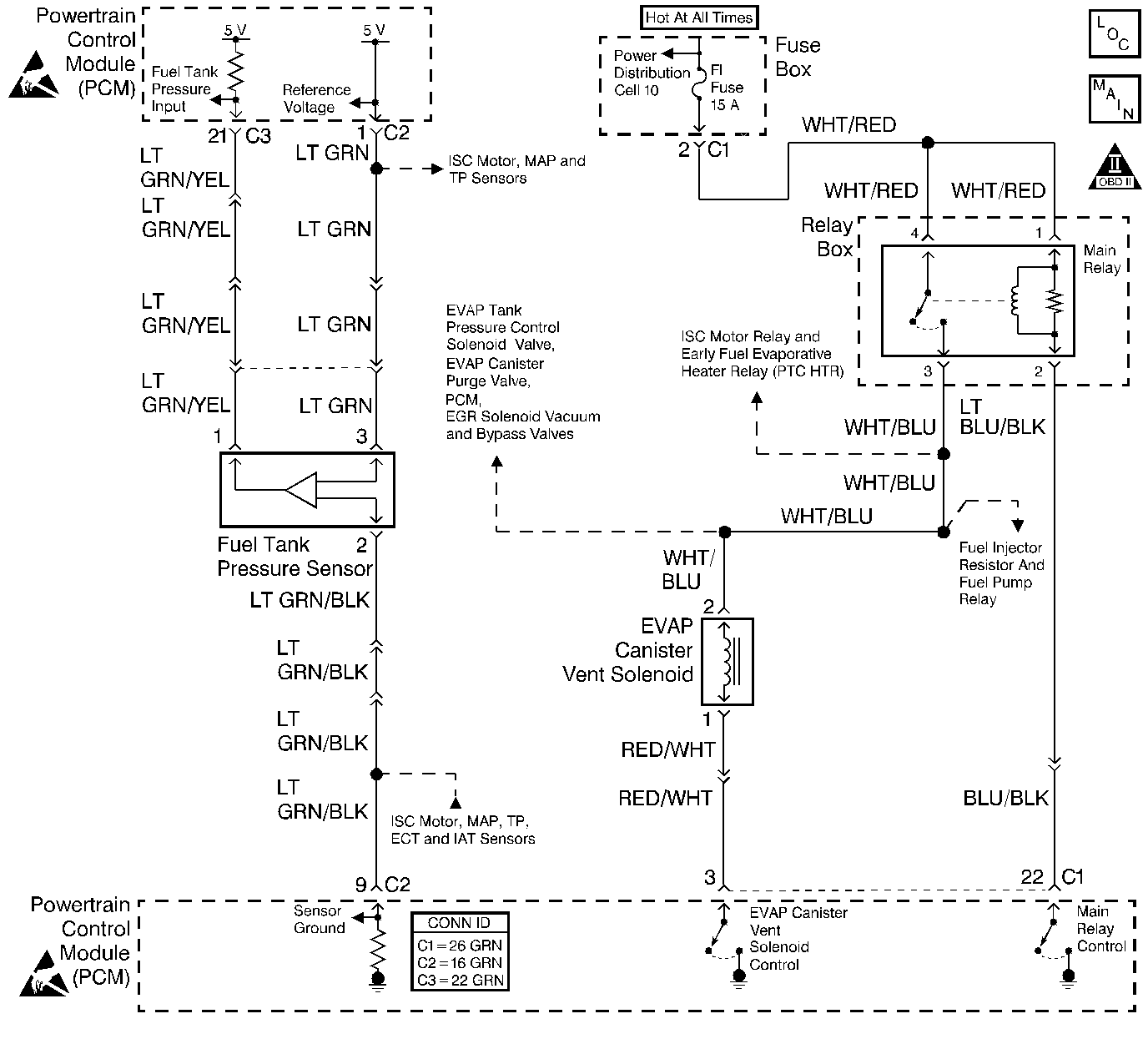
Object Number: 460627  Size: LF
Engine Controls Components
Cell 20: EVAP Controls
OBD II Symbol Description Notice
Handling ESD Sensitive Parts Notice
Handling ESD Sensitive Parts Notice

Circuit Description

The fuel tank pressure sensor responds to changes in fuel tank pressure or vacuum. The fuel tank pressure sensor signal voltage to the PCM varies according to changes in fuel tank pressure. The voltage signal can range from a high of over 4 volts (pressure in the tank) to a low of 0.6 volts (high vacuum condition in the tank) when the vent solenoid is closed.

Conditions for Running the DTC

    • Fuel tank level is between 25 and 75%.
    • Vehicle speed is greater than 15 km/h (10 mph) for 1 minute.

Conditions for Setting the DTC

    • Input range check indicates that the fuel tank pressure sensor voltage is less than 0.5 volts.
    • Input range check indicates that the fuel tank pressure sensor voltage is greater than 4.8 volts.
    • Either of the above conditions are present for 0.5 seconds.

Action Taken When the DTC Sets

    • The PCM illuminates the malfunction indicator lamp (MIL) after two consecutive ignition cycles in which the diagnostic runs with the fault active.
    • The PCM records the operating conditions at the time the diagnostic fails. This information is stored in the Freeze Frame buffer.

Conditions for Clearing the MIL/DTC

    • The MIL turns OFF after three consecutively passing trips without a fault present.
    • A History DTC clears after 40 consecutive warm-up cycles without a fault.
    • Use the scan tool Clear DTC Information function or disconnect the PCM battery feed in order to clear the DTC.

Diagnostic Aids

Check for any of the following conditions:

    • A plugged fuel tank pressure sensor air vent hole. Inspect the fuel tank pressure sensor air vent hole and clean if necessary.
    • When a DTC P0108, P0113, P0118, P0123 and P0450 are set together check for an open ground circuit (LT. GRN/BLK wire).
    • When a DTC P0107, P0122 and P0450 are set together check for an open reference circuit (LT. GRN wire).
    • Road test the vehicle while observing the fuel tank pressure sensor parameter on a scan tool. A momentary reading of -59.0 mm Hg (-31.5 in. H2O) may indicate an intermittent short to ground in the sensor signal circuit while a momentary reading of 60.0-61.5 mm Hg (32-33 in. H2O) may indicate an intermittent open in any of the sensor circuits.
    • A faulty electrical connection at the PCM.

An intermittent malfunction may be caused by a problem in the fuel tank pressure sensor electrical circuits. Inspect the wiring harness and components for any of the following conditions:

    • Backed out terminals.
    • Improper mating of terminals.
    • Broken electrical connector locks.
    • Improperly formed or damaged terminals.
    • Faulty terminal to wire connections.
    • Physical damage to the wiring harness.
    • A broken wire inside the insulation.
    • Corrosion of electrical connections, splices, or terminals.

For additional checks of the EVAP control system components, refer to Evaporative Emission Control System Diagnosis .

If the DTC P0450 cannot be duplicated, the information included in the Freeze Frame data can be useful in determining vehicle operating conditions when the DTC was first set.

Test Description

The numbers below refer to the step numbers in the Diagnostic Table.

  1. The Powertrain OBD System Check prompts the technician to complete some basic checks and store the Freeze Frame data on the scan tool if applicable. This creates an electronic copy of the data taken when the fault occurred. The information is then stored in the scan tool for later reference.

  2. This step determines if a fault is present.

  3. Verifies that the fuel tank pressure sensor accurately reacts to EVAP system pressure changes. This step also checks the sensor signal input circuit.

  4. This step checks the operation of the tank pressure control valve.

  5. This step checks the operation of the tank pressure control valve.

Step

Action

Value(s)

Yes

No

1

Did you perform the Powertrain On-Board Diagnostic (OBD) System Check?

--

Go to Step 2

Go to Powertrain On Board Diagnostic (OBD) System Check

2

  1. Turn OFF the ignition.
  2. Remove the fuel filler cap.
  3. Turn ON the ignition, leaving the engine OFF.
  4. Select the fuel tank pressure sensor parameter on the scan tool.

Did the scan tool display the specified value?

0.0-0.9 mm Hg (0.0-0.5 in. H2O)

Go to Step 11

Go to Step 3

3

  1. Remove the fuel tank. Refer to Fuel Tank Replacement .
  2. Remove the fuel tank pressure sensor from the fuel tank. Refer to Fuel Tank Pressure Sensor Replacement .
  3. Visually inspect the sensor air vent hole and the air pressure inlet passage for clogging.

Was a problem found?

--

Go to Step 13

Go to Step 4

4

  1. Turn ON the ignition, leaving the engine OFF.
  2. Disconnect the fuel tank pressure sensor electrical connector.
  3. Measure the voltage at the fuel tank pressure sensor terminal 3 (harness side), using a DMM

Was the voltage at specified value?

5.0 volts

Go to Step 6

Go to Step 5

5

  1. Check for an open or a short in the 5 volt reference circuit between the fuel tank pressure sensor and the PCM.
  2. Repair as necessary.

Was a repair necessary?

--

Go to Step 18

Go to Step 14

6

Probe terminal 2 of the fuel tank pressure sensor (harness side), using a test lamp connected to B+.

Did the test lamp illuminate?

--

Go to Step 8

Go to Step 7

7

  1. Check for an open in the sensor ground circuit between the fuel tank pressure sensor and the PCM.
  2. Repair as necessary.

Was a repair necessary?

--

Go to Step 18

Go to Step 14

8

  1. Reconnect the fuel tank pressure sensor electrical connector.
  2. Backprobe the fuel tank pressure sensor electrical connector terminal 1 with a DMM connected to ground.
  3. Measure the voltage with the DMM set to the DC scale and compare to the specified value.

Was the voltage measured within the specified value?

2.0-2.6 volts

Go to Step 9

Go to Step 15

9

Apply a small amount of vacuum to the fuel tank pressure sensor while observing the DMM.

Did the voltage drop when the vacuum is applied?

--

Go to Step 10

Go to Step 16

10

  1. Check for an open in the fuel tank pressure sensor signal circuit between the fuel tank pressure sensor and the PCM.
  2. Repair as necessary.

Was a repair necessary?

--

Go to Step 18

Go to Step 14

11

Caution: Do not breathe the air through the EVAP component tubes or hoses. The fuel vapors inside the EVAP components may cause personal injury.

  1. Remove the fuel tank pressure control valve. Refer to Fuel Tank Pressure Control Valve Replacement .
  2. Important: There will be some resistance, but air should flow steadily.

  3. From the canister port, blow air through the valve.

Did air flow through the valve to the tank port side?

--

Go to Step 12

Go to Step 17

12

    Important: The fuel tank pressure control valve will not allow air to flow from the tank side port to the canister side port until the pressure on the tank side is greater than 3.5 kPa (0.5 psi).

  1. From the tank side port, blow hard through the valve. Air should flow through the valve to the canister port.
  2. Apply the specified value of vacuum to the vacuum port of the fuel tank pressure control valve with the hand held vacuum pump.
  3. With the vacuum applied, blow gently into the tank side port. Air should flow easily through the valve to the canister port.

Did the fuel tank pressure control valve pass both checks?

15 in. Hg

Go to Diagnostic Aids

Go to Step 17

13

Clean the sensor air passage(s).

Is the action complete?

--

Go to Step 18

--

14

Replace the PCM. Refer to Powertrain Control Module Replacement .

Is the action complete?

--

Go to Step 18

--

15

  1. Check for a short in the fuel tank pressure sensor signal (input) circuit between the fuel tank pressure sensor and the PCM.
  2. Repair as necessary.

Was a repair necessary?

--

Go to Step 18

Go to Step 16

16

Replace the fuel tank pressure sensor. Refer to Fuel Tank Pressure Sensor Replacement .

Is the action complete?

--

Go to Step 18

--

17

Replace the fuel tank pressure control valve. Refer to Fuel Tank Pressure Control Valve Replacement .

Is the action complete?

--

Go to Step 18

--

18

  1. Clear the scan tool information and road test the vehicle within the Freeze Frame conditions that set the DTC.
  2. Review the scan tool data and check for DTCs. The repair is complete if no DTCs are stored.

Are any DTCs displayed on the scan tool?

--

Go to the Applicable DTC Table

System OK