GM Service Manual Online
For 1990-2009 cars only
Makes
🢒
Chevrolet
🢒
1998
🢒
Metro
🢒
Brakes
🢒
Antilock Brake System
🢒 Power Distribution Schematics
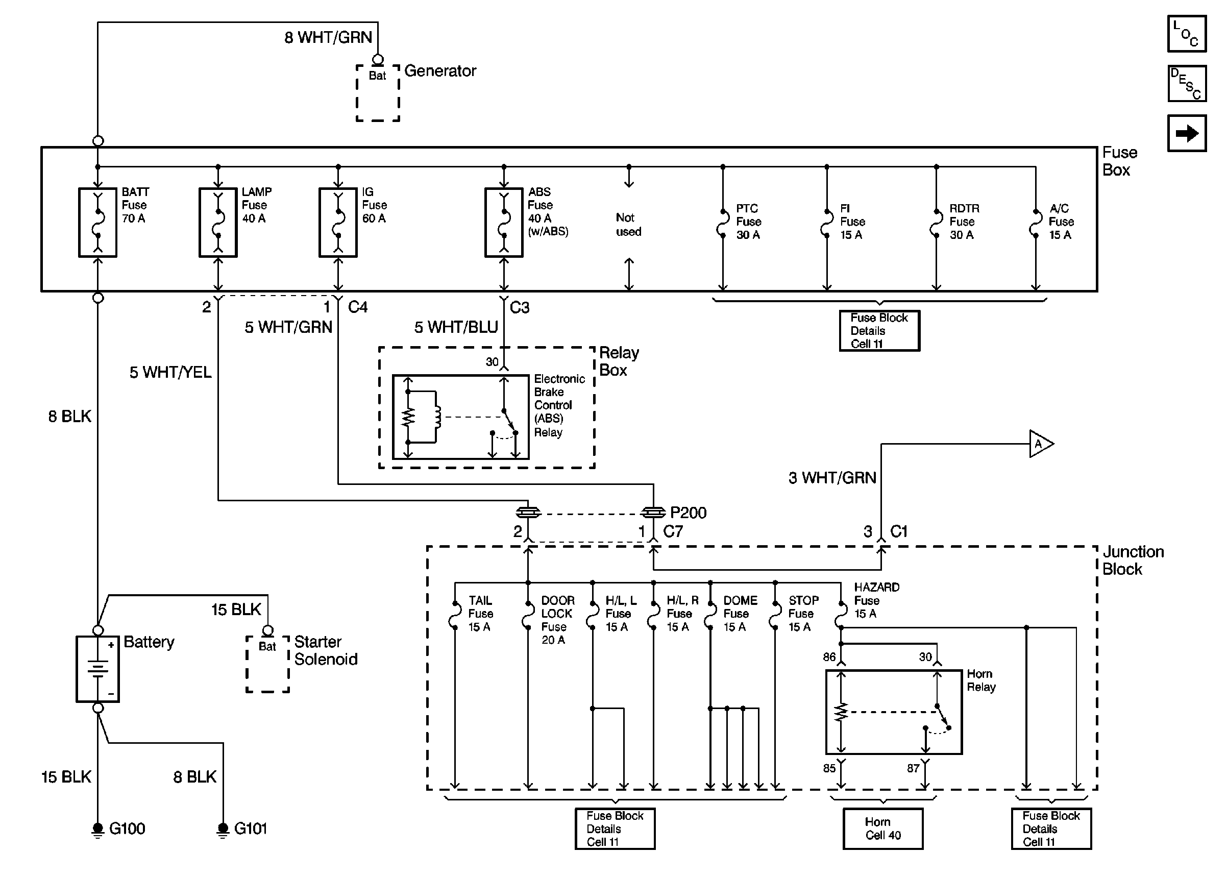
Figure
1:
Cell 10: Starter Solenoid, Relay Box
Fuse Block Schematics
Horn Schematics
Fuse Block Schematics
Fuse Block Schematics
Power and Grounding Components
Data Link Connector Circuit Description
Cell 10: Ignition Switch
Cell 10: Ignition Switch
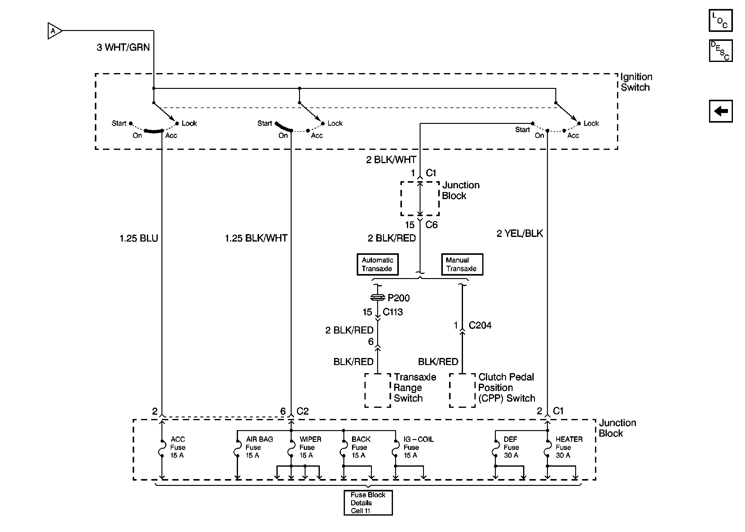
Figure
2:
Cell 10: Ignition Switch
Cell 10: Starter Solenoid, Relay Box
Fuse Block Schematics
Cell 10: Starter Solenoid, Relay Box
Data Link Connector Circuit Description
Power and Grounding Components