GM Service Manual Online
For 1990-2009 cars only
Figure 1:

Cell 14: A/C Refrigerant Pressure Switch


Object Number: 463264  Size: FS
Power and Grounding Components
Data Link Connector Circuit Description
Ground Distribution Schematics
Figure 2:

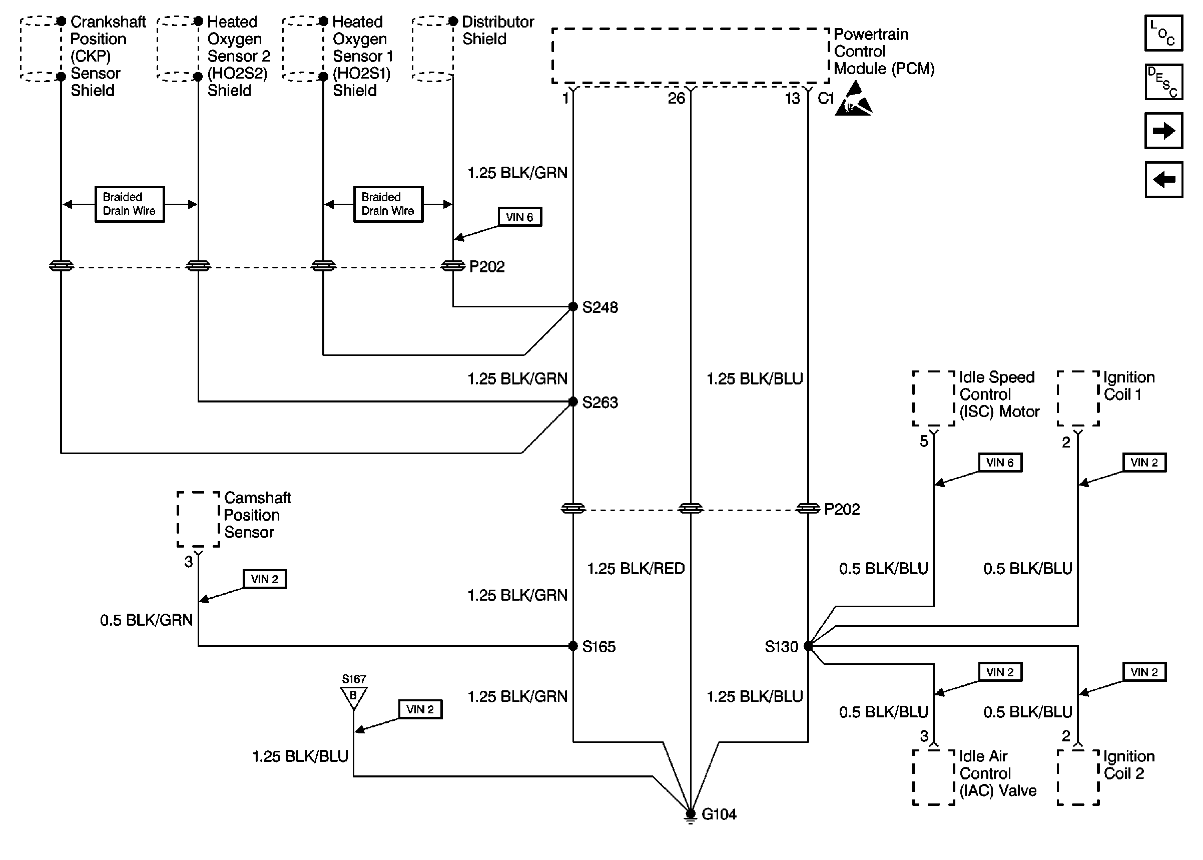
Cell 14: Ground Distribution G104


Object Number: 464978  Size: FS
Handling ESD Sensitive Parts Notice
Power and Grounding Components
Power and Grounding Description
Cell 14: A/C Refrigerant Pressure Switch
Cell 14: Electronic Brake Control Module (EBCM)
Figure 3:

Cell 14: Electronic Brake Control Module (EBCM)


Object Number: 463276  Size: FS
Power and Grounding Components
Data Link Connector Circuit Description
Cell 14: A/C Compressor Control Module, Daytime Running Lamps (DRL)Control Module
Ground Distribution Schematics
Handling ESD Sensitive Parts Notice
Figure 4:

Cell 14: A/C Compressor Control Module, Daytime Running Lamps (DRL) Control Module


Object Number: 463284  Size: FS
Power and Grounding Components
Data Link Connector Circuit Description
Cell 14: Cigar Lighter, Blower Motor, A/C Switch, Dome Lamp, Audio Alarm Module
Cell 14: Electronic Brake Control Module (EBCM)
Handling ESD Sensitive Parts Notice
Handling ESD Sensitive Parts Notice
Cell 14: Cigar Lighter, Blower Motor, A/C Switch, Dome Lamp, Audio Alarm Module
Cell 14: Electronic Brake Control Module (EBCM)
Figure 5:

Cell 14: Cigar Lighter, Blower Motor, A/C Switch, Dome Lamp, Audio Alarm Module


Object Number: 463293  Size: FS
Power and Grounding Components
Data Link Connector Circuit Description
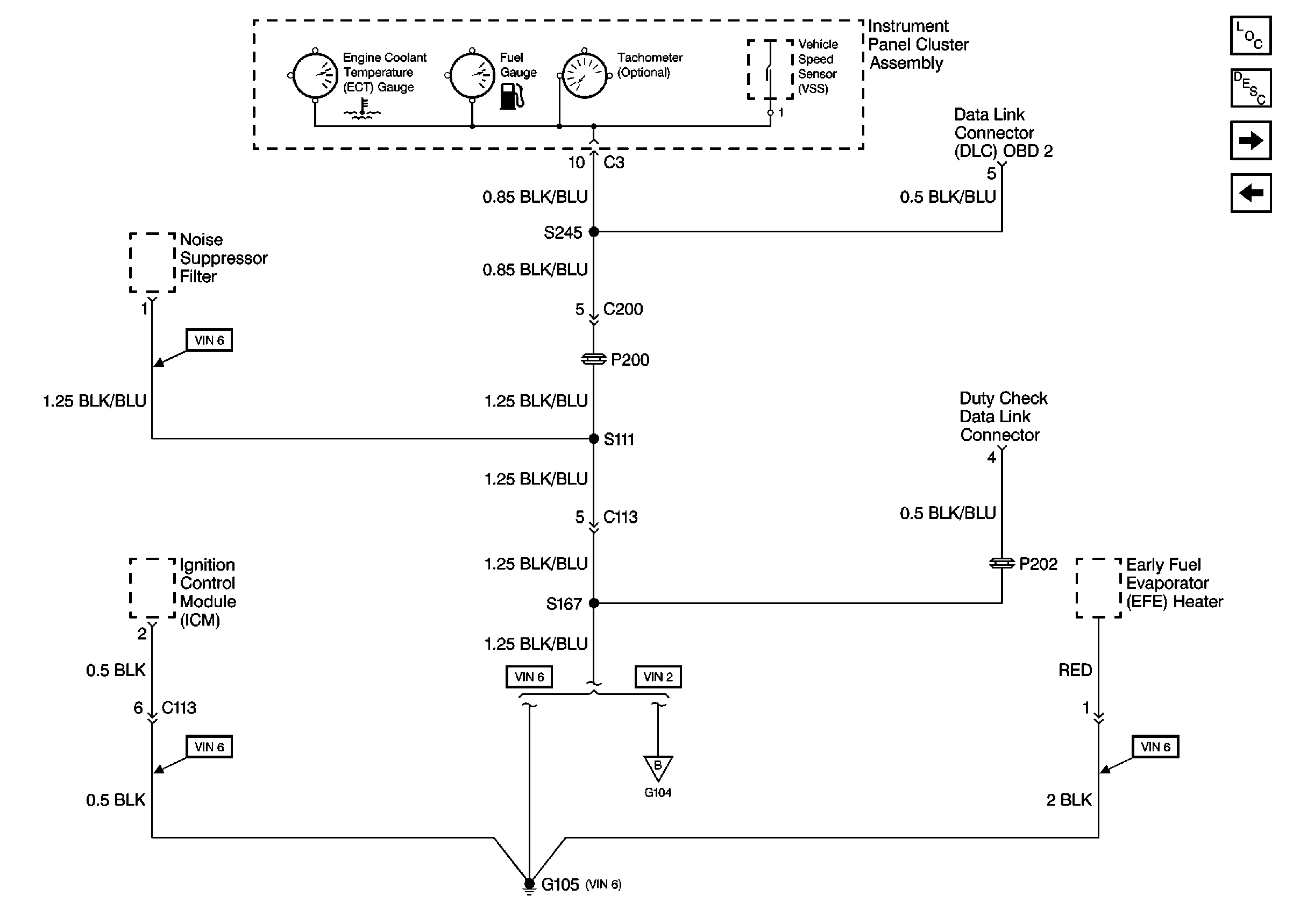
Cell 14: Instrument Panel Cluster Assembly, Data Link Connector (DLC)
Cell 14: A/C Compressor Control Module, Daytime Running Lamps (DRL)Control Module
Handling ESD Sensitive Parts Notice
Cell 14: A/C Compressor Control Module, Daytime Running Lamps (DRL)Control Module
Figure 6:

Cell 14: Instrument Panel Cluster Assembly, Data Link Connector (DLC)


Object Number: 463304  Size: FS
Power and Grounding Components
Data Link Connector Circuit Description
Cell 14: Shift Lock Solenoid, Fuel Sender Assembly, License Plate Lamp
Cell 14: A/C Compressor Control Module, Daytime Running Lamps (DRL)Control Module
Ground Distribution Schematics
Figure 7:

Cell 14: Shift Lock Solenoid, Fuel Sender Assembly, License Plate Lamp


Object Number: 463311  Size: FS
Power and Grounding Components
Data Link Connector Circuit Description
Cell 14: Center High Mounted Stop LAmp, Seat Belt Switch, Fuel Sender Assembly, Shift Lock Solenoid
Cell 14: Instrument Panel Cluster Assembly, Data Link Connector (DLC)
Figure 8:

Cell 14: Center High Mounted StopLamp, Seat Belt Switch, Fuel Sender Assembly, Shift Lock Solenoid


Object Number: 463320  Size: FS
Power and Grounding Components
Data Link Connector Circuit Description
Cell 14: Sensing and Diagnostic Module (SDM), Inflatable Restraint Forward Discriminating Sensor, SIR Data Link Connector
Cell 14: Shift Lock Solenoid, Fuel Sender Assembly, License Plate Lamp
Figure 9:

Cell 14: Sensing and Diagnostic Module (SDM), Inflatable Restraint Forward Discriminating Sensor, SIR Data Link Connector


Object Number: 463327  Size: FS
Power and Grounding Components
Data Link Connector Circuit Description
Cell 14: Center High Mounted Stop LAmp, Seat Belt Switch, Fuel Sender Assembly, Shift Lock Solenoid
Handling ESD Sensitive Parts Notice
SIR Handling Caution
SIR Handling Caution