GM Service Manual Online
For 1990-2009 cars only

Refer to

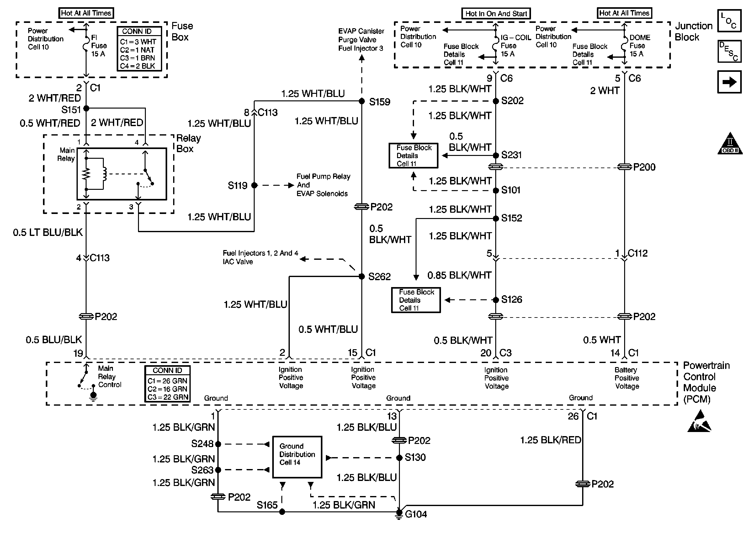
Cell 21: Power and Ground


Object Number: 278544  Size: FS
and to

Cell 21: MIL and DLC


Object Number: 278546  Size: FS
.

Circuit Description

The Powertrain OBD System Check is an organized approach to identifying a problem that is created by an engine control system malfunction. The Powertrain OBD System Check is the starting point for any diagnosis of a driveability concern. The system check directs the service technician to the next logical step in diagnosing the concern. Understanding the table and using the table correctly reduces diagnostic time and prevents the unnecessary replacement of parts.

DO NOT perform this system check if a driveability concern is not present.

Diagnostic Aids

Inspect all of the related wiring and all of the connections, including the connections at the PCM. Wiring problems may cause an intermittent malfunction. Check the terminals for the following conditions:

    • Damage
    • Corrosion
    • Pushed out terminals

Test Description

The numbers below refer to the step numbers on the diagnostic table.

  1. Do not perform the Powertrain OBD system check unless one of the concerns that is noted below is present. Failure to follow this procedure could lead to misdiagnosis of the system.

  2. The MIL should be on steady with the ignition ON and with the engine OFF.

  3. This step checks if the PCM and the scan tool can communicate.

  4. This step checks if the vehicle will start.

  5. Before proceeding to the applicable DTC table, consider all of the items below.

    • Check for related service bulletins.
    • Refer to the applicable DTC tables, in the following order, if the scan tool saves multiple DTCs.
        1. PCM error DTCs
        2. System voltage DTCs
        3. Component level DTCs
        4. System level DTCs
    • Failures of type B DTCs will save in Last Test Failed, but not in History. The scan tool will indicate a current fault if the MIL is ON and the History displays a DTC.
    • Transmission DTCs are not located in this section.
    • If the scan tool is unable to record DTC information, then record the DTC information on paper.
  1. This step detects a MIL circuit that is shorted to ground.

  2. Before proceeding to Symptoms or to Components, check for related service bulletins. Use a scan tool that is functioning correctly with the diagnostic tables in this section. Connect a scan tool that is operating incorrectly to another vehicle in order to verify operation. Before beginning any other diagnostic procedure, correct all serial data communications. The OBD II serial data may not transmit if the system voltage is less than 9.0 volts or more than 16.0 volts. DO NOT clear DTCs unless directed by a diagnostic procedure. Clearing DTCs also clears the important Freeze Frame and the important Failure Record data.

Step

Action

Value(s)

Yes

No

1

Important: 

   • Check for service bulletins.
   • DO NOT turn OFF the ignition during this diagnostic unless instructed.
   • DO NOT clear the DTCs unless instructed.

Check for one or more of the following conditions:

    • The malfunction indicator lamp illuminates with the engine running.
    • A customer concern of engine performance or of driveability.
    • A suspected fault in a PCM controlled component or a PCM controlled system.

Did any of the above conditions apply?

--

Go to Step 2

System OK

2

  1. Turn ON the ignition, leaving the engine OFF.
  2. Observe the malfunction indicator lamp (MIL).

Is the MIL illuminated?

--

Go to Step 3

Go to Malfunction Indicator Lamp (MIL) Inoperative

3

  1. Turn OFF the ignition.
  2. Install a scan tool.
  3. Turn ON the ignition, leaving the engine OFF.

Did the scan tool display any PCM data?

--

Go to Step 4

Go to Data Link Connector Diagnosis

4

Start the engine.

Did the engine start and run?

--

Go to Step 5

Go to Engine Cranks but Does Not Run

5

  1. Observe the DTC information.
  2. Save any DTC, any Freeze Frame, or any Failure Record information.

Were any DTCs set?

--

Go to the applicable DTC table

Go to Step 6

6

Is the MIL illuminated without any DTCs set?

--

Go to Malfunction Indicator Lamp (MIL) Always On

Go to Step 7

7

Compare the scan tool data display with the typical values shown in the Scan Tool Data List.

Are the displayed values normal, or within the typical values range?

--

Go to Symptoms

Go to Diagnostic Aids