GM Service Manual Online
For 1990-2009 cars only

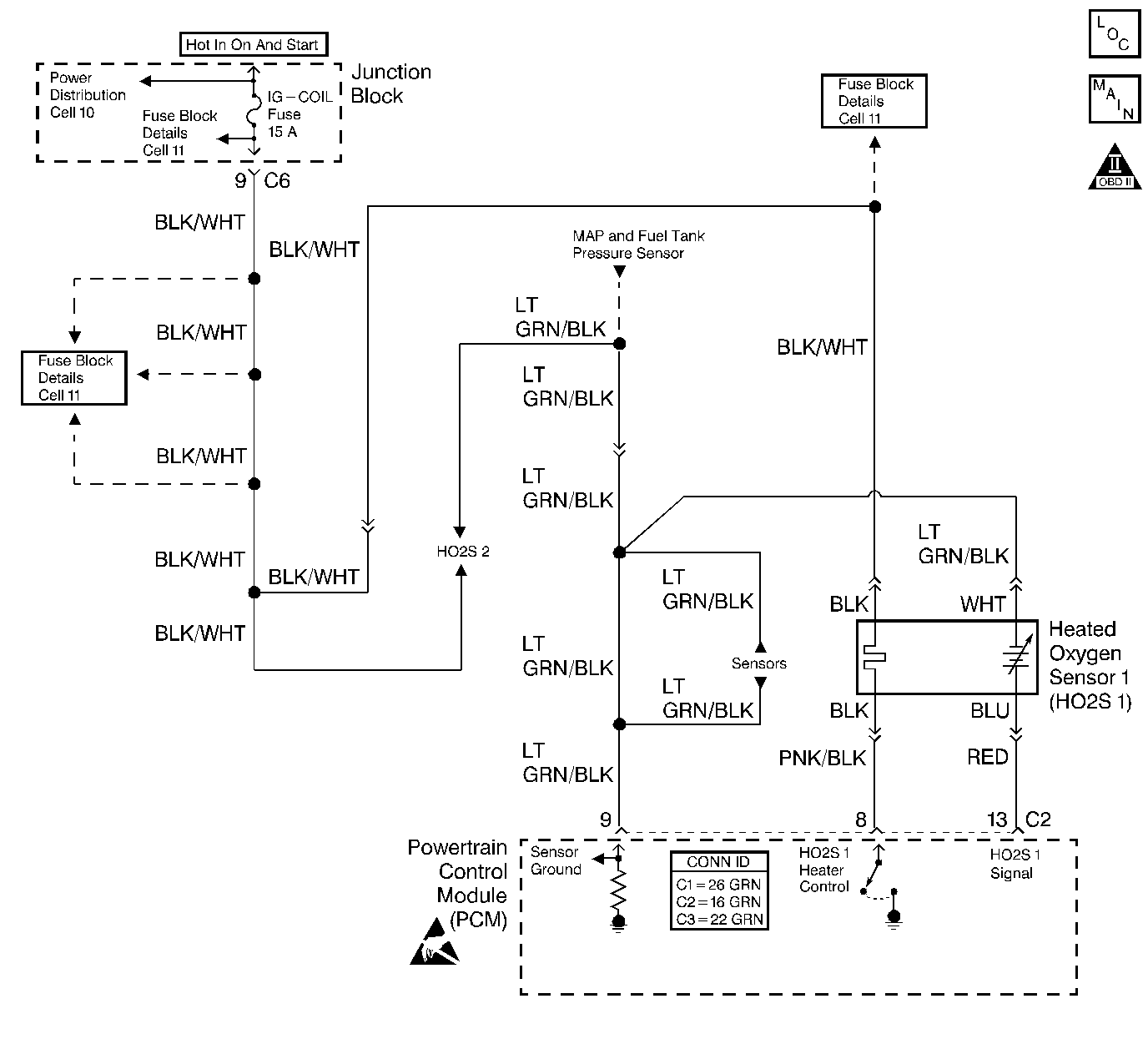
Object Number: 280475  Size: LF
Engine Controls Components
Cell 20: HO2S Sensors
OBD II Symbol Description Notice
Handling ESD Sensitive Parts Notice

Circuit Description

The heated oxygen sensor (HO2S) produces a voltage that varies between 100 mV and 900 mV. The powertrain control module (PCM) monitors this voltage and determines by the exhaust gas oxygen content whether the air/fuel mixture is rich or lean. If the voltage input at the PCM is about 100 mV, the HO2S is indicating a lean air/fuel mixture. If the voltage input is about 900 mV, the HO2S is indicating rich air/fuel mixture. The PCM constantly monitors the HO2S signal during closed-loop operation. The PCM adjusts for a rich fuel condition or for a lean fuel condition. The PCM is decreasing fuel-injector pulse width or increasing fuel-injector pulse width. A DTC P0131 sets if the HO2S 1 voltage remains low for an extended period of time.

Conditions for Running the DTC

    • Barometric pressure is greater than 75 kPa.
    • Intake air temperature is between -10°C to 70°C (14°F to 158°F).
    • Engine coolant temperature is greater than 80°C (176°F).
    • Vehicle speed is above 50 km/h (30 mph) for 2 minutes and idled for 2 minutes.
    • The engine is running at a steady speed.

Conditions for Setting the DTC

Maximum HO2S voltage is less than 300 mV.

Action Taken When the DTC Sets

    • The PCM illuminates the malfunction indicator lamp (MIL) after two consecutive ignition cycles in which the diagnostic runs with the fault active.
    • The PCM records the operating conditions at the time of the diagnostic fails. This information is stored in the Freeze Frame buffer.
    • The PCM enters the Fail-Safe Function and stops the EVAP purge control.

Conditions for Clearing the MIL/DTC

    • The MIL turns OFF after three consecutive passing trips without a fault present.
    • A History DTC clears after 40 consecutive warm-up cycles without a fault.
    • Use the scan tool in order to clear the DTC information.

Diagnostic Aids

A DTC P0131 sets mostly at city driving. Avoid operating the vehicle at high speed when validating a DTC P0131.

Clear the DTCs. Road-test the vehicle, and monitor the HO2S test. If the HO2S test indicates YES status, check the scan tool for a DTC P0131 under Last Test Failed. If the system does not indicate DTC P0131, the DTC is intermittent , and the HO2S system diagnostic passes this time.

Check for any of the following conditions:

    • Misrouted oxygen sensor wiring--The sensor pigtail may be misrouted and contacting the exhaust system and causing a short to ground.
    • A faulty PCM ground
    • Incorrect fuel pressure--The fuel system can go lean if the fuel pressure is too low, and a DTC P0131 may set. Refer to Fuel System Diagnosis .
        A lean, or faulty fuel injector
    • Vacuum leaks--Check connections of the vacuum hoses, and for damaged vacuum hoses. Check for vacuum leaks at the intake manifold, and at the throttle body. Check the EGR system, and the crankcase ventilation system.
    • Exhaust leaks near the HO2S--An exhaust leak may cause outside air to be pulled into the exhaust gas stream and flowed past the HO2S. The outside air may cause a DTC P0131 to set.
    • A shorted heated oxygen sensor (HO2S)--A short to ground in the HO2S circuit will display under 0.1 volts on the scan tool. Water contamination of the HO2S can cause a low HO2S voltage to be indicated. A DTC P0131 may occur if you drive the vehicle through a body of water. Replace the HO2S if HO2S is affected by moisture.
    • A contaminated HO2S--Silicon contamination of the HO2S can cause a low signal voltage. A white powder on the part of the HO2S in the exhaust indicates a contamination with silicon. Before replacing the HO2S, determine the cause, and correct the condition.
    • Check for fuel contamination. Small amounts of water can be delivered to the fuel injectors and cause a lean exhaust indication. A lean exhaust indication can also be caused by too much alcohol in the fuel. Refer to Alcohol/Contaminants-in-Fuel Diagnosis .
    • A faulty electrical connection to the PCM

An intermittent malfunction may be caused by a fault in the HO2S 1 sensor circuit. Inspect the wiring harness and the components for any of the following conditions:

    • Backed out terminals
    • Improper mating of terminals
    • Broken electrical connector locks
    • Improperly formed terminals or damaged terminals
    • A faulty terminal to wire connections
    • Physical damage to the wiring harness
    • A broken wire inside the insulation
    • Corrosion of electrical connections, of splices, or of terminals

If you cannot duplicate a DTC P0131, the information in the Freeze Frame data can be useful.

Test Description

The numbers below refer to the step numbers in the Diagnostic Table.

  1. The Powertrain OBD system check requires the technician to complete some basic checks and to store the freeze frame data on the scan tool. This creates an electronic copy of the data when the fault occurred. The information is stored in the scan tool for later reference.

  2. This step provides a quick check of the HO2S operation. The vehicle must be at operating temperature.

  3. This step checks if the malfunction that caused the DTC P0131 is still present. Drive the vehicle under these conditions in order to verify that the fault is present. Use the scan tool in order to monitor the DTC P0131 diagnostics. If the HO2S test displays a YES status, check the scan tool for a DTC P0131 in the screen that displays the Last Test Failed. If the test does not display a DTC P0131, the HO2S system diagnostic indicates that the malfunction is not present. Clear the DTCs in order to view the current status of the system. The MIL system status tests indicate that a test ran. The tests do not indicate that a system passed. The Last Test Failed screen must be checked for related DTCs in order to determine the result of the diagnostic test.

  4. This step checks for a voltage on the HO2S signal circuit. If the oxygen sensor is disconnected, the scan tool displays less than 35 mV.

  5. This step checks for an open in the HO2S 1 ground circuit.

  6. This step checks for an open or for a short in the HO2S 1 signal circuit.

  7. A possible cause of a voltage short to the HO2S signal circuit is water. Check for water in the wiring harness and in the PCM connectors. Water causes a short in the ignition positive voltage .

Step

Action

Value

Yes

No

1

Did you perform the Powertrain On-Board Diagnostic (OBD) System Check?

--

Go to Step 2

Go to Powertrain On Board Diagnostic (OBD) System Check

2

Are any HO2S 1 DTCs present with P0131 and with P0132?

--

Go to the Applicable DTC Table

Go to Step 3

3

  1. Start the engine.
  2. Run the engine in order to attain normal operating temperature.
  3. Increase the engine speed to 2 000 RPM for 1 minute.
  4. Monitor the HO2S 1 voltage with a scan tool.

Does the HO2S 1 voltage switch below the specified value? Does the HO2S 1 sensor shifts above the specified value?

300-600 mV

Go to Step 4

Go to Step 5

4

  1. Turn ON the ignition, leaving the engine OFF.
  2. Clear the DTC.
  3. Operate the vehicle within the Freeze Frame conditions as specified, or until the HO2S test is complete.

Does the HO2S 1 voltage shifts below the specified value? Does the HO2S 1 sensor shifts above the specified value?

300-600 mV

Go to Diagnostic Aids

Go to Step 5

5

  1. Disconnect the HO2S 1 electrical connector.
  2. Observe the HO2S 1 voltage parameter on the scan tool.

Does the scan tool indicate a HO2S 1 voltage less than the specified value?

35 mV

Go to Step 6

Go to Step 10

6

Connect a test lamp to ground. Probe the HO2S 1 ground circuit on the harness side.

Does the test lamp illuminate?

--

Go to Step 7

Go to Step 8

7

  1. Check the HO2S 1 signal voltage with a DMM.
  2. Select the DC voltage scale on the DMM.
  3. Connect one DMM lead to B+, and connect the other DMM lead to the HO2S 1 signal circuit.
  4. Observe the HO2S 1 voltage parameter on the scan tool.

Does the scan tool indicate a HO2S 1 voltage at the specified value?

1275 mV

Go to Step 11

Go to Step 9

8

  1. Check for an open in the HO2S 1 ground circuit.
  2. Repair the open, as necessary. Refer to Wiring Repairs in Wiring Systems.

Was a repair necessary?

--

Go to Step 13

Go to Step 12

9

  1. Check the HO2S 1 signal circuit for an open or for a short to ground.
  2. Repair the circuit, as necessary.
  3. Refer to Wiring Repairs in Wiring Systems.

Was a repair necessary?

--

Go to Step 13

Go to Step 12

10

  1. Check the HO2S 1 signal circuit for a short to voltage.
  2. Repair the circuit, as necessary.
  3. Refer to Wiring Repairs in Wiring Systems.

Was a repair necessary?

--

Go to Step 13

Go to Step 12

11

Replace the HO2S 1. Refer to Heated Oxygen Sensor Replacement .

Is the action complete?

--

Go to Step 13

--

12

Replace the PCM. Refer to Powertrain Control Module Replacement .

Is the action complete?

--

Go to Step 13

--

13

  1. Clear the DTC Information function.
  2. Road-test the vehicle within the Freeze Frame conditions.
  3. Review the scan tool data.

Are any DTCs displayed on the scan tool?

--

Go to the Applicable DTC Table

System OK