GM Service Manual Online
For 1990-2009 cars only
Makes
🢒
Chevrolet
🢒
2000
🢒
Metro
🢒
Brakes
🢒
Antilock Brake System
🢒 Power Distribution Schematics
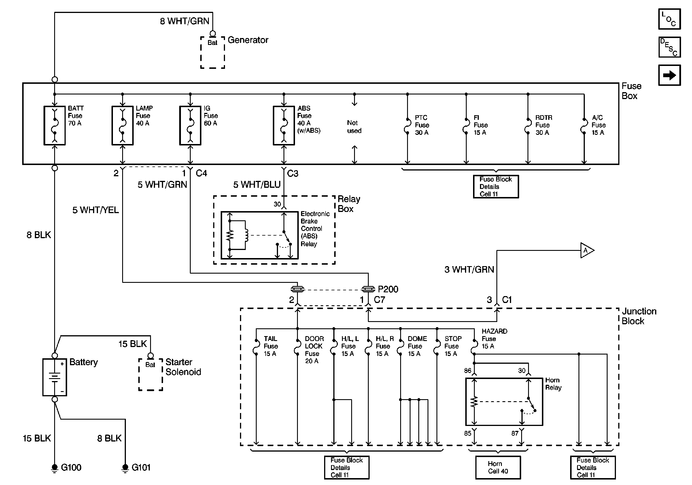
Figure
1:
Cell 10
Power and Grounding Components
Power and Grounding Description
Cell 10: Batt, Lamp, IG, ABS, PTC, FI, RDTR, A/C, Tail, Door Lock, H/L, L, H/L, R, Dome, Stop, Hazard Fuses
Fuse Block Schematics
Fuse Block Schematics
Horn Schematics
Fuse Block Schematics
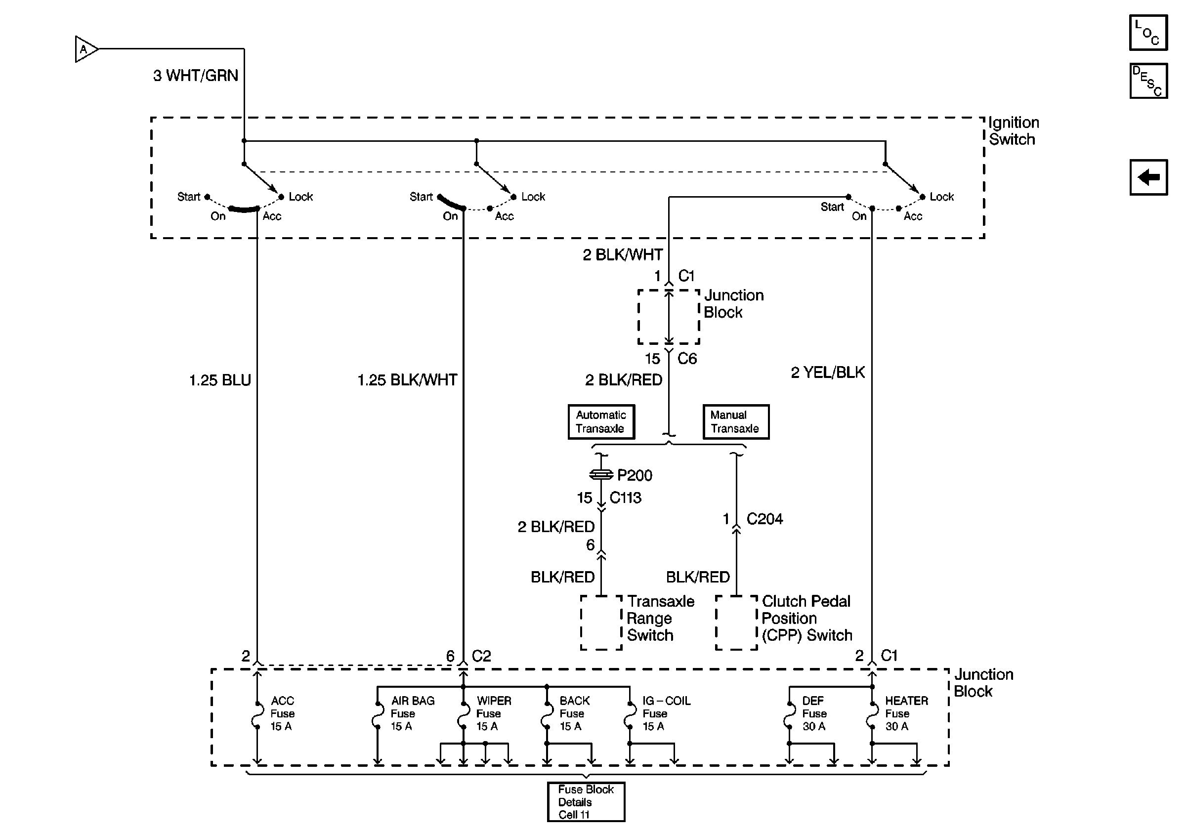
Figure
2:
Cell 10: Batt, Lamp, IG, ABS, PTC, FI, RDTR, A/C, Tail, Door Lock, H/L, L, H/L, R, Dome, Stop, Hazard Fuses
Power and Grounding Components
Power and Grounding Description
Cell 10
Fuse Block Schematics