GM Service Manual Online
For 1990-2009 cars only
Makes
🢒
Chevrolet
🢒
2000
🢒
Metro
🢒
Body and Accessories
🢒
Doors
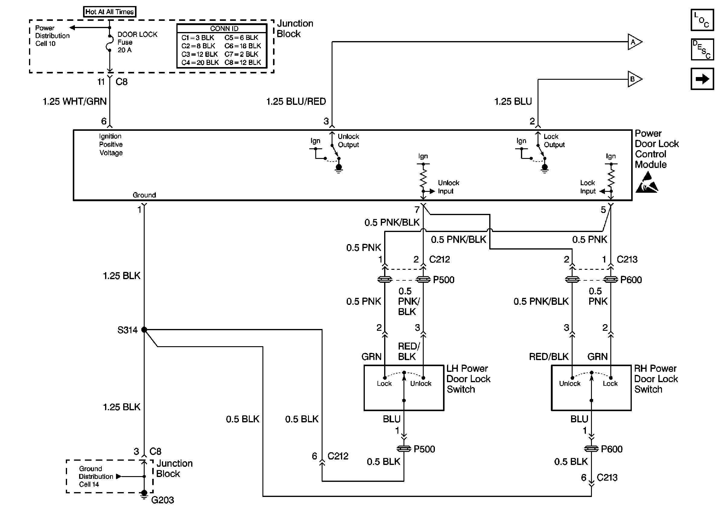
🢒 Door Lock/Indicator Schematics
Figure
1:
Cell 130: Power Door Lock Control Module
Power Door Systems Components
Power Door Locks Circuit Description
Cell 130: Power Door Lock Actuator
Power Distribution Schematics
Ground Distribution Schematics
Cell 130: Power Door Lock Actuator
Cell 130: Power Door Lock Actuator
Handling ESD Sensitive Parts Notice
Figure
2:
Cell 130: Power Door Lock Actuator
Power Door Systems Components
Power Door Locks Circuit Description
Cell 130: Power Door Lock Control Module