GM Service Manual Online
For 1990-2009 cars only
Makes
🢒
Chevrolet
🢒
2000
🢒
Metro
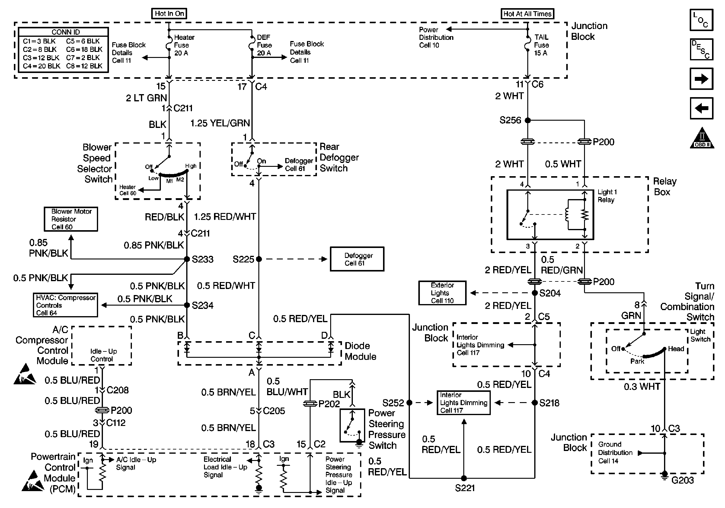
🢒 Cell 21: Idle-Up Signals
Cell 21: Idle-Up Signals
Cell 21: Idle-Up Signals