GM Service Manual Online
For 1990-2009 cars only

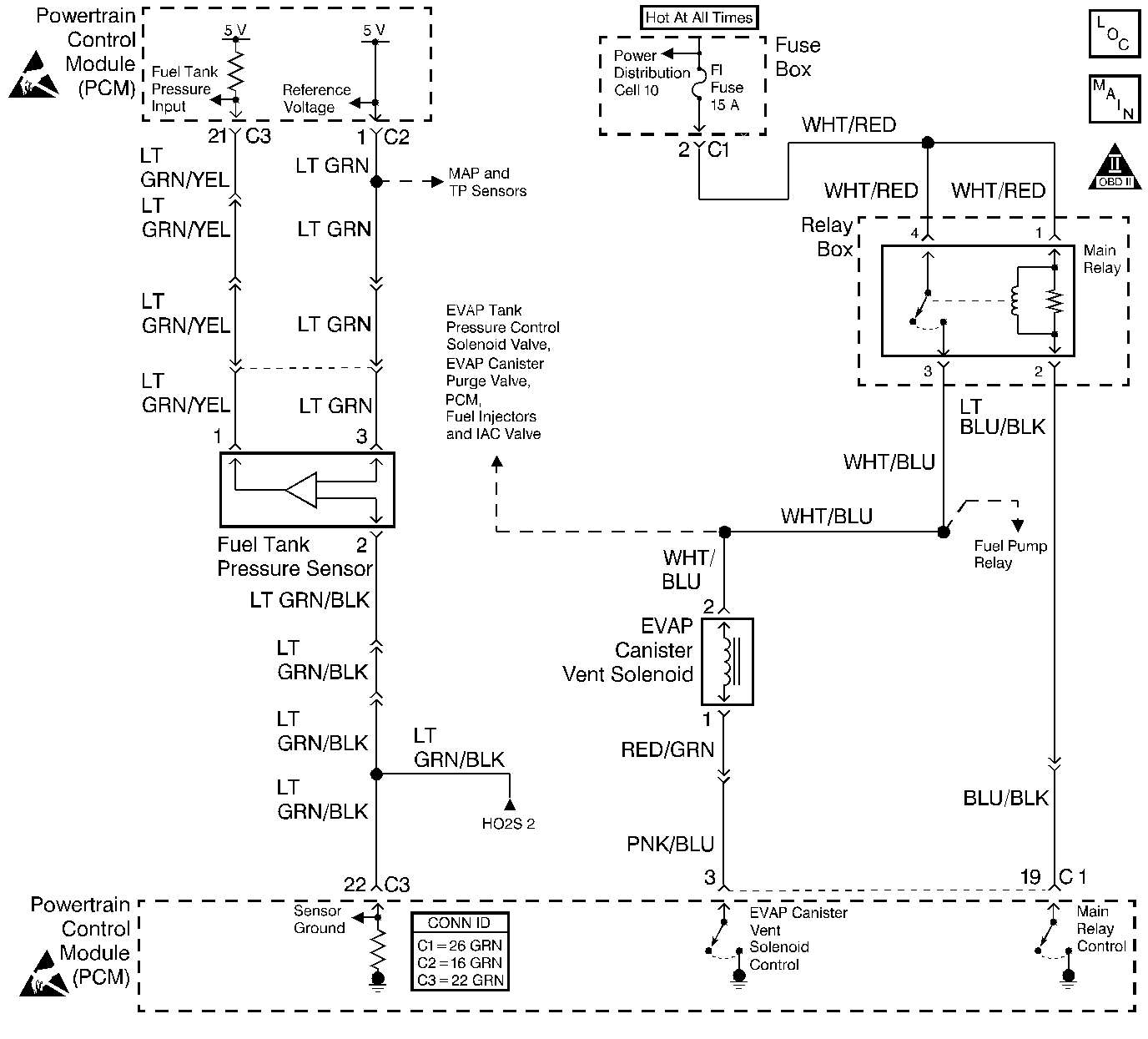
Object Number: 460753  Size: LF
Engine Controls Components
Cell 21: EVAP Controls
OBD II Symbol Description Notice
Handling ESD Sensitive Parts Notice
Handling ESD Sensitive Parts Notice

Circuit Description

The fuel tank pressure sensor responds to changes in fuel tank pressure or vacuum. The fuel tank pressure sensor signal voltage to the PCM varies according to changes in fuel tank pressure. When the vent solenoid is closed, the voltage signal can range from a high of more than 4 volts to a low of 0.6 volts. A high voltage signal reading indicates pressure in the fuel tank, while a low voltage signal reading indicates a vacuum condition.

Conditions for Running the DTC

    • The engine coolant temperature is between 70°-110°C (158°-230°F).
    • The intake air temperature is between -10°C and +70°C (14°-158°F).
    • The barometric pressure is more than 75kPa.
    • The fuel tank level is between 25-75 percent.
    • The engine has been running at idle for at least 2 minutes.

Conditions for Setting the DTC

Fuel tank pressure is lower than a specified value after the completion of the EVAP system leakage check.

Action Taken When the DTC Sets

    • The PCM illuminates the malfunction indicator lamp (MIL) after two consecutive ignition cycles in which the diagnostic runs with the fault active.
    • The PCM records the operating conditions at the time the diagnostic fails. This information is stored in the Freeze Frame buffer.

Conditions for Clearing the MIL/DTC

    • The MIL turns OFF after 3 consecutive trips during which the diagnostic runs and no fault is detected.
    • A History DTC clears after 40 consecutive warm-up cycles without a fault.
    • Use the scan tool Clear DTC Information function or disconnect the PCM battery feed in order to clear the DTC.

Diagnostic Aids

Check for any of the following conditions:

    • A shifted or incorrectly calibrated fuel tank pressure sensor may cause a DTC P0451 to set. Compare the voltage readings with a known good sensor.
    • A plugged sensor air vent hole--Inspect the sensor and clean if necessary.
    • When a DTC P0108, P0113, P0118, P0123 and P0450 are set together check for an open ground circuit.
    • When a DTC P0107, P0122 and P0450 are set together check for an open reference circuit.
    • A faulty electrical connection at the PCM

For functional checks of the EVAP control system components, refer to Evaporative Emission Control System Diagnosis .

An intermittent malfunction may be caused by a fault in an EVAP control system electrical circuit. Inspect the wiring harness and components for any of the following conditions:

    • Backed out terminals
    • Improper mating of terminals
    • Broken electrical connector locks
    • Improperly formed or damaged terminals
    • Faulty terminal to wire connections
    • Physical damage to the wiring harness
    • A broken wire inside the insulation
    • Corrosion of electrical connections, splices, or terminals

If a DTC P0451 cannot be duplicated, the information included in the Freeze Frame data can be useful in determining vehicle operating conditions when the DTC was first set.

Test Description

The numbers below refer to the step numbers on the diagnostic table.

  1. The Powertrain OBD System Check prompts the technician to complete some basic checks and to store the Freeze Frame data on the scan tool, if applicable. This creates an electronic copy of the data taken when the fault occurred. The information is then stored in the scan tool for later reference.

  2. This step determines if a fault is present. With the fuel tank filler pipe open to the atmosphere, the fuel tank pressure sensor should read near zero. The fuel tank pressure sensor reading will vary with changes in atmospheric pressure. The specified value in step 2, is typical of atmospheric pressure near sea level.

  3. This step checks for a good fuel tank pressure sensor. A voltage that is within the specified value indicates that the fault is in the sensor input circuit or the PCM.

  4. This step checks the operation of the EVAP canister vent solenoid. The EVAP canister vent solenoid output control is disabled by the PCM when any DTCs are stored, when engine speed is indicated, and until the engine has reached a normal operating temperature of at least 80°C (176°F).

  5. This step checks for a stuck closed or internally blocked EVAP canister vent solenoid.

  6. This step checks for a stuck open or leaking EVAP canister vent solenoid .

Step

Action

Value(s)

Yes

No

1

Did you perform the Powertrain On-Board Diagnostic (OBD) System Check?

--

Go to Step 2

Go to Powertrain On Board Diagnostic (OBD) System Check

2

  1. Install a scan tool.
  2. Remove the fuel filler cap.
  3. Turn ON the ignition, leaving the engine OFF.
  4. Select the fuel tank pressure sensor parameter on the scan tool.

Did the scan tool display indicate fuel tank pressure within the specified value?

0.0-0.9 mm Hg (0.0-0.5 in H2O)

Go to Step 11

Go to Step 3

3

  1. Remove the rear seat cushion. Refer to Rear Seat Cushion Replacement in Seats.
  2. Disconnect the 4 cavity, fuel tank pressure sensor, electrical connector C310.
  3. Turn ON the ignition, leaving the engine OFF.
  4. Connect a test lamp from ignition positive voltage to the fuel tank pressure sensor ground circuit terminal of connector C310 on the body harness side.

Did the test lamp illuminate?

--

Go to Step 4

Go to Step 8

4

  1. Turn ON the ignition, leaving the engine OFF.
  2. \Use a DMM in order to measure the voltage of the fuel tank pressure sensor reference voltage circuit at connector C310 on the harness side.

Is the voltage at the specified value?

5.0 V

Go to Step 5

Go to Step 7

5

  1. Remove the fuel tank pressure sensor input wire from the C310 connector on the fuel tank harness side.
  2. Reconnect the fuel tank pressure sensor electrical connector.
  3. Remove the fuel filler cap.
  4. Turn ON the ignition, leaving the engine OFF.
  5. Measure the fuel tank pressure sensor input circuit voltage, at the removed wire, with a DMM connected to ground.

Was the voltage measured within the specified value?

2.0-2.6 V

Go to Step 6

Go to Step 9

6

  1. Inspect the fuel tank pressure sensor input circuit for a short or an open, between connector C310 and the PCM.
  2. Repair as necessary. Refer to Connector Repairs or Wiring Repairs in Wiring Systems.

Was a repair necessary?

--

Go to Step 21

Go to Step 20

7

  1. Check for an open or a short in the 5 volt reference circuit between connector C310 and the PCM.
  2. Repair as necessary. Refer to Connector Repairs or Wiring Repairs in Wiring Systems.

Was a repair necessary?

--

Go to Step 21

Go to Step 20

8

  1. Check for an open in the sensor ground circuit between connector C310 and the PCM. Refer to Connector Repairs or Wiring Repairs in Wiring Systems.
  2. Repair as necessary.

Was a repair necessary?

--

Go to Step 21

Go to Step 20

9

  1. Remove the fuel tank. Refer to Fuel Tank Replacement .
  2. Remove the fuel tank pressure sensor from the fuel tank. Refer to Fuel Tank Pressure Sensor Replacement .
  3. Visually inspect the sensor air vent hole and the air pressure inlet passage for clogging.
  4. Repair the sensor as necessary.

Was a repair necessary?

--

Go to Step 21

Go to Step 10

10

  1. Inspect the fuel tank pressure sensor circuit, between the sensor and the body harness connector C311, for any of the following conditions:
  2. • The 5 volt reference circuit for an open
    • The sensor ground circuit for an open
    • The sensor input circuit for an open or a short
  3. Repair the circuit as necessary. Refer to Wiring Repairs in Wiring Systems.

Was a repair necessary?

--

Go to Step 21

Go to Step 18

11

  1. Remove the EVAP canister filter. Refer to Evaporative Emission Canister Filter Replacement .
  2. Inspect the EVAP canister filter for any of the following conditions:
  3. • Contamination with water or mud
    • Blockage from dirt or debris
  4. Inspect the EVAP canister filter hoses for restrictions or blockage
  5. Repair any conditions as necessary.

Was a repair necessary?

--

Go to Step 21

Go to Step 12

12

  1. Remove the rear seat cushion. Refer to Rear Seat Cushion Replacement in Seats.
  2. Disconnect the fuel tank EVAP harness electrical connector C311.
  3. Turn ON the ignition, leaving the engine OFF.
  4. Connect a test lamp from the ignition positive voltage terminal to the EVAP canister vent solenoid control circuit terminal of connector C311 on the body harness side.
  5. Observe the test lamp while commanding the EVAP canister vent solenoid ON and OFF with the scan tool.

Did the test lamp illuminate only when the solenoid was commanded ON with the scan tool?

--

Go to Step 14

Go to Step 13

13

  1. Inspect the EVAP canister vent solenoid circuit for any of the following conditions:
  2. • The ignition positive voltage circuit for an open
    • The solenoid control circuit for an open or a short
  3. Repair the circuit as necessary. Refer to Wiring Repairs in Wiring Systems.

Was a repair necessary?

--

Go to Step 21

Go to Step 20

14

  1. Remove the fuel tank. Refer to Fuel Tank Replacement .
  2. Inspect the EVAP system lines, hoses, and connections for any blockage or restrictions.
  3. Repair any conditions as necessary.

Was a repair necessary?

--

Go to Step 21

Go to Step 15

15

  1. Remove the EVAP canister vent solenoid.
  2. Attempt to apply the specified value of vacuum to the canister side of the EVAP canister vent solenoid with a hand vacuum pump.

Does the EVAP canister vent solenoid hold vacuum?

15 in Hg

Go to Step 19

Go to Step 16

16

  1. Apply 12 volts to the EVAP canister vent solenoid.
  2. Apply the specified value of vacuum to the canister side of the EVAP canister vent solenoid with a hand vacuum pump.

Does the EVAP canister vent solenoid hold vacuum?

15 in Hg

Go to Step 17

Go to Step 19

17

  1. Test for an open or a short in the EVAP canister vent solenoid wiring harness between the solenoid and body harness connector C311.
  2. Repair any conditions as necessary. Refer to Connector Repairs or Wiring Repairs in Wiring Systems.

Was a repair necessary?

--

Go to Step 21

Go to Diagnostic Aids

18

Replace the fuel tank pressure sensor. Refer to Fuel Tank Pressure Sensor Replacement .

Is the action complete?

--

Go to Step 21

--

19

Replace the EVAP canister vent solenoid. Refer to Evaporative Emission Canister Vent Solenoid Replacement .

Is the action complete?

--

Go to Step 21

--

20

Replace the PCM.

Is the action complete?

--

Go to Step 21

--

21

  1. Perform the scan tool Clear DTC Information funtion and road test the vehicle within the Freeze Frame conditions that set the DTC.
  2. Review the scan tool data and check for DTCs. The repair is complete if no DTCs are stored.DTCs.

Are any DTCs displayed on the scan tool?

--

Go to the applicable DTC table

System OK