GM Service Manual Online
For 1990-2009 cars only
Makes
🢒
Chevrolet
🢒
2001
🢒
Metro
🢒
HVAC
🢒
HVAC Systems - Manual
🢒 HVAC Compressor/Condenser Fan Control Schematics
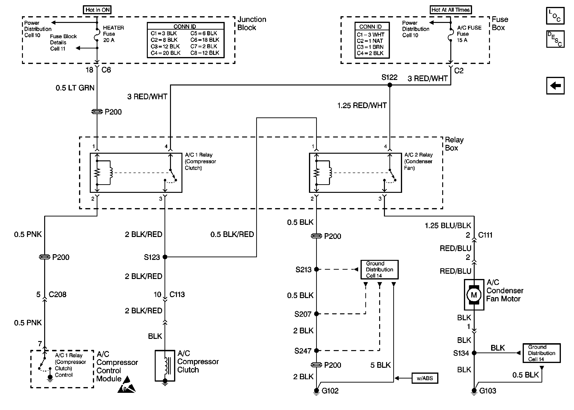
Figure
1:
HVAC Components
HVAC Compressor Controls Circuit Description
Cell 64: A/C Relays, Condenser Fan and Compressor Clutch
Power Distribution Schematics
Fuse Block Schematics
Power Distribution Schematics
Handling ESD Sensitive Parts Notice
Fuse Block Schematics
Fuse Block Schematics
Heater Blower Controls Schematics
Handling ESD Sensitive Parts Notice
Ground Distribution Schematics
Ground Distribution Schematics
Ground Distribution Schematics
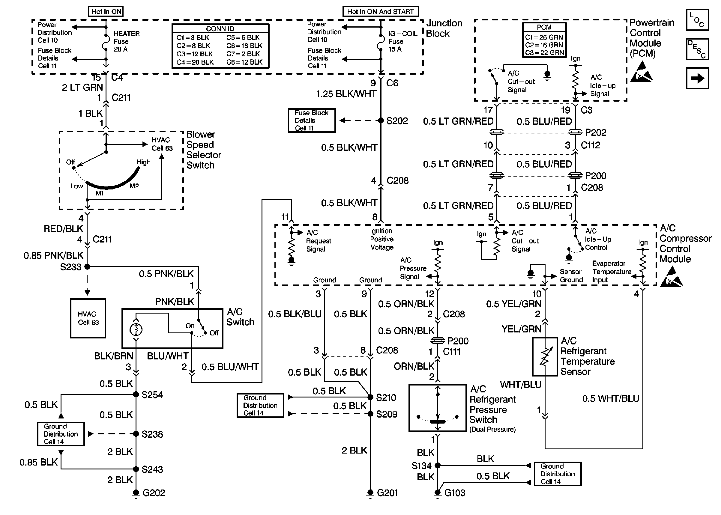
Figure
2:
Cell 64: A/C Relays, Condenser Fan and Compressor Clutch
HVAC Components
HVAC Compressor Controls Circuit Description
Cell 64 HVAC Compressor/Condenser Fan Controls
Power Distribution Schematics
Fuse Block Schematics
Power Distribution Schematics
Ground Distribution Schematics
Handling ESD Sensitive Parts Notice
Ground Distribution Schematics