GM Service Manual Online
For 1990-2009 cars only
Makes
🢒
Chevrolet
🢒
2001
🢒
Metro
🢒
Body and Accessories
🢒
Lighting Systems
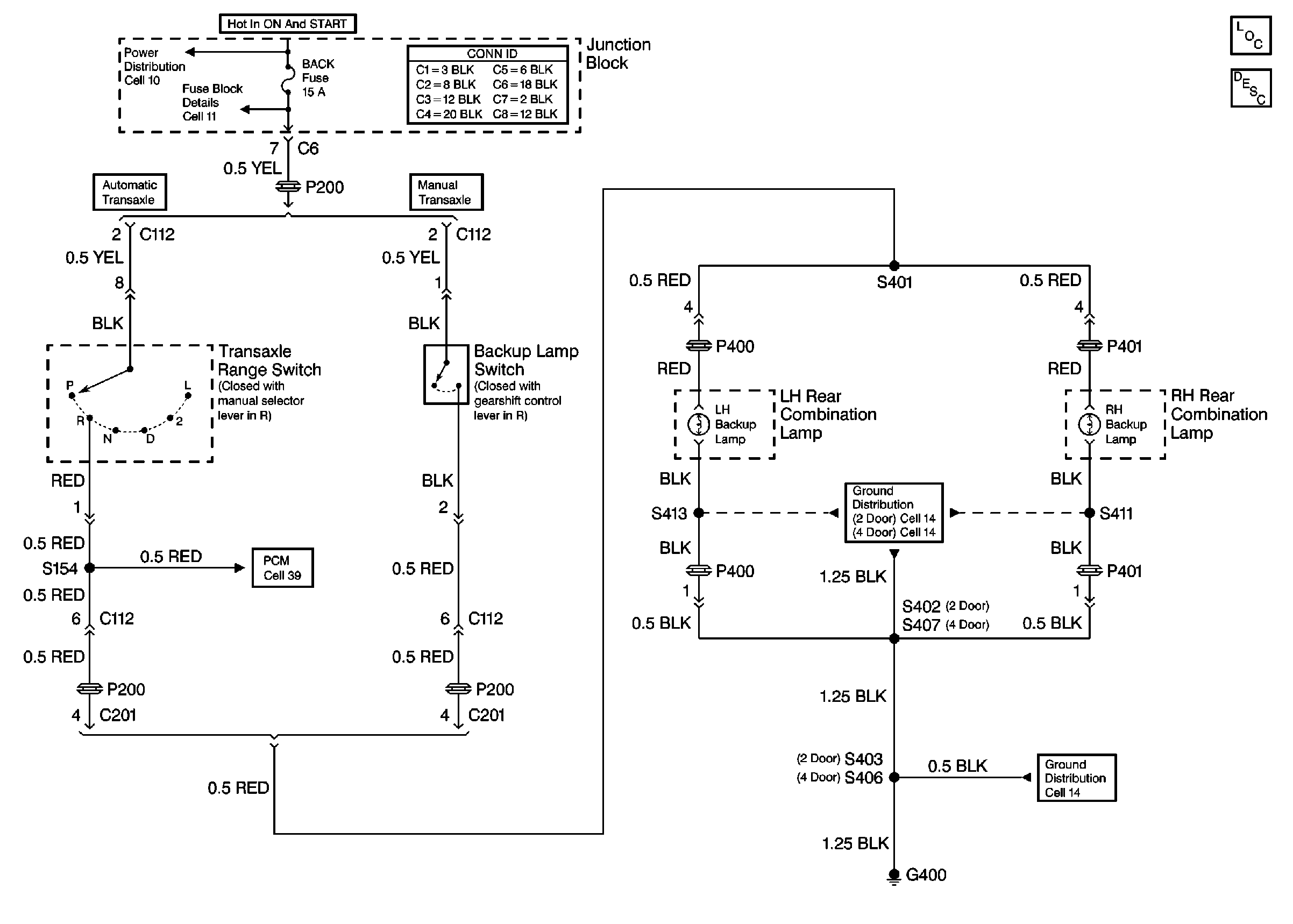
🢒 Backup Lamp Schematics
Cell 112: Backup Lamp Switch
Lighting Systems Components
Backup Lamp Circuit Description
Power Distribution Schematics
Fuse Block Schematics
Ground Distribution Schematics
Ground Distribution Schematics