GM Service Manual Online
For 1990-2009 cars only
Makes
🢒
Chevrolet
🢒
1996
🢒
Monte Carlo
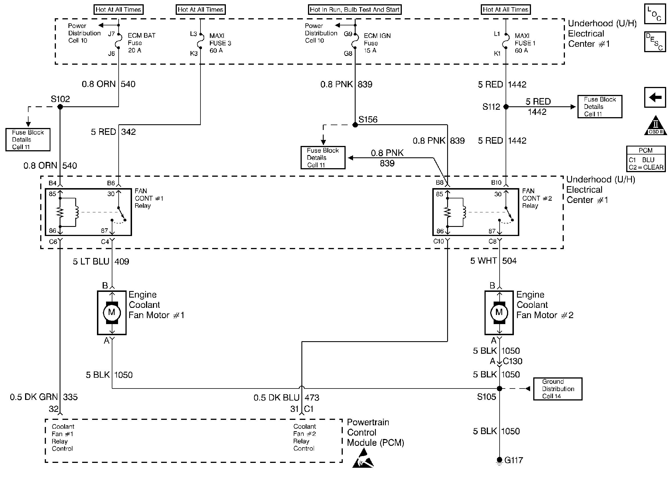
🢒 Engine Cooing Fans
Engine Cooing Fans
Engine Cooing Fans
Engine Controls Components
Electric Cooling Fan
HAVOC A/C Control
OBD II Symbol Description Notice
Handling ESD Sensitive Parts Notice