GM Service Manual Online
For 1990-2009 cars only

SMU-SEC. 8A- REV. SEC. FOUR HEADLIGHTS

SUBJECT: SERVICE MANUAL UPDATE - SECTION 8A-100 - REVISED SECTION FOR HEADLIGHTS (TEXT, TABLES, AND SCHEMATICS)

MODELS: 1997-98 CHEVROLET LUMINA, MONTE CARLO BUILT AFTER THE FOLLOWING VIN BREAKPOINTS:

PLANT 1 - V9314585 PLANT 2 - V1187756

THIS BULLETIN IS BEING ISSUED TO REVISE SECTION 8A-100 OF THE SERVICE MANUAL AND APPLIES TO VEHICLES BUILT AFTER THE ABOVE LISTED VIN BREAKPOINTS.

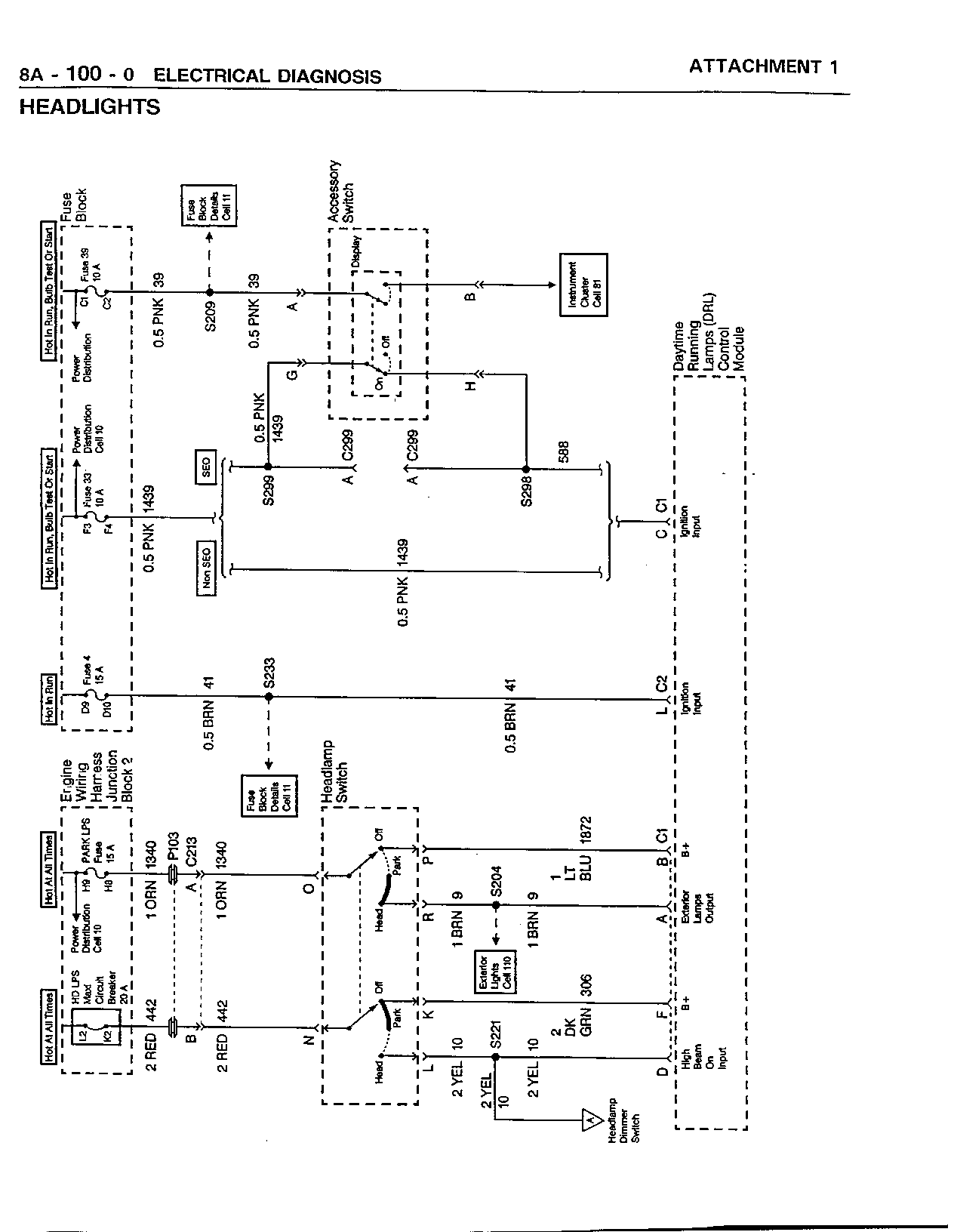
PLEASE UPDATE THE CURRENT SECTION 8A-100 WITH THE FOLLOWING TEXT AND ATTACHED TABLES AND SCHEMATICS.

CIRCUIT OPERATION

HEADLAMPS

BATTERY VOLTAGE IS APPLIED TO THE HEADLAMP SWITCH AT ALL TIMES THROUGH CIRCUIT 442. WHEN THE HEADLAMP SWITCH IS IN THE HEAD POSITION, VOLTAGE IS APPLIED TO HEADLAMP DIMMER SWITCH AND TO THE DRL CONTROL MODULE THROUGH CIRCUIT 10. WHEN THE DRL CONTROL MODULE RECEIVES VOLTAGE ON CIRCUIT 10, IT DISENGAGES THE DRL FUNCTION. WHEN THE HEADLAMP DIMMER SWITCH IS PLACED IN THE LOW POSITION, BATTERY VOLTAGE IS APPLIED TO THE LOW BEAM HEADLAMPS THROUGH CIRCUIT 12. WHEN THE HEADLAMP DIMMER SWITCH IS PLACED IN THE HIGH POSITION, BATTERY VOLTAGE IS APPLIED TO THE HIGH BEAM HEADLAMPS AND TO THE DRL CONTROL MODULE THROUGH CIRCUIT 11. WHEN THE DRL CONTROL MODULE RECEIVES THE VOLTAGE ON CIRCUIT 11, IT APPLIES VOLTAGE TO CIRCUIT 629 WHICH TURNS ON THE HIGH BEAM INDICATOR IN THE INSTRUMENT CLUSTER.

DAYTIME RUNNING LAMPS (DRL)

THE DAYTIME RUNNING LAMPS (DRL) CONTROL MODULE IS DESIGNED TO AUTOMATICALLY OPERATE EXTERIOR LIGHTS DEPENDING ON OUTSIDE LIGHT CONDITIONS. THE DRL CONTROL MODULE OPERATES IN TWO MODES: THE DAY MODE AND THE LOW LIGHT MODE. IN THE DAY MODE, THE DRL AMBIENT LIGHT SENSOR SENSES DAYLIGHT. THEN, THE DRL CONTROL MODULE TURNS ON THE HIGH BEAM HEADLAMPS AT REDUCED INTENSITY UNDER THE FOLLOWING CONDITIONS:

O THE IGNITION SWITCH IS IN THE RUN POSITION O THE HEADLAMPS ARE OFF O THE PARK BRAKE IS OFF (RELEASED)

IN THE LOW LIGHT MODE, THE DRL AMBIENT LIGHT SENSOR SENSES DARKNESS. IT THEN TURNS OFF THE HIGH BEAM HEADLAMPS AND TURNS ON THE LOW BEAM HEADLAMPS THROUGH CIRCUIT 10 AND TURNS ON THE PARK, SIDE MARKER, LICENSE, AND TAIL LAMPS THROUGH CIRCUIT 9. IF THE ENGINE SHOULD STALL WITH THE DRL CONTROL MODULE IN THE LOW LIGHT MODE, THE DRL CONTROL MODULE TURNS OFF THE HEADLAMPS AND LEAVES THE SIDE MARKER, PARK, LICENSE AND TAIL LAMPS ON WHILE THE ENGINE IS BEING CRANKED. THE HEADLAMP AND INSTRUMENT PANEL LAMP DIMMER SWITCH OPERATES AS USUAL. THE DRL CONTROL MODULE RECEIVES VOLTAGE FROM FUSE 33 THROUGH CIRCUIT 1439 AND FUSE 4 THROUGH CIRCUIT 41. THE PARK LAMPS AND/OR THE HEADLAMPS MAY BE OPERATED MANUALLY AT ANY TIME BY USING THE HEADLAMP AND INSTRUMENT PANEL LAMP DIMMER SWITCH. THE DRL MODULE DOES NOT OPERATE IF THE SYSTEM VOLTAGE IS LESS THAN 9 VOLTS OR GREATER THAN 18 VOLTS.

DAYTIME RUNNING LAMPS (DRL) AMBIENT LIGHT SENSOR

THE DRL AMBIENT LIGHT SENSOR IS A LIGHT SENSITIVE DIODE. THE DRL CONTROL MODULE MEASURES THE VOLTAGE DROP ACROSS THE DRL AMBIENT LIGHT SENSOR AND DETERMINES WHETHER IT SHOULD OPERATE IN THE DAY MODE OR IN THE LOW LIGHT MODE.

PARK BRAKE INPUT

IF THE PARK BRAKE IS APPLIED BEFORE THE IGNITION SWITCH IS TURNED TO THE RUN POSITION, THE DRL CONTROL MODULE WILL NOT OPERATE ANY HEADLAMPS OR EXTERIOR LAMPS. THIS ALLOWS THE OPERATOR TO START THE VEHICLE AND KEEP THE HEADLAMPS OFF, AS LONG AS THE PARK BRAKE IS APPLIED. WHEN THE PARK BRAKE IS RELEASED WITH THE IGNITION SWITCH IN THE RUN POSITION, THE DRL CONTROL MODULE WILL ACTIVATE THE HEADLAMPS. THIS FEATURE FUNCTIONS ONLY WHEN THE PARK BRAKE IS APPLIED BEFORE THE IGNITION SWITCH IS TURNED TO THE RUN POSITION. IF THE PARK BRAKE IS APPLIED AFTER THE IGNITION SWITCH IS TURNED TO THE RUN POSITION, THE HEADLAMPS WILL NOT TURN OFF.

SPECIAL EQUIPMENT OPTION (SEO)

CONNECTOR C299 IS DISCONNECTED TO ENABLE THE FUNCTIONS OF THE DISPLAY SWITCH. WHEN THE DISPLAY SWITCH IS TURNED TO THE OFF POSITION, THE DRL LAMPS AND THE INSTRUMENT CLUSTER ARE TURNED OFF. THIS ENABLES THE VEHICLE TO HAVE THE ENGINE RUNNING, BUT HAVE ALL LIGHTS (EXTERIOR AND INTERIOR) OFF. THE HEADLAMPS AND OTHER EXTERIOR LAMPS CAN STILL BE CONTROLLED BY THE HEADLAMP SWITCH.

FIGURES: 00 ATTACHMENTS: 15


Object Number: 169860  Size: FS


Object Number: 169861  Size: FS


Object Number: 169862  Size: FS


Object Number: 169863  Size: FS


Object Number: 169864  Size: FS


Object Number: 169865  Size: FS


Object Number: 169866  Size: FS


Object Number: 169867  Size: FS


Object Number: 169868  Size: FS


Object Number: 169869  Size: FS


Object Number: 169870  Size: FS


Object Number: 169871  Size: FS


Object Number: 169872  Size: FS


Object Number: 169873  Size: FS


Object Number: 169874  Size: FS

GENERAL MOTORS BULLETINS ARE INTENDED FOR USE BY PROFESSIONAL TECHNICIANS, NOT A "DO-IT-YOURSELFER". THEY ARE WRITTEN TO INFORM THOSE TECHNICIANS OF CONDITIONS THAT MAY OCCUR ON SOME VEHICLES, OR TO PROVIDE INFORMATION THAT COULD ASSIST IN THE PROPER SERVICE OF A VEHICLE. PROPERLY TRAINED TECHNICIANS HAVE THE EQUIPMENT, TOOLS, SAFETY INSTRUCTIONS AND KNOW-HOW TO DO A JOB PROPERLY AND SAFELY. IF A CONDITION IS DESCRIBED, DO NOT ASSUME THAT THE BULLETIN APPLIES TO YOUR VEHICLE, OR THAT YOUR VEHICLE WILL HAVE THAT CONDITION. SEE A GENERAL MOTORS DEALER SERVICING YOUR BRAND OF GENERAL MOTORS VEHICLE FOR INFORMATION ON WHETHER YOUR VEHICLE MAY BENEFIT FROM THE INFORMATION.

COPYRIGHT 1997 GENERAL MOTORS CORPORATION. ALL RIGHTS RESERVED.