GM Service Manual Online
For 1990-2009 cars only
Makes
🢒
Chevrolet
🢒
1998
🢒
Monte Carlo
🢒
Engine
🢒
Engine Electrical
🢒 Starting and Charging Schematics
Figure
1:
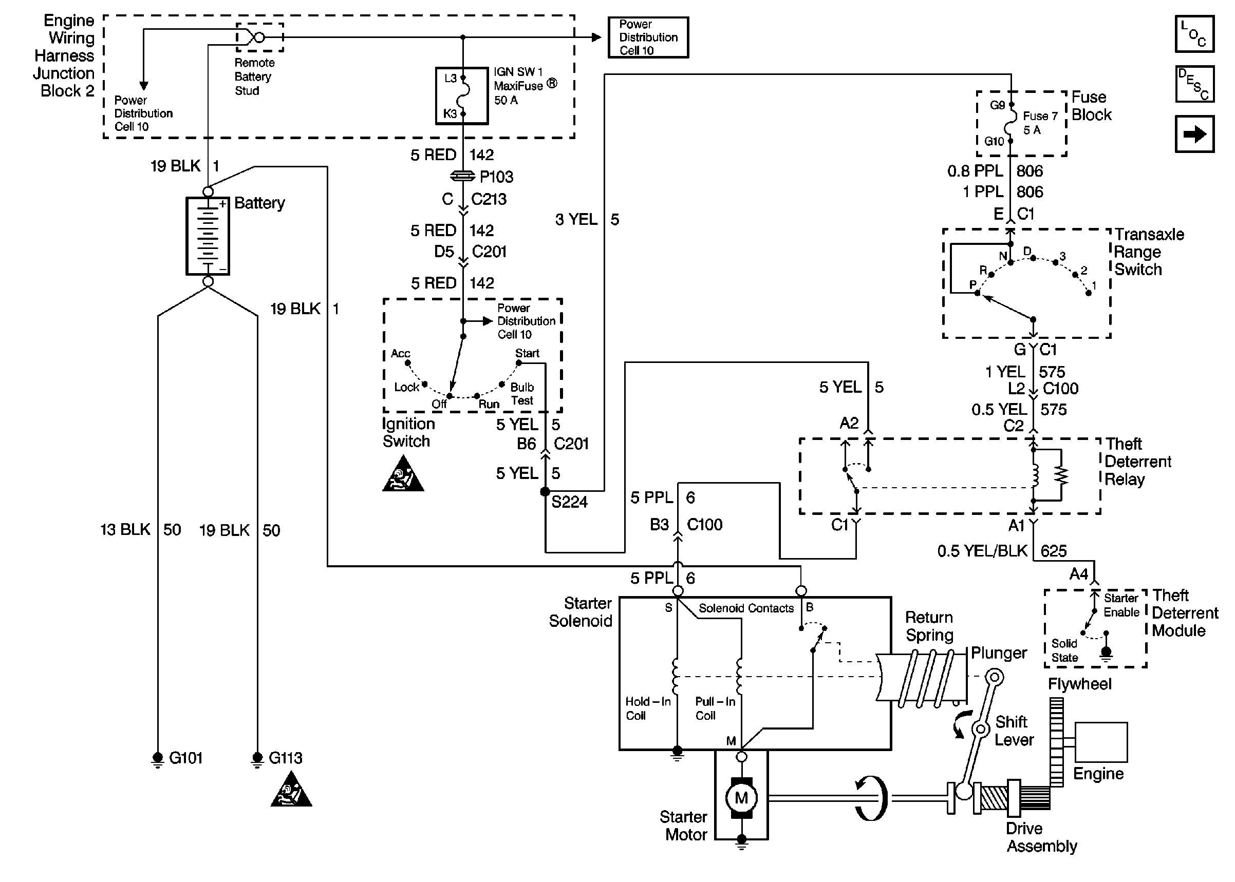
Cell 30 - Starting Schematic
Engine Electrical Components
Starting System Circuit Description
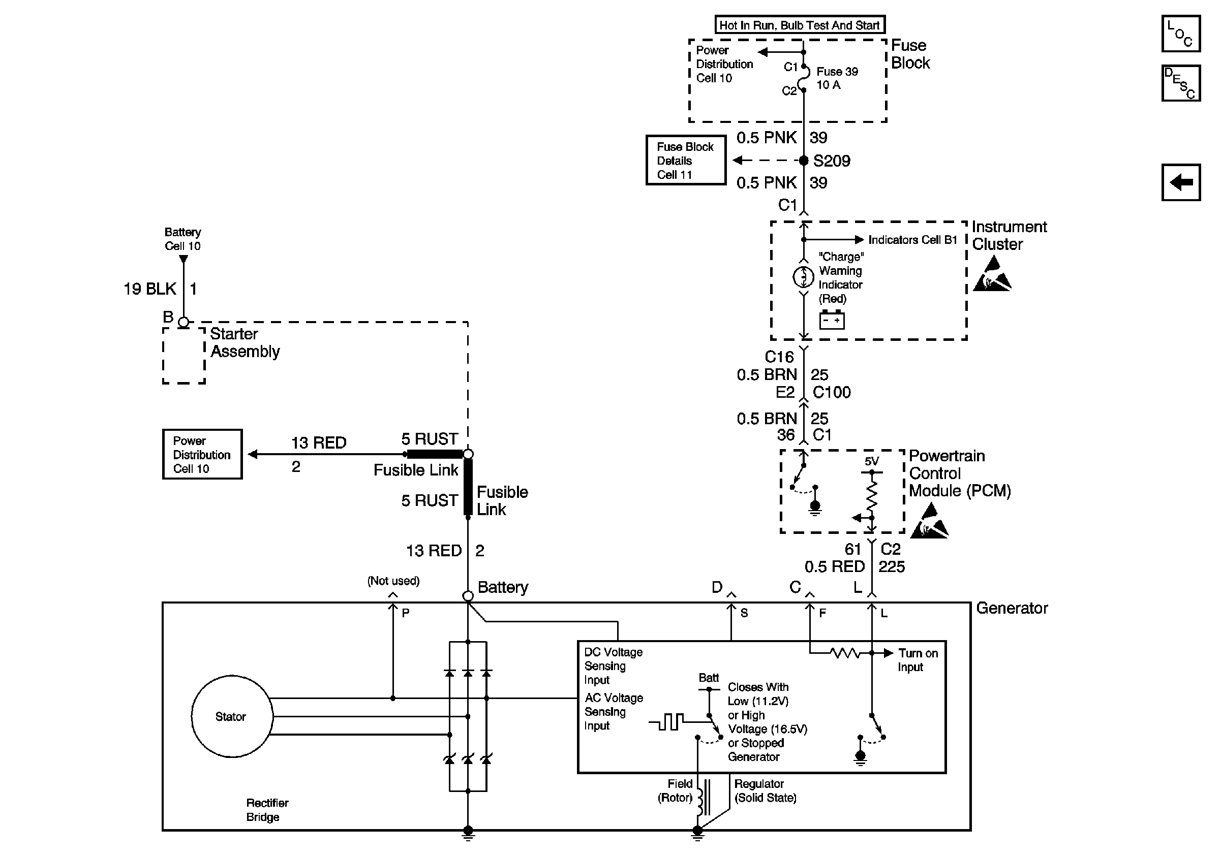
Cell 30 - Charging Schematic
SIR Caution
SIR Caution
Figure
2:
Cell 30 - Charging Schematic
Engine Electrical Components
Charging System Circuit Description
Cell 30 - Starting Schematic
Handling ESD Sensitive Parts Notice
Handling ESD Sensitive Parts Notice