GM Service Manual Online
For 1990-2009 cars only
Figure 1:

Power, Ground, MIL, DLC


Object Number: 197987  Size: FS
Figure 2:

Ignition System, Knock Sensor


Object Number: 197993  Size: FS
Figure 3:

Fuel Control


Object Number: 197995  Size: FS
Figure 4:

Fuel Injectors


Object Number: 197997  Size: FS
Figure 5:

Indicator Lamps


Object Number: 198005  Size: FS
Figure 6:

Engine Data Sensors-A/C Refrig Press, TP, MAP, ECT, IAT


Object Number: 198007  Size: FS
Figure 7:

Engine Data Sensors-MAF, EVAP Vent, EVAP Purge, EGR


Object Number: 198018  Size: FS
Figure 8:

Engine Data Sensors HO2S 1, HO2S 2


Object Number: 198022  Size: FS
Figure 9:

IAC, Engine Oil Level, Engine Oil Pressure


Object Number: 198025  Size: FS
Figure 10:

VSS, Cruise


Object Number: 198024  Size: FS
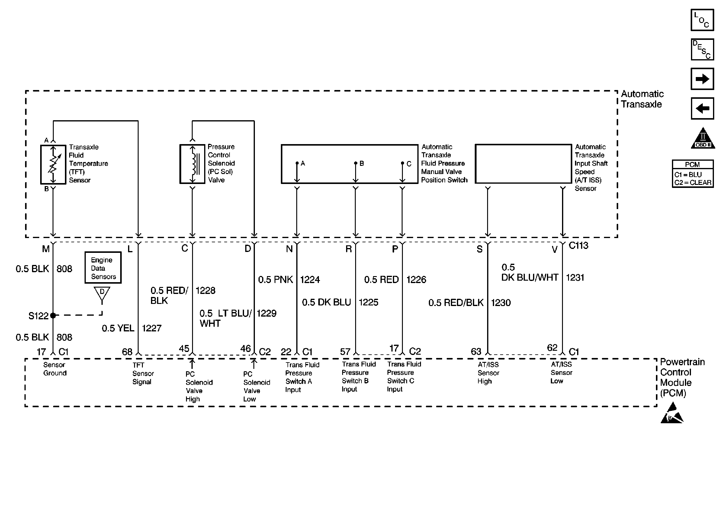
Figure 11:

Automatic Transaxle Part 1


Object Number: 198027  Size: FS
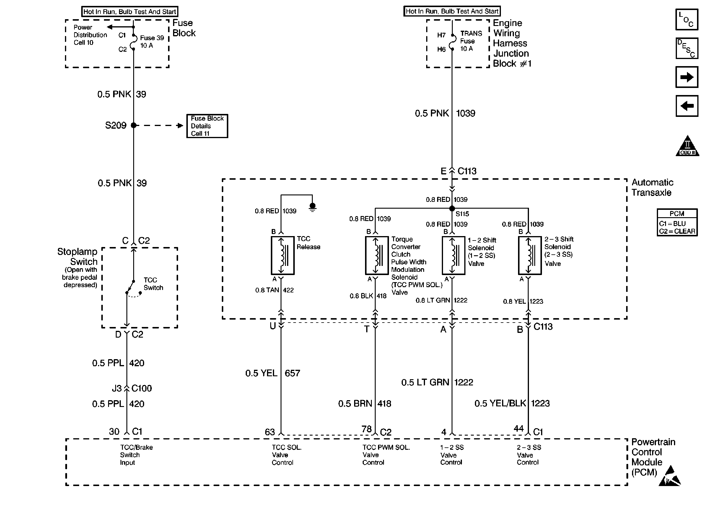
Figure 12:

Automatic Transaxle Part 2


Object Number: 198029  Size: FS
Figure 13:

A/C Compressor Controls


Object Number: 198031  Size: FS
Figure 14:

Coolant Fans


Object Number: 198033  Size: FS