GM Service Manual Online
For 1990-2009 cars only

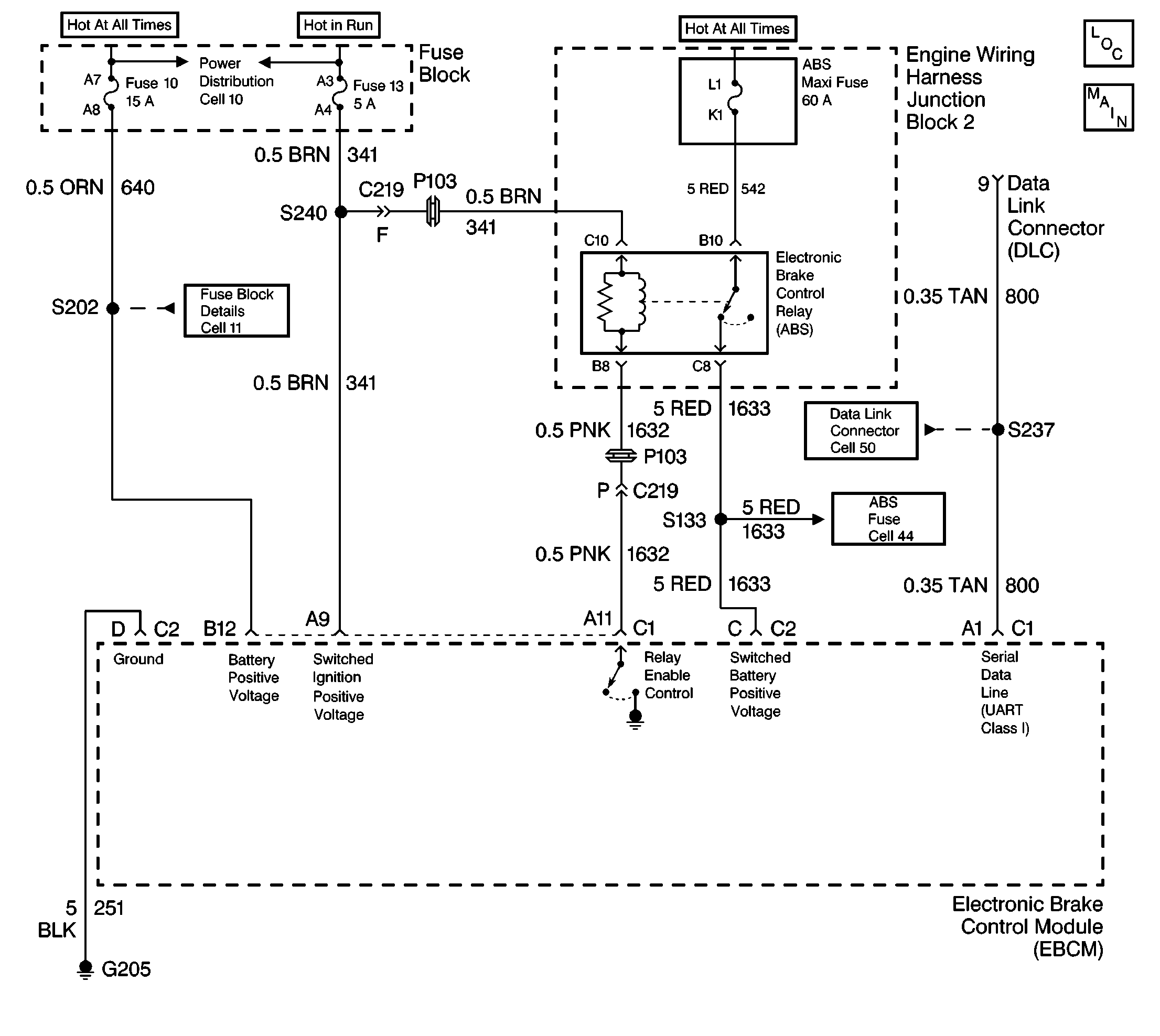
Object Number: 197848  Size: LF

System Description

The diagnostic system check is an organized method of identifying any problems caused by a malfunction in either of the following systems:

The Antilock Brake System (ABS)

    • The service technician must begin diagnosis of any ABS complaint with the diagnostic system check.
    • The diagnostic system check directs the service technician to the next logical step in diagnosing the complaint.
    • The EBCM exchanges serial data through the connector C1 terminal A1.
    • Connector C1 terminal A9 supplies the switched ignition voltage to the EBCM.
    • Connector C1 terminal B12 supplies the battery voltage to the EBCM.
    • Connector C2 terminal C supplies the switched battery voltage to the EBCM.
    • Connector C2 Terminal D provides the ground for the EBCM.

Diagnostic Process

Use the following ordered procedure when servicing the ABS.

Failure to use the following procedure may cause the loss of important diagnostic data. Failure to use the following procedure may lead to difficult and time-consuming diagnosis procedures.

  1. Use the following procedure to perform a vehicle preliminary diagnosis inspection:
  2. • Inspect the brake master cylinder fluid reservoir:
       - Verify that the brake fluid level is correct.
       - Inspect the master cylinder for contamination.
    • Inspect the brake modulator for the following conditions:
       - Leaks
       - Wiring damage
    • Inspect the brake components of all four wheels:
       - Verify that no drag exists.
       - Verify that the brake apply operation is correct.
    • Inspect for worn or damaged wheel bearings.
    • Worn or damaged wheel bearings may cause a wheel to "wobble".
    • Inspect the wheel speed sensors and the wheel speed sensor wirings:
       - Verify that all of the sensors solidly attach.
       - Inspect for wiring damage, especially at vehicle attachment points.
    • Inspect the outer CV joint:
       - Verify that the outer CV joint is aligned correctly.
       - Verify that the outer CV joint operates correctly.
    • Inspect the tires. Verify that the tires meet legal trend depth requirements.
  3. Perform the Diagnostic System Check.
  4. If any DTCs are displayed, select DTC History.

    2.1. Determine which malfunction occurred the most recently.
    2.2. Diagnose and repair the most recent malfunction first.
  5. Determine if the following conditions exist:
  6. • No DTCs are present.
    • There are malfunctions in the mechanical components.
    • The failure is intermittent and cannot be reproduced.
  7. If the above conditions exist, attempt to reproduce the malfunction:
  8. 4.1. Use the automatic snapshot feature of the Scan Tool while test driving the vehicle.

    Perform normal acceleration, stopping, and turning maneuvers during the test drive.

    4.2. If the test drive does not reproduce the malfunction, perform an ABS stop:
       • Perform the stop on a low coefficient surface (such as gravel).
       • Perform the stop from a speed of 48-80 km/h (30-50 mph).
       • Trigger the snapshot mode on any ABS while performing the stop.
    4.3. If the ABS stop does not reproduce the malfunction, use the enhanced diagnostic information in the DTC History in order to determine if further diagnosis is needed. This determination will be based on the frequency of failure.
  9. Clear the ABS after all of the system malfunctions have been corrected.

Diagnostic Aids

Communication with the EBCM is not possible when excessive resistance exists in the following components:

    • The ground
    • The power supply circuits

If communication with the EBCM is not possible, perform the following actions:

    • Verify that the EBCM ground connection is good.
    • Verify that no excessive resistance exists in any of the power supply circuits.

Important: Zero the J 39200 test leads before making any resistance measurements. Refer to the J 39200 user's manual.

Step

Action

Value(s)

Yes

No

1

  1. Verify that the 24-way EBCM connector C1 is properly connected.
  2. Verify that the 8-way EBCM connector C2 is properly connected.
  3. Install a Scan Tool .
  4. Turn the ignition switch to the RUN position. Do not start the engine.
  5. Select the ABS portion of the chassis application on the Scan Tool .
  6. Select Data List on the Scan Tool .

Is the data being received from the EBCM?

--

Go to Step 15

Go to Step 2

2

Read the Scan Tool display.

Does the Scan Tool display the message NO COMMUNICATION WITH VEHICLE? Check DLC Connector.

--

Go to Data Link Communications System Check in Wiring Systems

Go to Step 3

3

Verify the correct connection of the Scan Tool to the DLC.

Is the connection of the Scan Tool to the DLC correct?

--

Go to Step 4

Go to Step 26

4

  1. Turn the ignition switch to the OFF position.
  2. Remove the Fuse 10 (15A) fuse.
  3. Use the J 39200 in order to measure the resistance between the fuse block Fuse 10 (15A) fuse terminals.

Is the resistance within the specified range?

0-2 ohms

Go to Step 5

Go to Step 18

5

  1. Install the fuse block Fuse 10 (15A) fuse.
  2. Remove the Fuse 13 (15A) fuse.
  3. Use the J 39200 in order to measure the resistance between the terminals of the fuse block Fuse 13 (5A) fuse terminals.

Is the resistance within the specified range?

0-2 ohms

Go to Step 6

Go to Step 21

6

  1. Install the fuse block Fuse 13 (5A) fuse.
  2. Disconnect the 8-way EBCM connector C2.
  3. Use the J 39200 in order to measure the resistance between the 8-way EBCM connector C2 terminal and the ground.

Is the resistance within the specified range?

0-2 ohms

Go to Step 7

Go to Step 27

7

  1. Disconnect the 24-way EBCM connector C1.
  2. Use the J 39200 in order to measure the voltage between the 24-way EBCM connector C1 terminal B12 and the ground.

Is the voltage equal to or greater than the specified voltage?

10 V

Go to Step 8

Go to Step 28

8

  1. Turn the ignition to the RUN position.
  2. Do not start the engine.

  3. Use the J 39200 in order to measure the voltage between the 24-way EBCM connector C1 terminal A9 and the ground.

Is the voltage equal to or greater than the specified voltage?

10 V

Go to Step 9

Go to Step 29

9

  1. Turn the ignition switch to the OFF position.
  2. Disconnect the negative battery cable.
  3. Disconnect the positive battery cable.
  4. Use the J 39200 in order to measure the resistance between the 8-way EBCM connector C2 terminal D and the negative battery cable terminal.

Is the resistance within the specified range?

0-2 ohms

Go to Step 10

Go to Step 30

10

Use the J 39200 in order to measure the resistance between the 24-way EBCM connector C1 terminal B12 and the positive battery cable terminal.

Is the resistance within the specified range?

0-2 ohms

Go to Step 11

Go to Step 31

11

  1. Turn the ignition to the RUN position.
  2. Do not start the engine.

  3. Use the J 39200 in order to measure the resistance between the 24-way EBCM connector C1 terminal A9 and the positive battery cable terminal.

Is the resistance within the specified range?

0-2 ohms

Go to Step 12

Go to Step 32

12

  1. Turn the ignition to the OFF position.
  2. Use the J 39200 in order to measure the resistance between the 24-way EBCM connector C1 terminal A1 and the DLC terminal 9.

Is the resistance within the specified range?

0-2 ohms

Go to Step 13

Go to Data Link Communications System Check in Wiring Systems

13

Use the J 39200 in order to measure the resistance between the 24-way EBCM connector C1 terminal A1 and the ground.

Is the resistance within the specified range?

OL (Infinite)

Go to Step 14

Go to Data Link Communications System Check in Wiring Systems

14

  1. Inspect the following components:
  2.  - The 24-way EBCM connector C1
     - The 8-way EBCM connector C2
     - The negative battery cable
     - The positive battery cable
  3. Inspect the components for the following conditions:
  4.  - Poor terminal contact
     - Terminal corrosion
     - Damaged terminals

Are there signs of poor terminal contact, terminal corrosion or damaged terminals?

--

Go to Step 33

Go to Step 39

15

  1. Connect the Scan Tool .
  2. Select DTC(s).

Does the Scan Tool display any current DTCs?

--

Go to the applicable DTC table

Go to Step 16

16

  1. Turn the ignition switch to the OFF position.
  2. Wait for 10 seconds.
  3. Turn the ignition switch to the RUN position.
  4. Do not start the engine.

  5. Observe the amber ABS warning indicator.

Does the amber ABS warning indicator turn ON for 3 seconds and then OFF?

--

Go to Step 17

Go to the appropriate system table

17

  1. Connect the Scan Tool .
  2. Select DTC History.

Does the Scan Tool display any history DTCs?

--

Go to Step 40

Go to Step 41

18

  1. Replace the fuse block Fuse 10 (15A) fuse with a known good 15A fuse.
  2. Wait for 10 seconds.
  3. Remove the fuse block Fuse 10 (15A) fuse.
  4. Use the J 39200 in order to measure the resistance between fuse block fuse 10 (15A) fuse terminals.

Is the resistance within the specified range?

0-2 ohms

Go to Step 35

Go to Step 19

19

  1. Disconnect the 24-way EBCM connector C1.
  2. Replace the fuse block Fuse 10 (15A) fuse with a known good 15A fuse.
  3. Wait for 10 seconds.
  4. Remove the fuse block Fuse 10 (15A) fuse .
  5. Use the J 39200 in order to measure the resistance between fuse block Fuse 10 (15A) fuse terminals.

Is the resistance within the specified range?

0-2 ohms

Go to Step 20

Go to Step 34

20

  1. Inspect CKT 640 for physical damage.
  2. Physical damage may cause a short to ground with the 8-way EBCM connector C2 connected.

  3. Inspect the 8-way EBCM connector C2 and the 8-way EBCM harness connector C2 for physical damage.
  4. Physical damage may cause a short to ground with the 8-way EBCM connector C2 connected.

  5. Reconnect the 24-way EBCM connector C1.
  6. Reconnect the 8-way EBCM connector C2.
  7. Reinstall the fuse block Fuse 10 (15A) fuse.
  8. Wait for 10 seconds.
  9. Remove the fuse block Fuse 10 (15A) fuse.
  10. Use the J 39200 in order to measure the resistance between fuse block Fuse 10 (15A) fuse terminals.

Is the resistance within the specified range?

0-2 ohms

Go to Step 38

Go to Step 25

21

  1. Replace the fuse block Fuse 13 (5A) fuse with a know good 5A fuse.
  2. Turn the ignition switch to the Run position.
  3. Do not start the engine.

  4. Wait for 10 seconds.
  5. Turn the ignition switch to the OFF position.
  6. Remove the fuse block Fuse 13 (5A) fuse.
  7. Use the J 39200 in order to measure the resistance between fuse block Fuse 13 (5A) fuse terminals.

Is the resistance within the specified range?

0-2 ohms

Go to Step 37

Go to Step 22

22

  1. Turn the ignition switch to the OFF position.
  2. Disconnect the 24-way EBCM connector C1.
  3. Replace the fuse block Fuse 13 (5A) fuse with a known good 5A fuse.
  4. Turn the ignition to the RUN position.
  5. Do not start the engine.

  6. Wait for 10 seconds.
  7. Turn the ignition switch to the OFF position.
  8. Remove the fuse block Fuse 13 (5A) fuse.
  9. Use the J 39200 in order to measure the resistance between fuse block Fuse 13 (5A) fuse terminals.

Is the resistance within the specified range?

0-2 ohms

Go to Step 23

Go to Step 36

23

  1. Inspect CKT 341 for physical damage.
  2. Physical damage may cause a short to ground with the 24-way EBCM connector C1 connected.

  3. Inspect the 24-way EBCM connector C1 and the 24-way EBCM harness connector C1 for physical damage.
  4. Physical damage may cause a short to ground with the 24-way EBCM connector C1 connected.

  5. Reconnect the 24-way EBCM connector C1.
  6. Reconnect the 8-way EBCM connector C2.
  7. Reinstall the fuse block Fuse 13 (5A) fuse.
  8. Turn the engine to the RUN position.
  9. Do not start the engine.

  10. Wait for 10  seconds.
  11. Turn the ignition switch to the OFF position.
  12. Remove the fuse block Fuse 13 (5A) fuse.
  13. Use the J 39200 in order to measure the resistance between fuse block Fuse 13 (5A) fuse terminals.

Is the resistance within the specified range?

0-2 ohms

Go to Step 38

Go to Step 24

24

  1. Replace the EBCM.
  2. Replace the fuse block Fuse 13 (5A) fuse with a known good (5A) fuse.

Is the repair complete?

--

Go to Step 1

--

25

  1. Replace the EBCM.
  2. Replace the fuse block Fuse 10 (15A) fuse with a known good Fuse 15A fuse.

Is the repair complete?

--

Go to Step 1

--

26

Disconnect and reconnect the Scan Tool in order to ensure a good connection.

Is the Scan Tool correctly connected?

--

Go to Step 1

--

27

Repair the open or the high resistance in CKT 251.

Is the repair complete?

--

Go to Step 1

--

28

Repair the open or the high resistance in CKT 640.

Is the repair complete?

--

Go to Step 1

--

29

Repair the open or the high resistance in CKT 341.

Is the repair complete?

--

Go to Step 1

--

30

Repair the open or the high resistance in any of the following components:

    • The negative battery cable
    • The negative battery cable terminals
    • The negative battery cable connections

Is the repair complete?

--

Go to Step 1

--

31

Repair the high resistance in CKT 640 or the voltage feed circuits for the fuse block Fuse 10 (15A) fuse.

Is the repair complete?

--

Go to Step 1

--

32

Repair the open or high resistance in one of the following circuits:

    • CKT 341
    • CKT 3
    • CKT 1

Is the repair complete?

--

Go to Step 1

--

33

Replace the terminals for the connectors that exhibit the following conditions:

    • Poor terminal contact
    • Terminal corrosion
    • Damaged terminals

Is the repair complete?

--

Go to Step 1

--

34

Repair the short to ground in CKT 640.

Is the repair complete?

--

Go to Step 18

--

35

Reinstall the fuse block Fuse 10 (15A) fuse.

Is the installation complete?

--

Go to Step 1

--

36

Repair the short to ground in CKT 341.

Is the repair complete?

--

Go to Step 21

--

37

Reinstall the fuse block Fuse 13 (5A) fuse.

Is the installation complete?

--

Go to Step 1

--

38

The malfunction is intermittent or not present at this time.

Is the action complete?

--

Go to Diagnostic Aids

--

39

Replace the EBCM.

Is the repair complete?

--

Go to Step 1

--

40

Refer to Diagnostic Aids for additional information regarding this condition.

Is the action complete?

--

Go to Diagnostic Aids

--

41

Review the Enhanced Diagnostics Information within this section.

Is the action complete?

--

Go to Diagnostic Aids

--