GM Service Manual Online
For 1990-2009 cars only
Makes
🢒
Chevrolet
🢒
1998
🢒
Monte Carlo
🢒
Brakes
🢒
Antilock Brake System
🢒 Antilock Brake System Schematics
Figure
1:
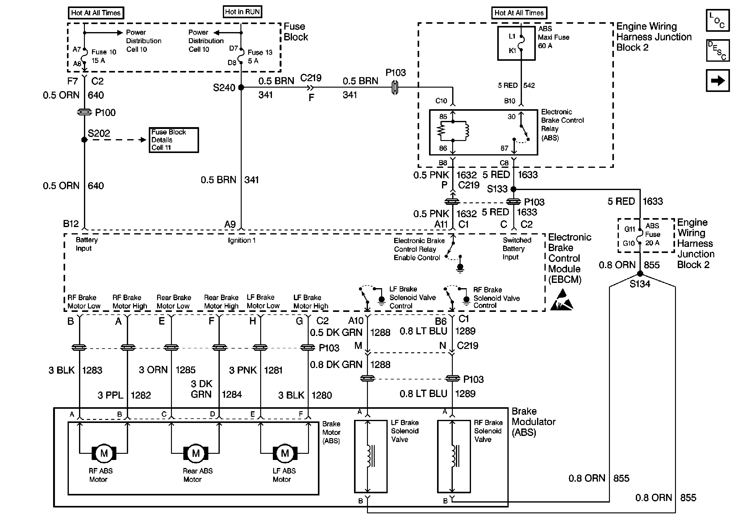
Power, EBCM, Brake Modulator
ABS Components
ABS/TCS System Description
Power, Ground, Instrument Cluster, DLC, PCM
Handling ESD Sensitive Parts Notice
Figure
2:
Power, Ground, Instrument Cluster, DLC, PCM
ABS Components
ABS/TCS System Description
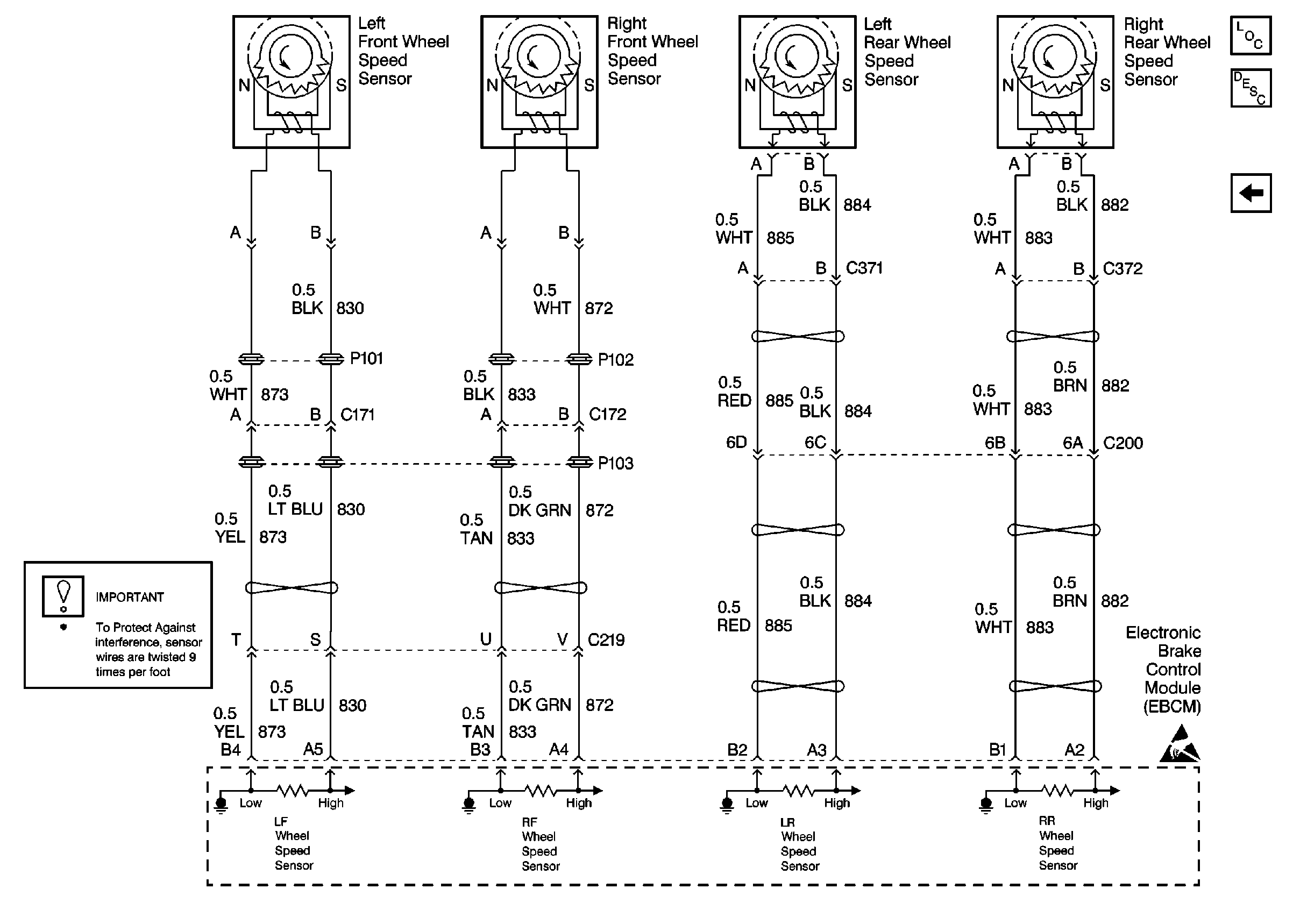
EBCM, Wheel Speed Sensors
Power, EBCM, Brake Modulator
OBD II Symbol Description Notice
Handling ESD Sensitive Parts Notice
Handling ESD Sensitive Parts Notice
Handling ESD Sensitive Parts Notice
Figure
3:
EBCM, Wheel Speed Sensors
ABS Components
ABS/TCS System Description
Power, Ground, Instrument Cluster, DLC, PCM
Handling ESD Sensitive Parts Notice