GM Service Manual Online
For 1990-2009 cars only
Makes
🢒
Chevrolet
🢒
1998
🢒
Monte Carlo
🢒
Body and Accessories
🢒
Keyless Entry
🢒 Keyless Entry Schematics
Figure
1:
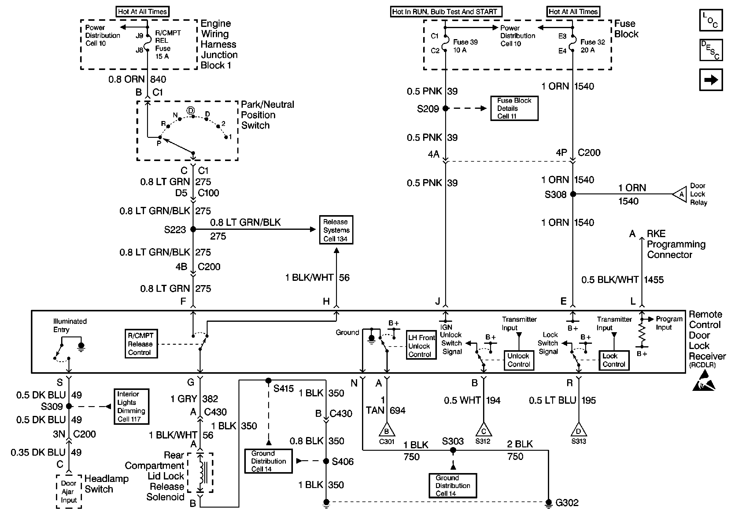
Cell 132: Power, Transaxle Range Switch, RCDLR, Headlamp Switch, Rear Compartment Lid Release Solenoid
Handling ESD Sensitive Parts Notice
Fuse Block Schematics
Ground Distribution Schematics
Ground Distribution Schematics
Interior Lights Dimming Schematics
Power Distribution Schematics
Power Distribution Schematics
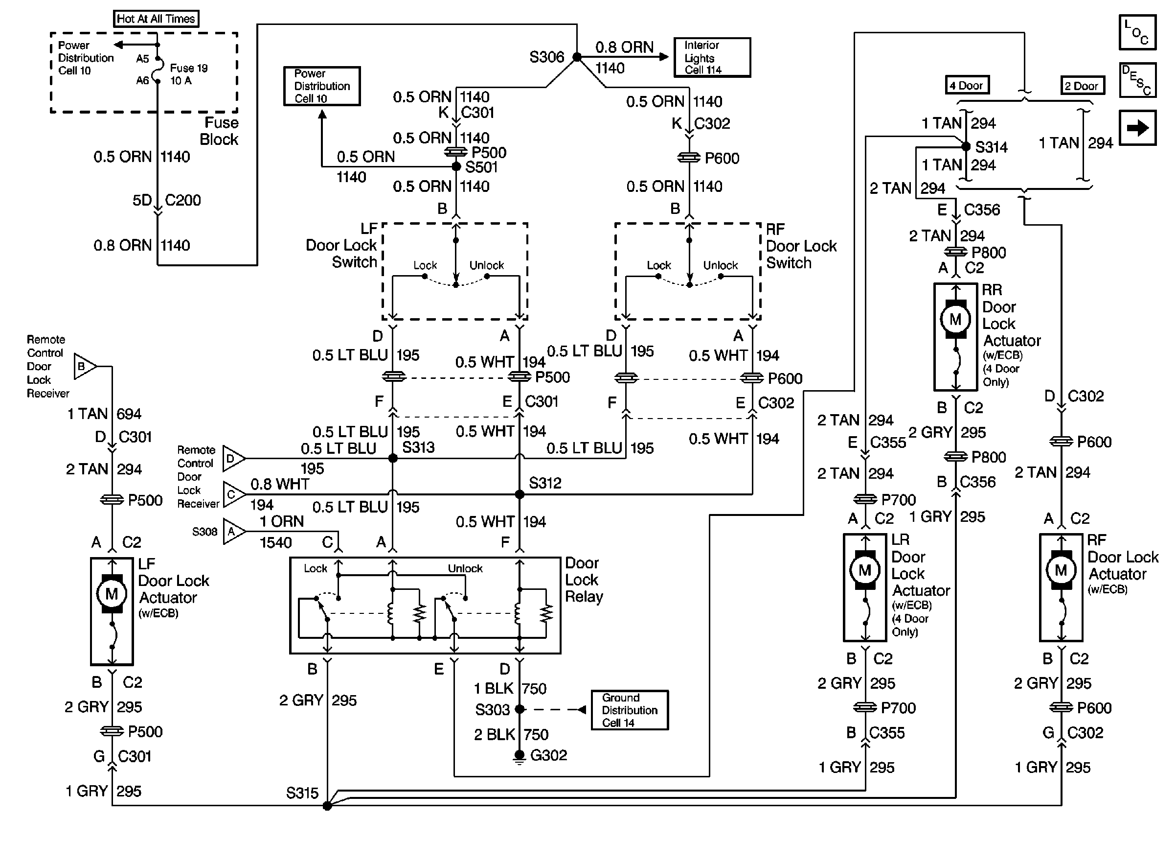
Cell 132: Power, Door Lock Switches/Actuator/Relay, Ground
Cell 132: Power, Door Lock Switches/Actuator/Relay, Ground
Cell 132: Power, Door Lock Switches/Actuator/Relay, Ground
Cell 132: Power, Door Lock Switches/Actuator/Relay, Ground
Cell 132: Power, Door Lock Switches/Actuator/Relay, Ground
Release Systems Schematics
Keyless Entry Components
Keyless Entry System Circuit Description
Figure
2:
Cell 132: Power, Door Lock Switches/Actuator/Relay, Ground
Keyless Entry Components
Keyless Entry System Circuit Description
Cell 132: Power, Transaxle Range Switch, RCDLR, Headlamp Switch, REAR COmPARTMent Lid Release Solenoid
Ground Distribution Schematics
Power Distribution Schematics
Power Distribution Schematics
Interior Lights Schematics
Cell 132: Power, Transaxle Range Switch, RCDLR, Headlamp Switch, REAR COmPARTMent Lid Release Solenoid
Cell 132: Power, Transaxle Range Switch, RCDLR, Headlamp Switch, REAR COmPARTMent Lid Release Solenoid
Cell 132: Power, Transaxle Range Switch, RCDLR, Headlamp Switch, REAR COmPARTMent Lid Release Solenoid
Cell 132: Power, Transaxle Range Switch, RCDLR, Headlamp Switch, REAR COmPARTMent Lid Release Solenoid