GM Service Manual Online
For 1990-2009 cars only
Makes
🢒
Chevrolet
🢒
1998
🢒
Monte Carlo
🢒
Body and Accessories
🢒
Theft Deterrent
🢒 Theft Deterrent System Schematics
Figure
1:
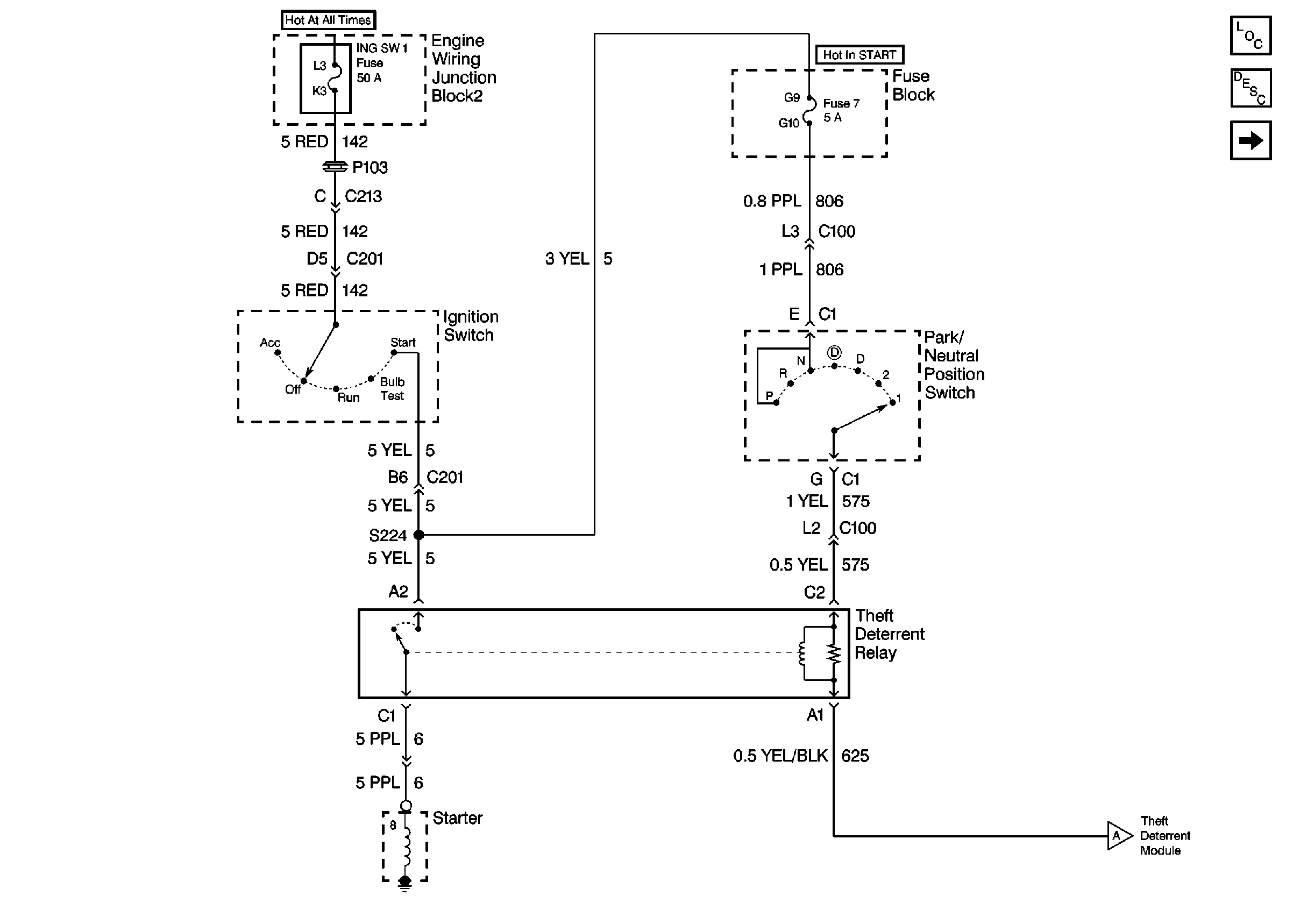
Cell 133: Power, Ignition Switch, Transaxle Range Switch, Theft Deterrent Relay
Theft Deterrent System Components
Vehicle Theft Deterrent (VTD)Circuit Description
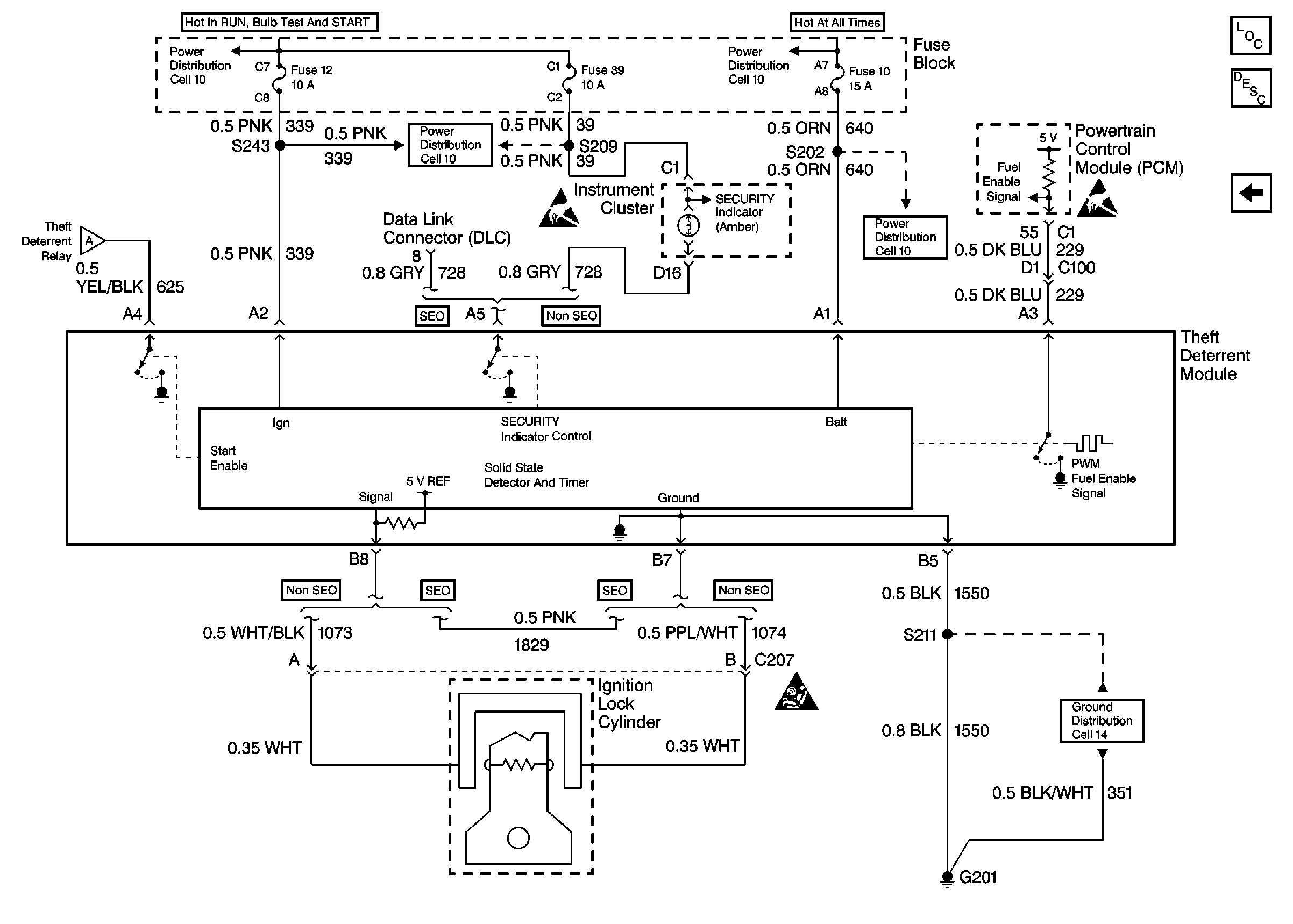
Cell 133: Power, PCM, Instrument Cluster, Theft Deterrent Module, Ignition Lock Cylinder
Cell 133: Power, PCM, Instrument Cluster, Theft Deterrent Module, Ignition Lock Cylinder
Figure
2:
Cell 133: Power, PCM, Instrument Cluster, Theft Deterrent Module, Ignition Lock Cylinder
Cell 133: Power, Ignition Switch, Transaxle Range Switch, Theft Deterrent Relay
Cell 133: Power, Ignition Switch, Transaxle Range Switch, Theft Deterrent Relay
Theft Deterrent System Components
Vehicle Theft Deterrent (VTD)Circuit Description
Handling ESD Sensitive Parts Notice
Handling ESD Sensitive Parts Notice
SIR Caution
Ground Distribution Schematics
Power Distribution Schematics
Power Distribution Schematics
Power Distribution Schematics
Power Distribution Schematics