GM Service Manual Online
For 1990-2009 cars only

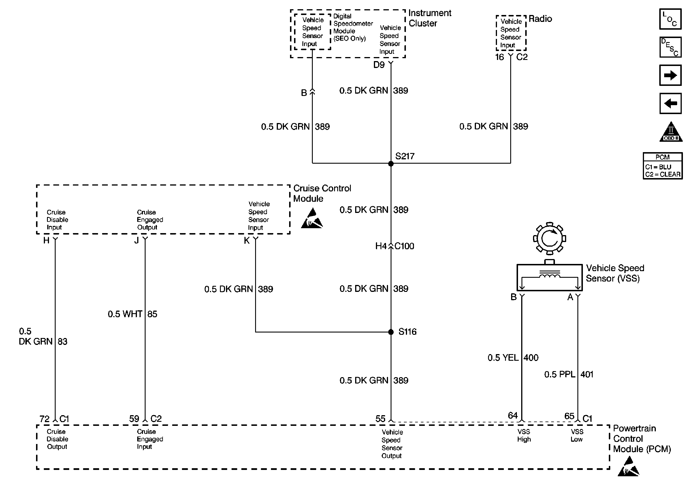
VSS, Cruise

VSS, Cruise


Object Number: 198024  Size: FS