GM Service Manual Online
For 1990-2009 cars only

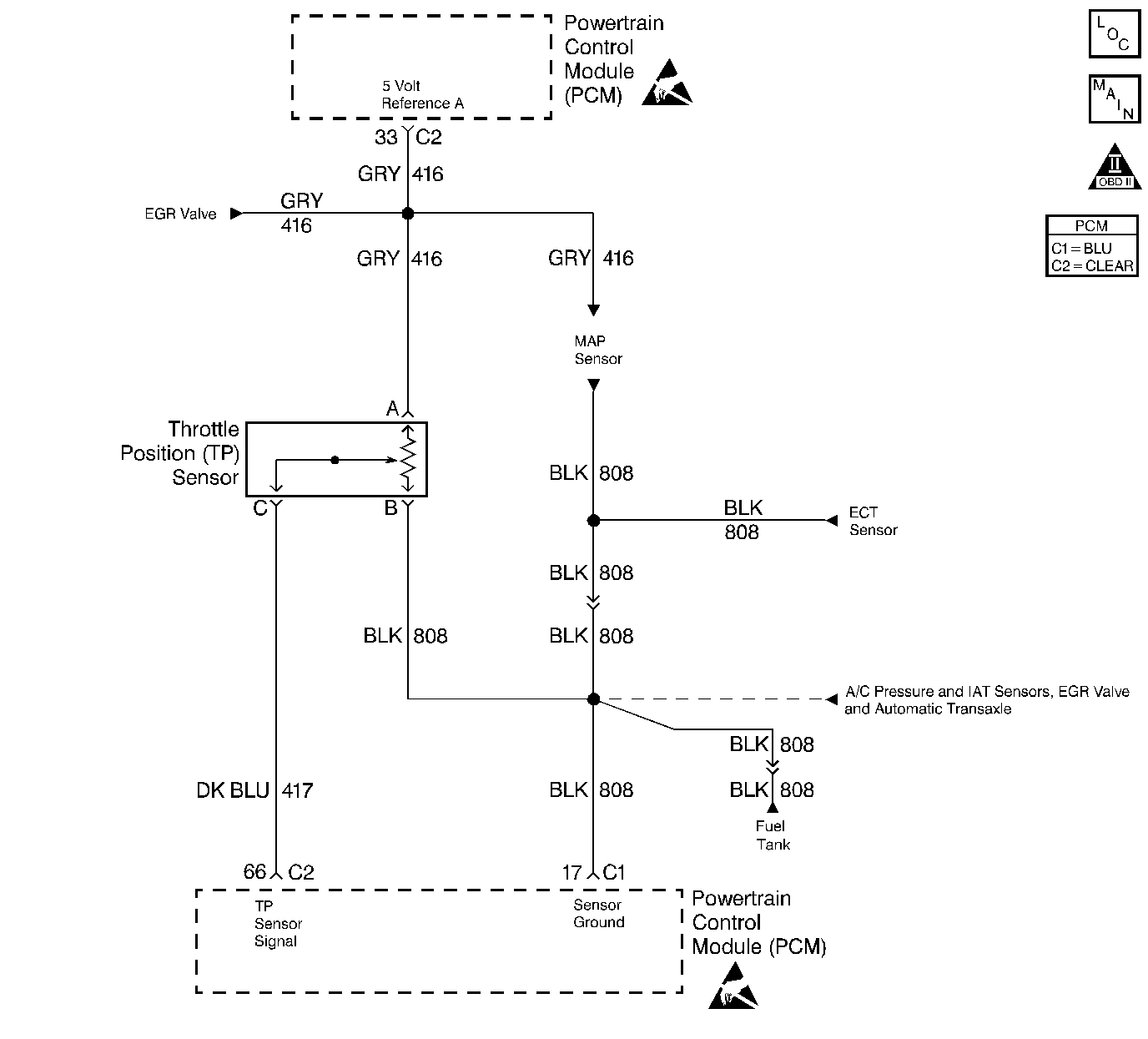
Object Number: 235394  Size: LF
Engine Controls Components
Engine Data Sensors-A/C Refrig Press, TP, MAP, ECT, IAT
OBD II Symbol Description Notice
Handling ESD Sensitive Parts Notice
Handling ESD Sensitive Parts Notice

Circuit Description

The Throttle Position (TP) Sensor circuit provides a voltage signal that changes relative to throttle blade angle. The signal voltage will vary from below 1.0 volt at closed throttle to above 4.0 volts at Wide Open Throttle (WOT).

The TP signal is one of the most important inputs used by the PCM for fuel control and most of the PCM controlled outputs.

Conditions for Running the DTC

The engine is running.

Conditions for Setting the DTC

    •  TP sensor signal voltage is less than 0.1 volts.
    •  The above condition is present for at least 10 seconds.

Action Taken When the DTC Sets

    • The PCM will illuminate the malfunction indicator lamp (MIL) during the second consecutive trip in which the diagnostic test has been run and failed.
    • The PCM will store conditions which were present when the DTC set as Freeze Frame and Failure Records data.

Conditions for Clearing the MIL/DTC

    • The PCM will turn OFF the MIL during the third consecutive trip in which the diagnostic has been run and passed.
    • The History DTC will clear after 40 consecutive warm-up cycles have occurred without a malfunction.
    • The DTC can be cleared by using the scan tool.

Diagnostic Aids

Check for the following conditions:

    •  Poor connection at PCM. Inspect harness connectors for backed out terminals, improper mating, broken locks, improperly formed or damaged terminals, and poor terminal to wire connection. Refer to Intermittents and Poor Connections Diagnosis , Repairing Connector Terminals and Connector Repairs in Wiring Systems.
    •  Damaged harness. Inspect the wiring harness for damage. If the harness appears to be OK, observe the throttle position display on the scan tool while moving connectors and wiring harnesses related to the TP sensor. A change in the display will indicate the location of the fault. Refer to Wiring Repairs in Wiring Systems.

If DTC P0122 cannot be duplicated, the information included in the Fail Records data can be useful in determining vehicle mileage since the DTC was last set. If it is determined that the DTC occurs intermittently, performing DTC P1122 Throttle Position (TP) Sensor Circuit Intermittent Low Voltage diagnostic may isolate the cause of the fault.

Test Description

The number below refers to the step number on the Diagnostic Table:

  1. This vehicle is equipped with a PCM which utilizes an Electrically Erasable Programmable Read Only Memory (EEPROM). When the PCM is being replaced, the new PCM must be programmed. Refer to Powertrain Control Module Replacement/Programming .

Step

Action

Value(s)

Yes

No

1

Was the Powertrain On Board Diagnostic (OBD) System Check performed?

--

Go to Step 2

Go to Powertrain On Board Diagnostic (OBD) System Check

2

  1. Turn the ignition ON, and leave the engine OFF.
  2. With the throttle closed, observe the TP Sensor display on the scan tool Eng 1 data list.

Is the TP Sensor below the specified value?

0.16V

Go to Step 4

Go to Step 3

3

  1. Turn the ignition ON, and leave the engine OFF.
  2. Review and record scan tool Fail Records data.
  3. Operate vehicle within Fail Records conditions as noted.
  4. Using a scan tool, monitor SPECIFIC DTC info for DTC P0122.

Does scan tool indicate DTC P0122 failed?

--

Go to Step 4

Go to Diagnostic Aids

4

  1. Disconnect the TP sensor electrical connector.
  2. Jumper the 5 volt reference A circuit and the TP signal together at the TP sensor harness connector.
  3. Observe the TP Sensor display on the scan tool.

Is TP Sensor at the specified value?

5.0V

Go to Step 10

Go to Step 5

5

  1. Connect a test light between ignition positive voltage and the TP sensor signal circuit at the TP sensor harness connector.
  2. Observe the TP Sensor display on the scan tool.

Is TP Sensor at the specified value?

5.0V

Go to Step 6

Go to Step 8

6

  1. Turn the ignition OFF.
  2. Disconnect the PCM and check the 5 volt reference A circuit for an open or short to ground.
  3. If the 5 volt reference A circuit is open or shorted to ground, repair it as necessary. Refer to Wiring Repairs in Wiring Systems.

Was the 5 volt reference A circuit open or shorted to ground?

--

Go to Step 13

Go to Step 7

7

Check the 5 volt reference A circuit for a faulty connection at the PCM and replace terminal if necessary. Refer to Connector Repairs in Wiring Systems.

Did the terminal require replacement?

--

Go to Step 13

Go to Step 12

8

  1. Turn the ignition OFF.
  2. Disconnect the PCM, and check the TP signal circuit for an open, short to ground, or short to the sensor ground circuit.
  3. If the TP sensor signal circuit is open or shorted to ground, repair it as necessary. Refer to Wiring Repairs in Wiring Systems.

Was the TP signal circuit open or shorted to ground?

--

Go to Step 13

Go to Step 9

9

Check the TP sensor signal circuit for a faulty connection at the PCM and replace terminal if necessary. Refer to Connector Repairs in Wiring Systems.

Did the terminal require replacement?

--

Go to Step 13

Go to Step 12

10

Check the TP sensor signal circuit for a faulty connection at the TP sensor and replace terminal if necessary. Refer to Connector Repairs in Wiring Systems.

Did the terminal require replacement?

--

Go to Step 13

Go to Step 11

11

Replace the TP sensor. Refer to Throttle Position Sensor Replacement .

Did you complete the repair?

--

Go to Step 13

--

12

Replace the PCM.

Important: :  Replacement PCM must be programmed. Refer to Powertrain Control Module Replacement/Programming .

Is Action Complete?

--

Go to Step 13

--

13

  1. Review and record scan tool Fail Records data.
  2. Clear DTCs.
  3. Operate vehicle within Fail Records conditions as noted.
  4. Using a scan tool, monitor SPECIFIC DTC info for DTC P0122.

Does scan tool indicate DTC P0122 failed?

--

Go to Step 2

Repair complete