GM Service Manual Online
For 1990-2009 cars only

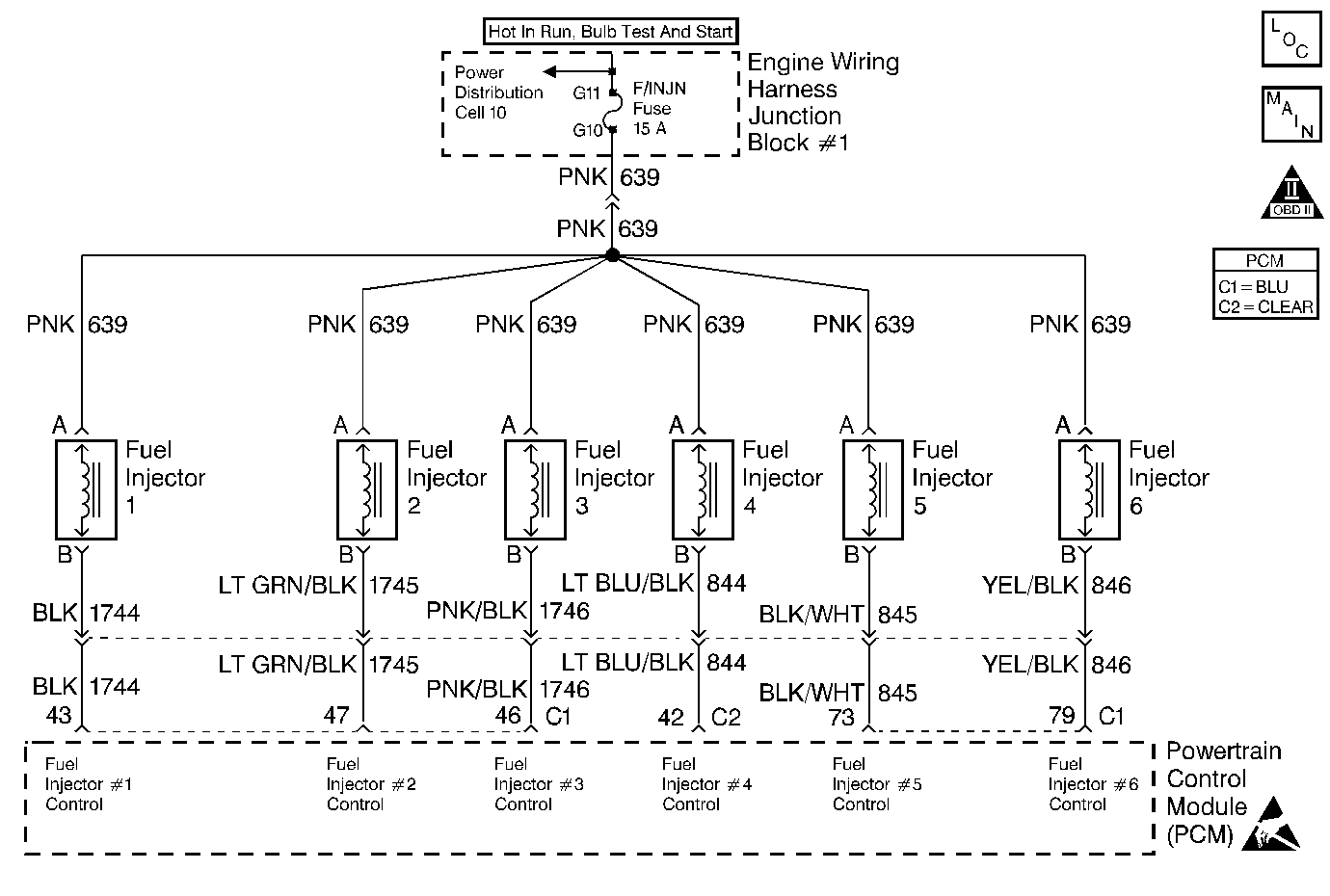
Object Number: 235378  Size: MF
Engine Controls Components
Fuel Injectors
OBD II Symbol Description Notice
Handling ESD Sensitive Parts Notice

Circuit Description

The PCM controls the fuel injector control circuit using a Multi Function Driver (MFD). The MFD has the ability to detect an electrical malfunction. If an electrical malfunction is detected, the MFD signals the PCM to set DTC P0203.

Conditions for Running the DTC

The ignition is on.

Conditions for Setting the DTC

    •  An incorrect voltage level is being detected on an injector driver circuit.
    •  Above condition for over 30 seconds.

Action Taken When the DTC Sets

    • The PCM will illuminate the malfunction indicator lamp (MIL) during the second consecutive trip in which the diagnostic test has been run and failed.
    • The PCM will store conditions which were present when the DTC set as Freeze Frame and Failure Records data.

Conditions for Clearing the MIL/DTC

    • The PCM will turn OFF the MIL during the third consecutive trip in which the diagnostic has been run and passed.
    • The History DTC will clear after 40 consecutive warm-up cycles have occurred without a malfunction.
    • The DTC can be cleared by using the scan tool.

Diagnostic Aids

Monitor the injector fault parameter in the scan tool. Wiggle the electrical harnesses for the effected electrical circuit. If the status changes on the scan tool, that may be an indicator where an intermittent fault may be located.

Check for the following conditions:

    •  Poor connection at PCM. Inspect harness connectors for backed out terminals, improper mating, broken locks, improperly formed or damaged terminals, and poor terminal to wire connection. Refer to Intermittents and Poor Connections Diagnosis , Repairing Connector Terminals and Connector Repairs in Wiring Systems.
    •  Damaged harness. Inspect the wiring harness for damage. If the harness appears to be OK, observe the display on the scan tool while moving connectors and wiring harnesses related to the circuit. Refer to Wiring Repairs in Wiring Systems.

Reviewing the Fail Records vehicle mileage since the diagnostic test last failed may help determine how often the condition that caused the DTC to be set occurs. This may assist in diagnosing the condition.

Test Description

The number(s) below refer to the step number(s) on the diagnostic table.

  1. If the scan tool indicates STUCK HIGH there is a short to battery positive voltage on the fuel injector driver circuit.

  2. If the scan tool indicates STUCK LOW there is an open or a short to ground on the fuel injector driver circuit.

  3. When the 10-way fuel injector connector is disconnected, DTCs P0107 and P1107 will be set. There DTCs should be disregarded.

    If the scan tool indicates a STUCK HIGH while cranking, the short to battery positive voltage is between the 10-way connector and the PCM. If the scan tool indicates STUCK LOW while cranking the short to battery positive voltage is between the 10-way connector and the fuel injector.

    Important: While cranking the engine with the 10-way fuel injector connector disconnected, all of the other injector circuits will indicate STUCK LOW, this is a fault induced by disconnecting the 10-way. They will resume correct operation when the 10-way connector is reconnected.

  4. This step is checking for a short to ground in the circuit.

  5. The fuel injector in this circuit will need to be checked after the short to ground is repaired or after the PCM is replaced.

  6. This step is checking the function of the PCM. If the test lamp flashes then the PCM is able to supply the ground.

  7. This vehicle is equipped with a PCM which utilizes an Electronically Erasable Programmable Read Only Memory (EEPROM). When the PCM is being replaced, the new PCM must be programmed. Refer to Powertrain Control Module Replacement/Programming .

Step

Action

Value(s)

Yes

No

1

Was the Powertrain On-Board Diagnostic (OBD) System Check performed?

Go to Step 2

Go to Powertrain On Board Diagnostic (OBD) System Check

2

With the engine idiling monitor specific DTC P0203 on the scan tool.

Does scan tool indicate DTC P0203 failed this ign?

Go to Step 4

Go to Step 3

3

  1. Turn the Ignition ON.
  2. Review and record scan tool fail records data.
  3. Operate the vehicle in fail conditions.

Does scan tool indicate P0203 failed this ign?

 

Go to Step 4

Refer to Diagnostic Aids

4

Using the scan tool, enter output driver data menu.

Does scan tool indicate cylinder number 3 injector circuit is STUCK HIGH?

 

Go to Step 6

Go to Step 5

5

Does the scan tool indicate cylinder number 3 injector circuit is STUCK LOW?

 

Go to Step 10

Refer to Diagnostic Aids

6

Important: While cranking the engine with the 10-way fuel injector connector disconnected, all of the other injector circuits will indicate Stuck Low, this is a fault induced by disconnecting the 10-way. They will resume correct operation when the 10-way connector is reconnected.

  1. Turn the ignition OFF.
  2. Disconnect the 10-way fuel injector connector.
  3. Crank the engine

While cranking engine, does the scan tool indicate cylinder number 3 injector circuit is STUCK HIGH?

 

Go to Step 7

Go to Step 9

7

  1. Turn OFF the ignition.
  2. Disconnect the PCM.
  3. Turn ON the ignition, leaving the engine OFF.
  4. Measure the voltage between cylinder number 3 fuel injector control circuit and ground.

Does cylinder number 3 injector control circuit measure near specified value?

B+

Go to Step 8

Go to Step 15

8

Locate and repair short to voltage in cylinder number 3 fuel injector control circuit. Refer to Wiring Repairs in Wiring Systems.

Is action complete?

 

Go to Step 16

--

9

Did the scan tool indicate the number 3 injector control circuit is STUCK LOW?

 

Go to Fuel Injector Solenoid Coil Test - Engine Coolant Temperature Between 10-35 Degrees C (50-95 Degrees F) or Fuel Injector Solenoid Coil Test - Engine Coolant Temperature Outside 10-35 Degrees C (50-95 Degrees F)

--

10

  1. Disconnect 10-way fuel injector harness connector.
  2. Connect test lamp to battery positive voltage and the PCM side of 10-way connector injector control circuit for cylinder number 3.

Is the test lamp ON?

 

Go to Step 11

Go to Step 12

11

  1. Disconnect the PCM.
  2. With the test lamp still connected to battery positive voltage and PCM side of 10-way connector cylinder number 3 injector driver circuit.

Is the test lamp ON?

 

Go to Step 14

Go to Step 15

12

With the test lamp still connected, crank the engine.

Does the test lamp flash?

 

Go to Fuel Injector Solenoid Coil Test - Engine Coolant Temperature Between 10-35 Degrees C (50-95 Degrees F) or Fuel Injector Solenoid Coil Test - Engine Coolant Temperature Outside 10-35 Degrees C (50-95 Degrees F)

Go to Step 13

13

Check cylinder number 3 injector driver circuit between the 10-way fuel injector connector and the PCM for an open circuit. If a problem is found repair as necessary. Refer to Wiring Repairs in Wiring Systems.

Was a problem found?

 

Go to Step 16

--

14

Locate and repair short to ground in the fuel injector driver circuit between the PCM and the 10-Way fuel injector connector.

Is action complete?

 

Go to step 16

--

15

Replace the PCM.

Important: The replacement PCM must be programmed. Refer to Powertrain Control Module Replacement/Programming

Is action complete?

 

Go to step 16

--

16

  1. Turn ON the ignition switch, leaving the engine OFF.
  2. Review and record scan tool Fail Records data.
  3. Clear the DTCs.
  4. Operate the vehicle within the Fail Records conditions.
  5. Using a scan tool, monitor Specific DTC info for DTC P0203.

Does the scan tool indicate DTC P0203 failed this ign?

 

Go to Step 2

System OK