GM Service Manual Online
For 1990-2009 cars only

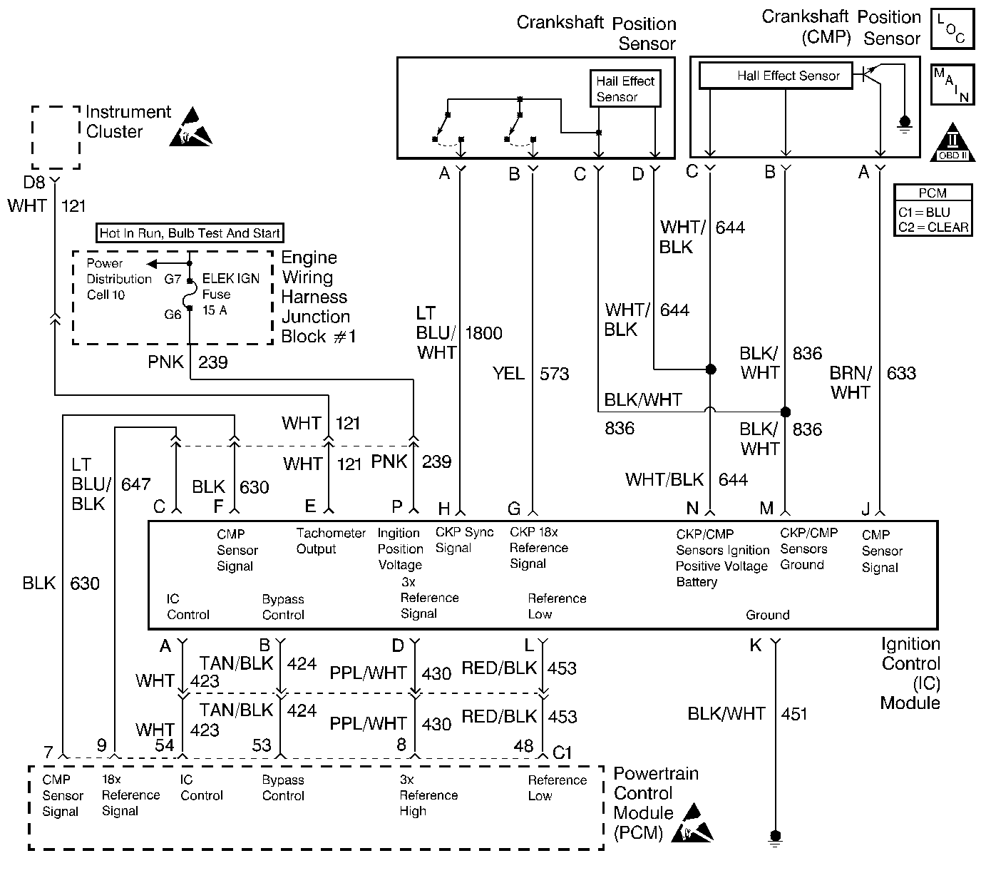
Object Number: 237061  Size: LF
Engine Controls Component Views
Ignition System, Knock Sensor
OBD II Symbol Description Notice
Handling ESD Sensitive Parts Notice
Handling ESD Sensitive Parts Notice

Circuit Description

The 18X reference signal is produced by the ignition control module. The ICM calculates the 18X reference signal by filtering the Crankshaft Position (CKP) sensor 18X pulses when the engine is running and CKP sync pulses are also being received. The PCM uses the 18X reference signal to calculate engine RPM and crankshaft position at engine speeds below 1200 RPM. The PCM constantly monitors the number of pulses on the 18X reference circuit and compares the number of 18X reference pulses to the number of 3 X reference pulses and CAM signal pulses being received. If the PCM receives an incorrect number of pulses on the 18X reference circuit, DTC P0336 will set and the PCM will use the 3X reference signal circuit for fuel and ignition control. The engine will continue to start and run using the 3X reference and CAM signals only.

Conditions for Running the DTC

The engine is running (3X reference pulses are being received).

Conditions for Setting the DTC

    • The ratio of 18X reference pulses to 3X reference pulses received by the PCM does not equal 6 to 1.
    • The ratio of 3X reference pulses to CAM signal pulses received by the PCM equals 6 to 1.
    • The conditions are present for more than 10 seconds.

Action Taken When the DTC Sets

    • The PCM will illuminate the MIL during the second consecutive trip in which the diagnostic test has been run and failed.
    • The PCM will store conditions which were present when the DTC set as Freeze Frame and Fail Records data.

Action Taken When the DTC Sets

    • The PCM will illuminate the MIL during the second consecutive trip in which the diagnostic test has been run and failed.
    • The PCM will use the 3X reference signal circuit for fuel and ignition control.
    • If equipped with traction control, the PCM will command the EBTCM via serial data to set an ABS/TCS DTC, the EBTCM will turn OFF traction control, and the EBTCM will illuminate the TRACTION OFF lamp.
    • The PCM will store conditions which were present when the DTC set as Freeze Frame and Fail Records data.

Diagnostic Aids

An intermittent may be caused by a poor connection, rubbed through wire insulation or a wire broken inside the insulation. Check for the following conditions:

    • Poor connection.
        Inspect the PCM harness and connectors for improper mating, broken locks, improperly formed or damaged terminals, and poor terminal to wire connection.
    • Damaged harness.
        Inspect the wiring harness for damage. If the harness appears to be OK, disconnect the PCM, turn the ignition on and observe a voltmeter connected to the 18X reference circuit at the PCM harness connector while moving connectors and wiring harnesses related to the ICM. A change in voltage will indicate the location of the malfunction.
    • Misrouted wiring harness.
        Inspect the ICM harness to ensure that it is not routed near secondary ignition components.
    • Malfunctioning Ignition Coil.
        Remove the ignition coils and inspect the ignition control module and coils for cracks, carbon tracking, or other signs that indicate that the coil secondary circuit is arcing to the ICM or ICM wiring harness. Refer to Ignition Coil Replacement .
    • Secondary ignition wire(s) arcing to wiring harness.
        Check secondary ignition wires for carbon tracking or other signs of damage.

Reviewing the Fail Records vehicle mileage since the diagnostic test last failed may help determine how often the condition that caused the DTC to be set occurs. This may assist in diagnosing the condition.

Test Description

The numbers below refer to the step numbers on the diagnostic table.

  1. This vehicle is equipped with a PCM which utilizes an Electrically Erasable Programmable Read Only Memory (EEPROM). When the PCM is being replaced, the new PCM must be programmed.

DTC P0336 - 18X Reference Signal Circuit

Step

Action

Value(s)

Yes

No

1

Did you perform the Powertrain On-Board Diagnostic (OBD) System Check?

--

Go to Step 2

Go to Powertrain On Board Diagnostic (OBD) System Check

2

Attempt to start the engine.

Does the engine start?

--

Go to Step 3

Go to Engine Cranks but Does Not Run

3

  1. Review and record scan tool Fail Records data.
  2. Clear DTC P0336.
  3. Start the engine and idle for 1 minute.
  4. Observe DTCs.

Is DTC P0336 set?

--

Go to Step 4

Go to Diagnostic Aids

4

  1. Turn OFF the ignition switch.
  2. Disconnect the ignition control module.
  3. Disconnect the PCM.
  4. Check for an open or a short to ground in the 18X reference circuit between the ignition control module harness connector and the PCM harness connector.
  5. If a problem is found, repair as necessary. Refer to Wiring Repairs in Wiring Systems.

Was a problem found?

--

Go to Step 11

Go to Step 5

5

  1. Reconnect the ignition control module.
  2. Connect a J 39200 DMM to measure voltage on the 18X reference circuit at the PCM connector.
  3. Observe the voltage while cranking the engine.

Is voltage near the specified value?

3 V

Go to Step 8

Go to Step 6

6

  1. Check connections at the ignition control module.
  2. If a problem is found, replace terminals as necessary. Refer to Wiring Repairs in Wiring Systems.

Was a problem found?

--

Go to Step 11

Go to Step 7

7

Replace the ignition control module. Refer to Ignition Control Module Replacement .

Did you complete the repair?

--

Go to Step 11

--

8

  1. Check for the following conditions:
  2. • Incorrect harness routing near secondary ignition components.
    • Ignition coil arcing to the wiring harness or to the ignition control module (check ignition coils for cracks, carbon tracking, or other signs of damage). Refer to Ignition Coil Replacement .
    • Secondary ignition wires arcing to the wiring harness. Refer to Spark Plug Wire Harness Replacement in Engine Electrical.
  3. If a problem is found, repair as necessary.

Was a problem found?

--

Go to Step 11

Go to Step 9

9

  1. Check connections at the PCM.
  2. If a problem is found, replace terminals as necessary. Refer to Wiring Repairs in Wiring Systems.

Was a problem found?

--

Go to Step 11

Go to Step 10

10

Important: The replacement PCM must be programmed.

Replace the PCM. Refer to Powertrain Control Module Replacement/Programming .

Did you complete the repair?

--

Go to Step 11

--

11

  1. Review and record scan tool Fail Records data.
  2. Clear DTCs.
  3. Operate the vehicle within Fail Records conditions.
  4. Using a scan tool, monitor Specific DTC info for DTC P0336 until the DTC P0336 test runs.

Does the scan tool indicate DTC P0336 failed this ignition?

--

Go to Step 2

System OK