GM Service Manual Online
For 1990-2009 cars only

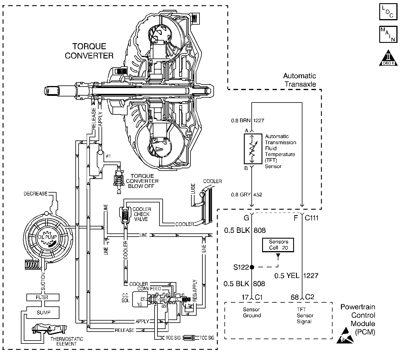
Object Number: 237040  Size: LF
Automatic Transmission Components
Automatic Transmission Controls Schematics
OBD II Symbol Description Notice
Handling ESD Sensitive Parts Notice

Circuit Description

The Automatic Transmission Fluid Temperature (TFT) sensor is a negative coefficient thermistor. When the transmission fluid is cold, the sensor resistance is high. As the transmission fluid warms, the sensor resistance decreases. The TFT range is -40 to +150°C (-40 to +302°F).

The PCM provides a 5 volt reference through a fixed resistor to the TFT circuit, and monitors the voltage after the resistor as the voltage drop (signal) across the TFT circuit.

When the PCM detects a low TFT sensor resistance (high transmission temperature) for an extended period of time, then DTC P0218 sets. DTC P0218 is a type D DTC.

Conditions for Setting the DTC

    • No TFT DTCs P0711, P0712 or P0713.
    • The transmission fluid temperature is greater than 130°C (266°F) for more than 10 minutes.

Action Taken When the DTC Sets

The PCM does not illuminate the Malfunction Indicator Lamp (MIL).

Conditions for Clearing the DTC

A scan tool can clear the DTC from the PCM history. The PCM clears the DTC from the PCM history if the vehicle completes 40 warm-up cycles without a failure reported.

Diagnostic Aids

    • Inspect the wiring at the PCM, the transmission connector and all other circuit connecting points for the following conditions:
       - A bent terminal
       - A backed out terminal
       - A damaged terminal
       - Poor terminal tension
       - A chafed wire
       - A broken wire inside the insulation
       - Moisture intrusion
       - Corrosion
    • Test for a skewd (mis-scaled) TFT Sensor by checking resistance at various temperature levels, and comparing to the Temperature vs Resistance Table.
    • When diagnosing for an intermittent short or open condition, massage the wiring harness while watching the test equipment for a change.
    • Inspect the transmission cooling system for blockage and restrictions.

Test Description

The numbers below refer to the step numbers on the diagnostic table.

  1. This step determines if an electrical condition exists.

  2. This step checks the TFT Sensor against the Temperature vs Resistance Chart.

DTC P0218 Transmission Fluid Overtemperature

Step

Action

Value(s)

Yes

No

1

Was the Powertrain On-Board Diagnostic (OBD) System Check performed?

--

Go to Step 2

Go to Powertrain On Board Diagnostic (OBD) System Check

2

Have you performed the Transmission Fluid Checking Procedure?

--

Go to Step 3

Go to Transmission Fluid Check

3

Allow the transmission to cool for at least 45 minutes.

  1. Install the Scan Tool .
  2. With the engine OFF, turn the ignition switch to the RUN position.
  3. Important: Before clearing the DTCs, use the scan tool in order to record the Freeze Frame and Failure Records for reference. The Clear Info function will erase the stored Failure records from the PCM.

  4. Record the Failure Records, then clear the DTCs.
  5. Select Transmission Fluid Temperature on the scan tool.

Is the Transmission Fluid Temperature (TFT) equal to or greater than the specified value?

130°C (266°F)

Go to Step 5

Go to Step 4

4

Inspect for the following conditions:

    • The engine is overheating.
    • The vehicle is overloaded.
    • The fluid is contaminated with antifreeze.
    • The filter is clogged.
    • The filter is not properly seated.
    • Clogged or restricted cooler lines.
    • The radiator is restricted.
    • The vacuum line to the vacuum modulator is restricted or leaking.

Was a condition found and corrected?

--

Go to Step 9

Go to diagnostic Aids

5

Let the transmission cool to ambient temperature.

  1. Disconnect the Automatic Transmission 7-way connector (additional DTCs will set).
  2. Install Jumper Harness J 38835 to the transmission harness connector.
  3. Connect a J 39200 Digital Multimeter (DMM) from terminal F to terminal G using a J 35616-A Connector Test Adapter Kit.

Is the measured resistance within the specified range?

3164-3867 ohms @ 20°C (68°F) (If temperature and resistance are different, refer to Temperature vs Resistance Table

Go to Step 6

Go to Step 8

6

Check circuit 1227 for a possible short to ground.

Was a condition found and corrected?

--

Go to Step 9

Go to Step 7

7

Replace the PCM.

Refer to Powertrain Control Module Replacement/Programming .

Is the replacement complete?

--

Go to Step 9

--

8

Replace the TFT Sensor.

Refer to Fluid Temperature Sensor Replacement .

Is the replacement complete?

--

Go to Step 9

--

9

In order to verify your repair, perform the following procedure:

  1. Using the scan tool, clear DTC information.
  2. Operate the vehicle under the following conditions:
  3. • Turn the ignition switch to the RUN position for at least 5 seconds.
    • The TFT must be less than 129°C (264°F).
  4. Select Specific DTC. Enter DTC P0218.

Has the test run and passed?

--

System OK

Begin the diagnosis again. Go to Step 1