GM Service Manual Online
For 1990-2009 cars only
Makes
🢒
Chevrolet
🢒
1999
🢒
Monte Carlo
🢒
Engine
🢒
Engine Cooling
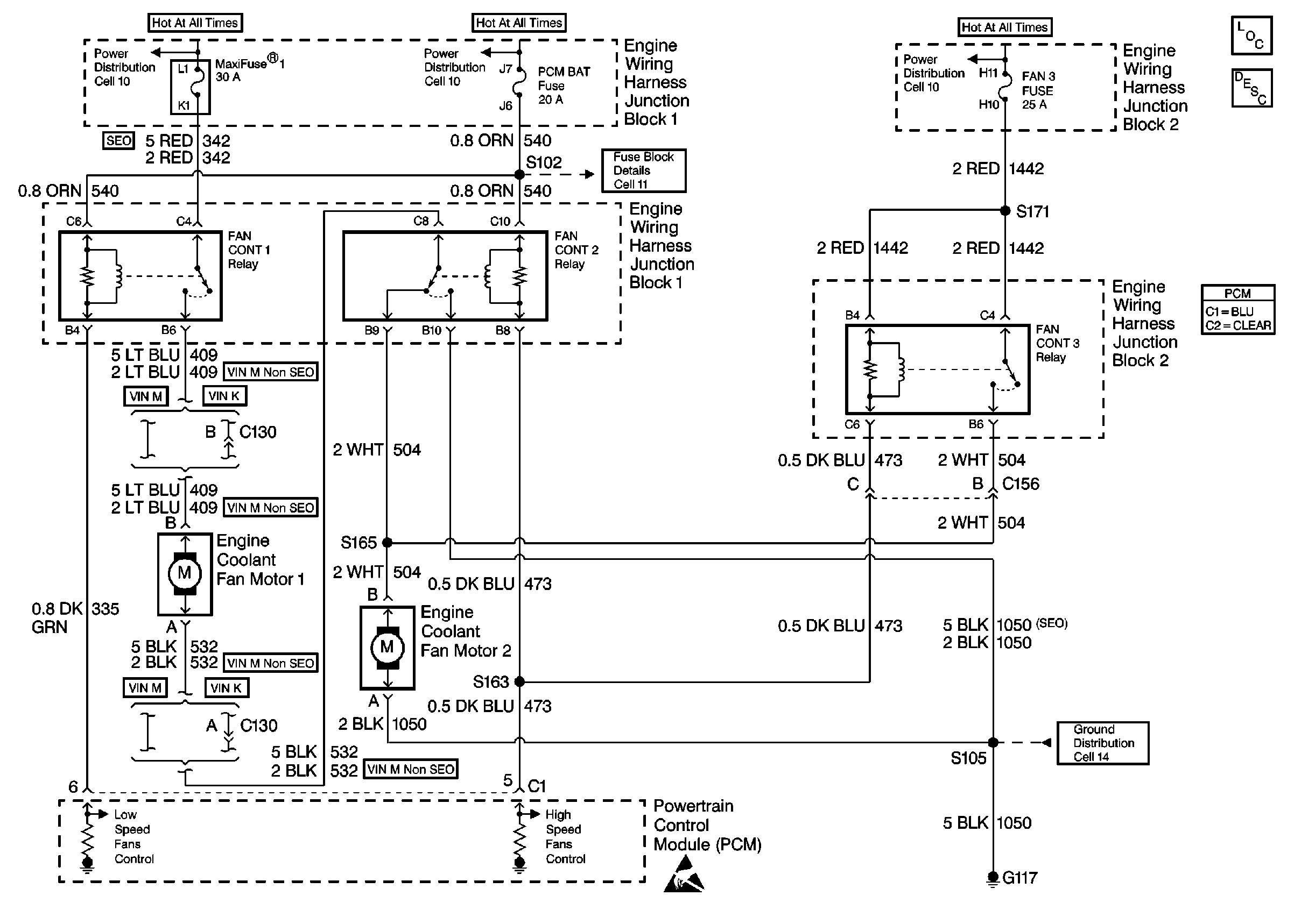
🢒 Cooling Fan Schematics
(Cell 31 )
Cooling System Components
Engine Cooling Fan Description - Electric
Cell 10: Generator, Starter, Fusible Links, MaxiFuse® 1, 2 and4
Cell 10: Generator, Starter, Fusible Links, MaxiFuse® 1, 2 and4
Cell 11: PCM BAT, and R/CMPT REL Fuses
Cell 10: Battery, Fusible Links (SEO), MaxiFuses®: ABS, HD LPS, IGN SW 1, and Fuses: ABS, FAN 3, HORN, PARK LPS
Cell 14: G117
Handling ESD Sensitive Parts Notice