GM Service Manual Online
For 1990-2009 cars only

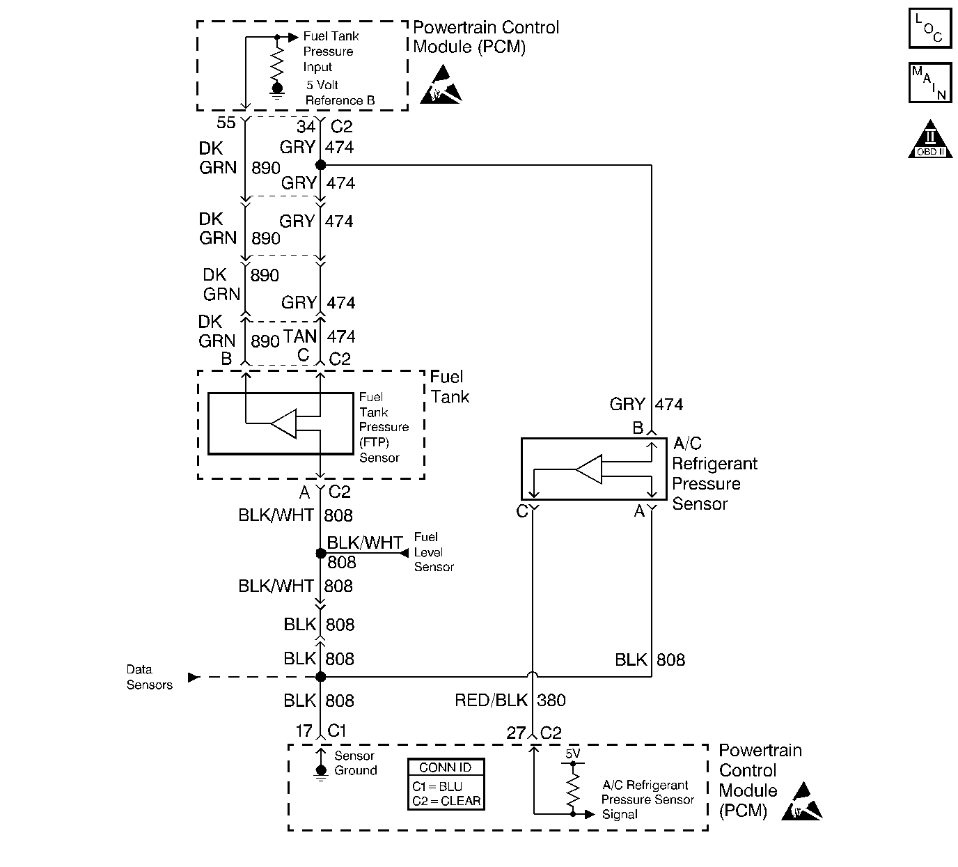
Object Number: 388783  Size: LF

Circuit Description

The A/C system uses an A/C refrigerant pressure sensor mounted in the high pressure side of the A/C refrigerant system to monitor A/C refrigerant pressure. The PCM uses this information to turn on the engine coolant fans when the A/C refrigerant pressure is high and to keep the compressor disengaged when A/C refrigerant pressure is excessively high or low.

The A/C refrigerant pressure sensor operates like other 3-wire sensors. The PCM applies a 5.0 volt reference and a sensor ground to the sensor. Changes in the A/C refrigerant pressure will cause the A/C refrigerant pressure input to the PCM to vary. The PCM monitors the A/C refrigerant pressure signal circuit and can determine when the signal is outside of the possible range of the sensor. When the signal is out of range (high or low) for a prolonged period of time, the PCM will set DTC P0530. When DTC P0530 is set, the PCM will not allow the A/C compressor clutch to engage. This is done to protect the compressor.

Conditions for Running the DTC

    • Engine is running.
    • A/C is requested.

Conditions for Setting the DTC

    •  A/C refrigerant pressure sensor signal voltage is below 0.1 Volts.
    •  A/C refrigerant pressure sensor signal voltage is above 4.94 Volts.

Action Taken When the DTC Sets

    • The PCM will not illuminate the malfunction indicator lamp (MIL).
    • The PCM will store conditions which were present when the DTC set as Failure Records data only. This information will not be stored as Freeze Frame data.

Conditions for Clearing the MIL/DTC

    • A History DTC will clear after 40 consecutive warm-up cycles have occurred without a malfunction.
    • The DTC can be cleared by using the scan tool Clear Info function.

Diagnostic Aids

Check for the following conditions:

    •  Poor connection at PCM. Inspect harness connectors for backed out terminals, improper mating, broken locks, improperly formed or damaged terminals, and poor terminal to wire connection. Refer to Intermittents and Poor Connections Diagnosis and Connector Repairs .
    •  Damaged harness. Inspect the wiring harness for damage. If the harness appears to be OK, observe the A/C pressure display on the scan tool while moving connectors and wiring harnesses related to the A/C refrigerant pressure sensor. A change in the A/C pressure display will indicate the location of the fault. Refer to Wiring Repairs .

If DTC P0530 cannot be duplicated, reviewing the Fail Records vehicle mileage since the diagnostic test last failed may help determine how often the condition that caused the DTC to be set occurs. This may assist in diagnosing the condition.

Test Description

The numbers below refer to the step numbers on the Diagnostic Table:

  1. Normal A/C pressure sensor signal voltage is between 0.1 and 4.8 volts. If A/C voltage is within range, review Fail Records data to determine the conditions that were present when DTC P0530 set.

  2. If the A/C refrigerant pressure signal voltage stays high after disconnecting the A/C refrigerant pressure sensor electrical connector, the signal circuit is shorted to voltage or the PCM is faulty.

  3. This vehicle is equipped with a PCM which utilizes an Electrically Erasable Programmable Read Only Memory (EEPROM). When the PCM is being replaced, the new PCM must be programmed.

Step

Action

Value(s)

Yes

No

1

Was the Powertrain OBD System Check performed?

--

Go to Step 2

Go to Powertrain On Board Diagnostic (OBD) System Check

2

Note the A/C refrigerant pressure sensor voltage.

Is the A/C refrigerant pressure sensor voltage less than the specified value?

0.1V

Go to Step 5

Go to Step 3

3

Is the A/C refrigerant pressure sensor voltage greater than the specified value?

4.8V

Go to Step 4

Go to Diagnostic Aids

4

Disconnect the A/C refrigerant pressure sensor while observing A/C refrigerant pressure sensor voltage on the scan tool.

Does the scan tool indicate voltage near the specified value?

0.0V

Go to Step 12

Go to Step 11

5

  1. Disconnect the A/C refrigerant pressure sensor.
  2. Connect a fused jumper between the terminals for the A/C refrigerant pressure signal circuit and the 5 volt reference B circuit at the A/C refrigerant pressure sensor harness connector.
  3. Observe A/C refrigerant pressure sensor voltage on the scan tool.

Does the scan tool indicate A/C refrigerant pressure sensor voltage near the specified value?

5.0V

Go to Step 16

Go to Step 6

6

Using a J 39200 DMM, measure voltage between the 5 volt reference B circuit and the ground circuit at the A/C refrigerant pressure sensor harness connector.

Is voltage near the specified value?

5.0V

Go to Step 9

Go to Step 7

7

Test for a poor 5 Volt Reference B circuit terminal connection at the PCM. Refer to Wiring Repairs .

Was a problem found?

--

Go to Step 17

Go to Step 8

8

Test for an open or a faulty splice in the 5 Volt Reference B circuit. Refer to Wiring Repairs .

Was a problem found?

--

Go to Step 18

Go to Step 13

9

Test the A/C refrigerant pressure signal circuit for a poor terminal connection at the PCM. Refer to Wiring Repairs .

Was a problem found?

--

Go to Step 17

Go to Step 10

10

Test the A/C refrigerant pressure signal circuit between the A/C refrigerant pressure sensor connector and the PCM for an open or short to ground. Refer to Wiring Repairs .

Was a problem found?

--

Go to Step 18

Go to Step 20

11

Test the A/C refrigerant pressure signal circuit between the A/C pressure sensor connector and the PCM for a short to voltage. Refer to Wiring Repairs .

Was a problem found?

--

Go to Step 18

Go to Step 20

12

Test for a short to voltage on the 5 Volt Reference B circuit. Refer to Wiring Repairs .

Was a problem found?

--

Go to Step 18

Go to Step 13

13

Test for a poor sensor ground circuit terminal connection at the PCM. Refer to Wiring Repairs .

Was a problem found?

--

Go to Step 17

Go to Step 14

14

Test for a poor sensor ground circuit terminal connection at the A/C refrigerant pressure sensor connector.

Was a problem found?

--

Go to Step 17

Go to Step 15

15

Test for an open or a faulty splice in the sensor ground circuit. Refer to Wiring Repairs .

Was a problem found?

--

Go to Step 18

Go to Step 19

16

Test for a poor 5 volt reference B circuit or A/C refrigerant pressure signal circuit terminal connection at the A/C refrigerant pressure sensor. Refer to Wiring Repairs .

Was a problem found?

--

Go to Step 17

Go to Step 19

17

Replace the faulty harness connector terminal. Refer to Wiring Repairs .

Is the action complete?

--

Go to Step 21

--

18

Locate and repair open/short circuit in wiring harness as necessary. Refer to Wiring Repairs .

Is the action complete?

--

Go to Step 21

--

19

Replace the A/C refrigerant pressure sensor. Refer to Air Conditioning (A/C) Refrigerant Pressure Sensor Replacement .

Is the action complete?

--

Go to Step 21

--

20

Replace the PCM.

Important: :  The replacement PCM must be programmed. Refer to Powertrain Control Module Replacement/Programming .

Is the action complete?

--

Go to Step 21

--

21

  1. Clear DTCs.
  2. Note the A/C refrigerant pressure sensor voltage displayed on the scan tool.

Is the A/C refrigerant pressure sensor voltage between the specified values?

0.1V - 4.8V

System OK

Go to Step 2