GM Service Manual Online
For 1990-2009 cars only
Figure 1:

Cell 14: G101, and G102


Object Number: 348962  Size: FS
Power and Grounding Components
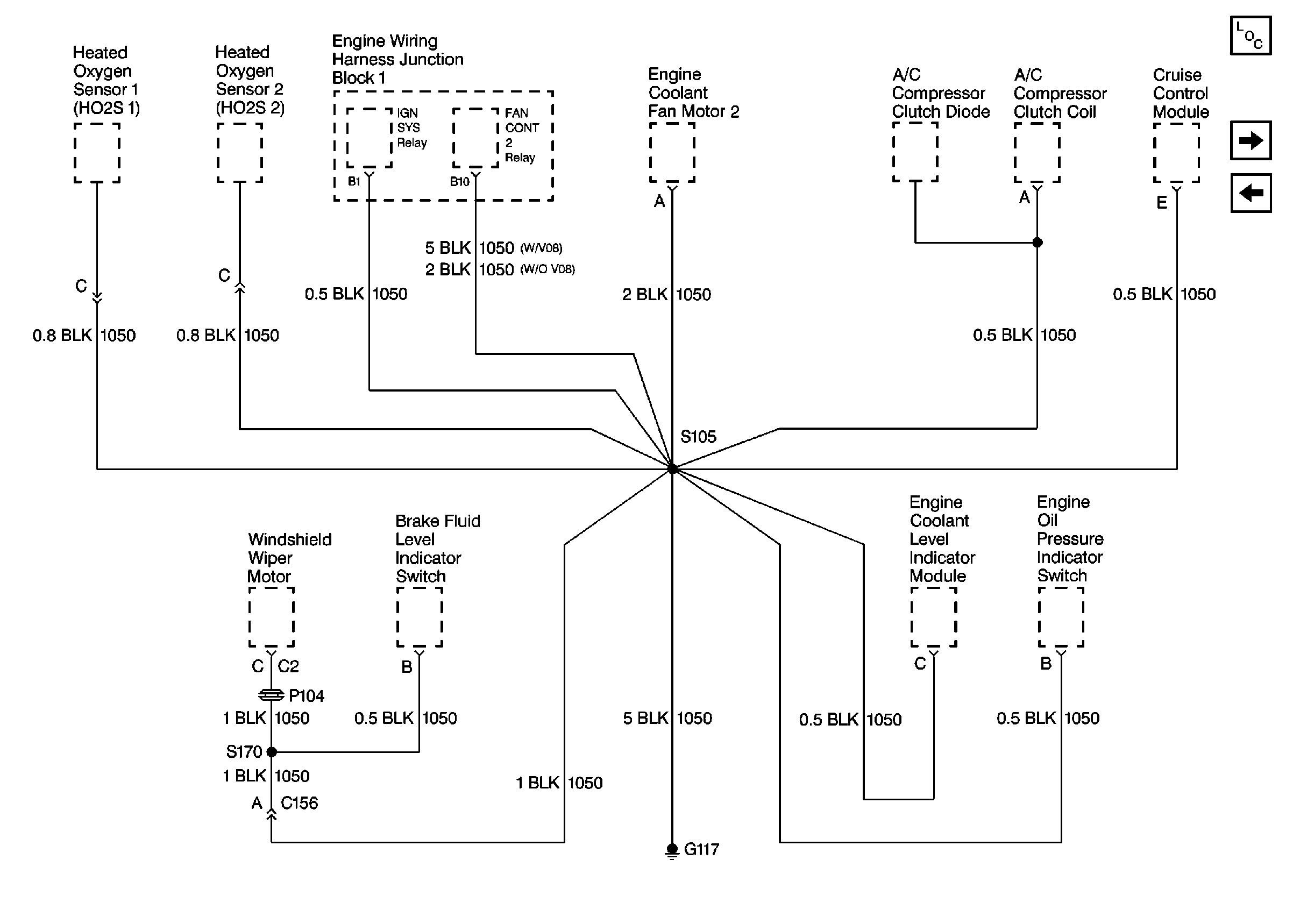
Cell 14: G111 and G113
Cell 14: G111 and G113
Figure 2:

Cell 14: G111 and G113


Object Number: 348967  Size: FS
Power and Grounding Components
Cell 14: G117
Cell 14: G101, and G102
Figure 3:

Cell 14: G117


Object Number: 348969  Size: FS
Power and Grounding Components
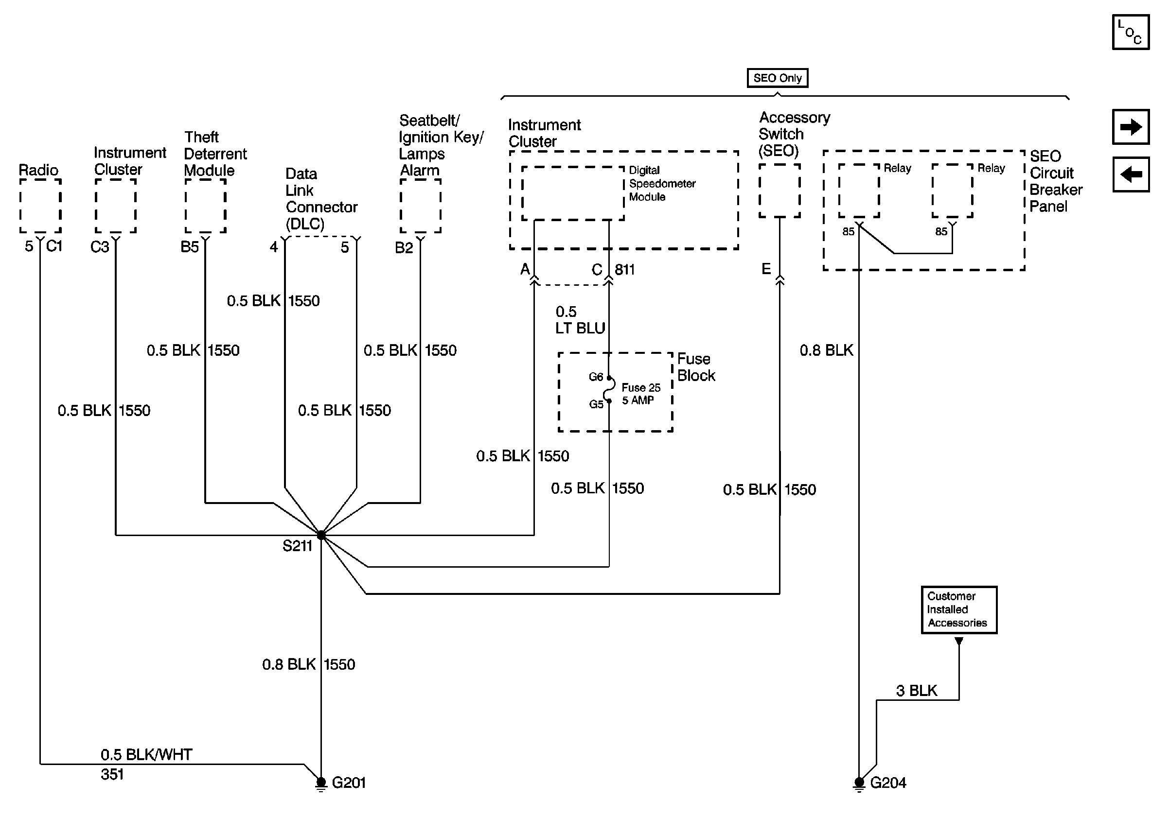
Cell 14: G201 and G204 (SEO)
Cell 14: G111 and G113
Figure 4:

Cell 14: G201 and G204 (SEO)


Object Number: 348971  Size: FS
Power and Grounding Components
Cell 14: G205 (1 of 2)
Cell 14: G117
Cell 18: Passenger Dome Lamp (RPO 6C7) and IGN and Main Power Supply(RPO 6J1)
Figure 5:

Cell 14: G205 (1 of 2)


Object Number: 348974  Size: FS
Power and Grounding Components
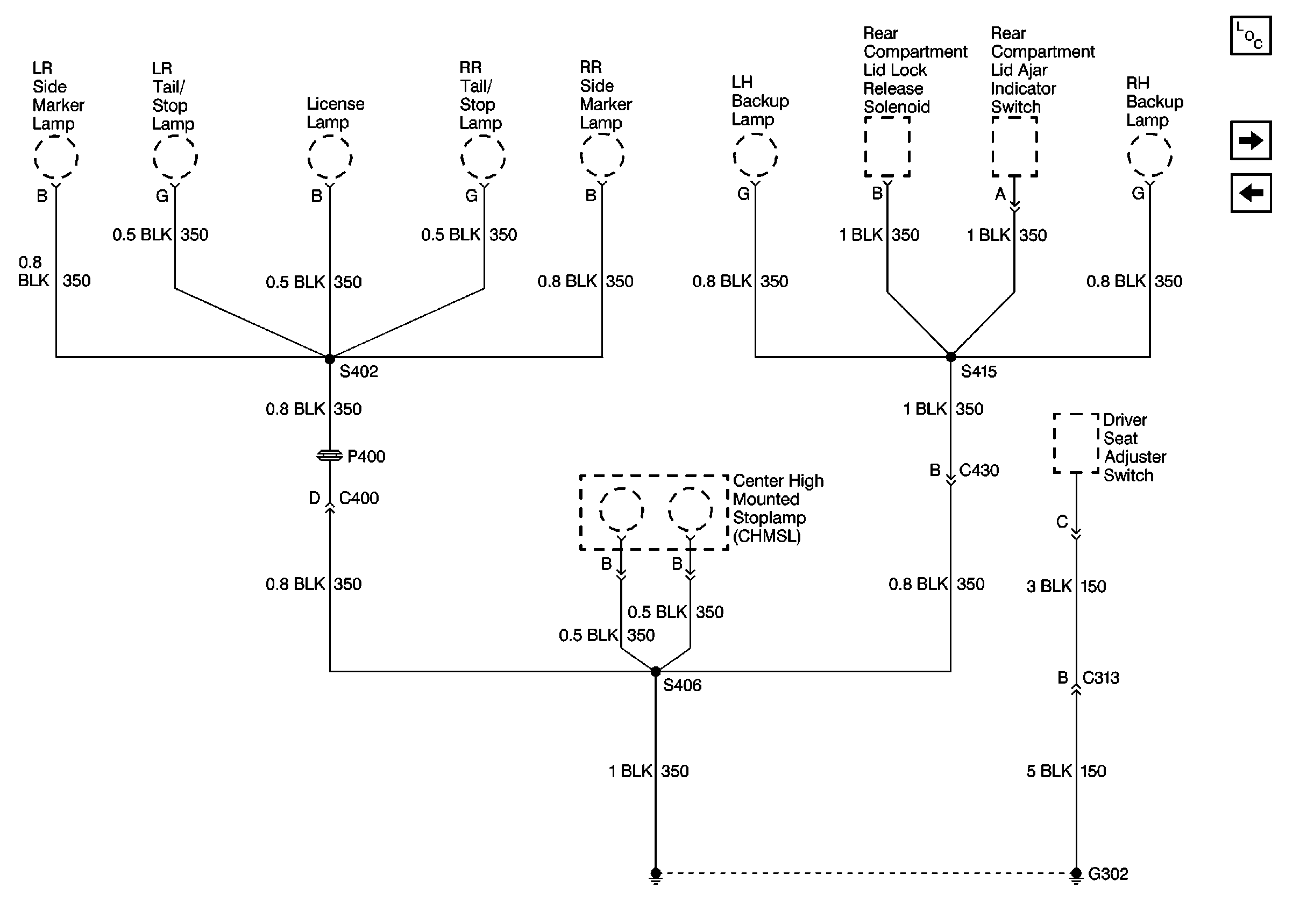
Cell 14: G205 (2 of 2) and G251
Cell 14: G201 and G204 (SEO)
Cell 14: G205 (2 of 2) and G251
Cell 14: G205 (2 of 2) and G251
Cell 14: G205 (2 of 2) and G251
Figure 6:

Cell 14: G205 (2 of 2) and G251


Object Number: 348978  Size: FS
Power and Grounding Components
Cell 14: G302 (1 of 2)
Cell 14: G205 (1 of 2)
Cell 14: G205 (1 of 2)
Cell 14: G205 (1 of 2)
Cell 14: G205 (1 of 2)
Figure 7:

Cell 14: G302 (1 of 2)


Object Number: 348983  Size: FS
Power and Grounding Components
Cell 14: G302 (2 of 2)
Cell 14: G205 (2 of 2) and G251
Figure 8:

Cell 14: G302 (2 of 2)


Object Number: 348986  Size: FS
Power and Grounding Components
Cell 14: G301 and G306 (SEO)
Cell 14: G302 (1 of 2)
Figure 9:

Cell 14: G301 and G306 (SEO)


Object Number: 348989  Size: FS
Power and Grounding Components
Cell 14: G302 (2 of 2)
Figure 10:

Overhead View of Vehicle for Grounding Points


Object Number: 326544  Size: MF
(1)G201 and G251
(2)G302
(3)G301
(4)G205
(5)G101 (Forward Lamp and Battery Ground)
(6)G111 (VIN M), G113 (VIN K and M) and G117 (VIN K)
(7)G117 (VIN M)
(8)G102
(9)G111 (VIN K)
(10)G204 (SEO)
(11)G306 (SEO)