GM Service Manual Online
For 1990-2009 cars only
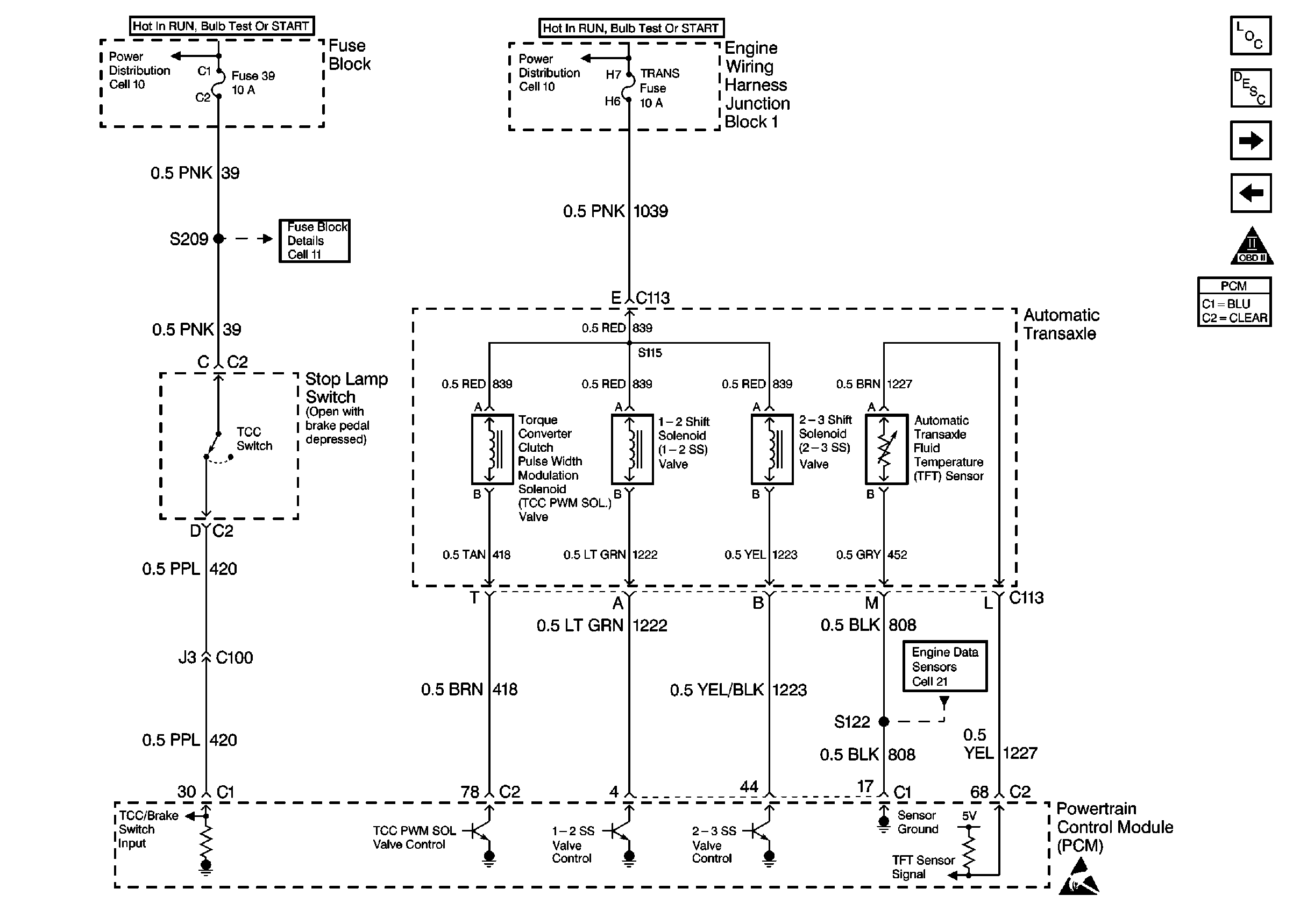
Figure 1:

Cell 39: VSS, Cruise


Object Number: 349002  Size: FS
Automatic Transmission Components
Electronic Component Description
Cell 10: Generator, Starter, Fusible Links, MaxiFuse® 1, 2 and4
Cell 10: Fuses 12, 21, 30, 33, 39, and 42
Handling ESD Sensitive Parts Notice
OBD II Symbol Description Notice
Handling ESD Sensitive Parts Notice
Handling ESD Sensitive Parts Notice
Cell 11: PCM BAT, and R/CMPT REL Fuses
Cell 11: Anti-Theft PCM (12), Air Bag (21), Turn Signal (30), and IP Electronics Ignition Feed (39) Fuses
Cell 39: Sensor Inputs and Valve Controls
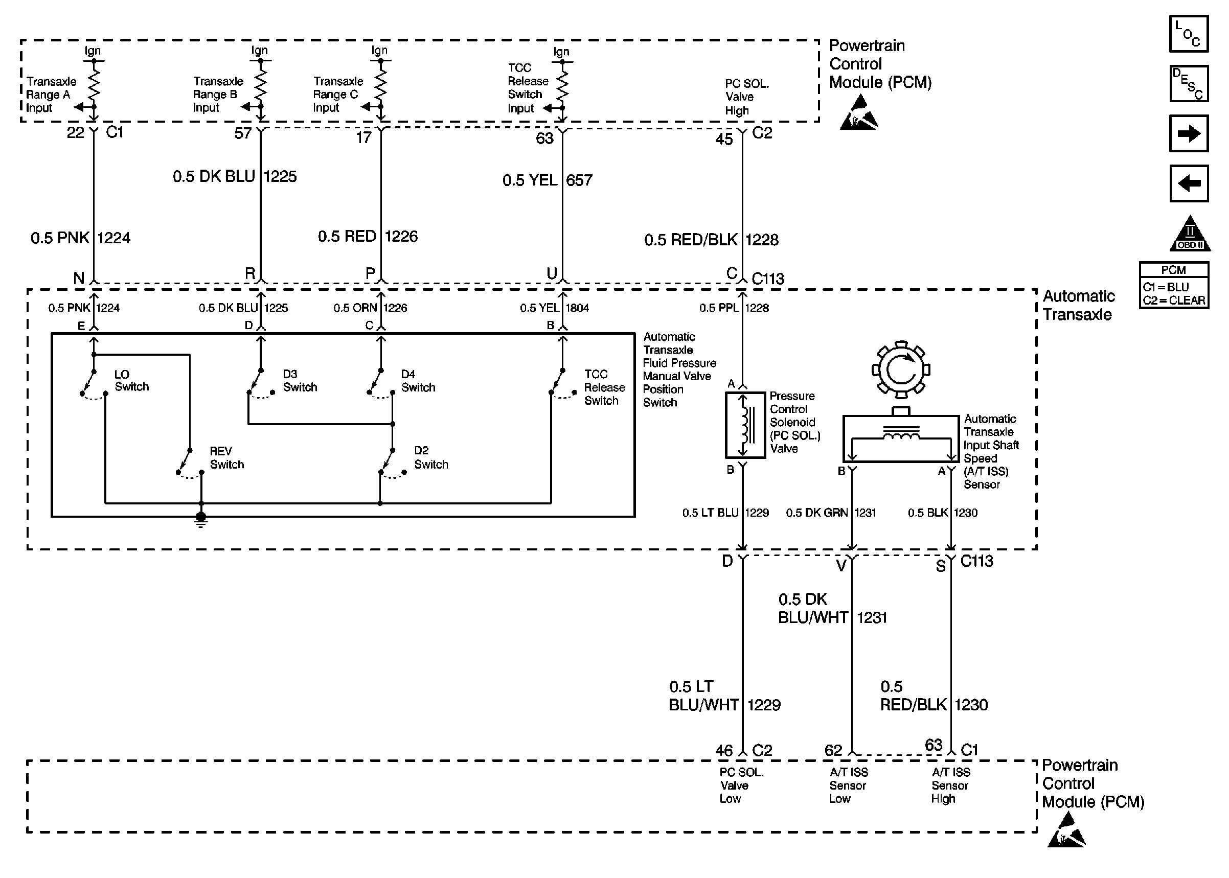
Figure 2:

Cell 39: Sensor Inputs and Valve Controls


Object Number: 349016  Size: FS
Automatic Transmission Components
Electronic Component Description
Cell 10: Fuses 12, 21, 30, 33, 39, and 42
Cell 10: Fuses 12, 21, 30, 33, 39, and 42
Cell 11: Anti-Theft PCM (12), Air Bag (21), Turn Signal (30), and IP Electronics Ignition Feed (39) Fuses
OBD II Symbol Description Notice
Cell 39: VSS, Cruise
Cell 39: Auto Trans
OBD II Symbol Description Notice
Cell 21: Engine Data Sensors-A/C Refrig Press, TP, MAP, ECT, IAT
Figure 3:

Cell 39: Auto Trans


Object Number: 349023  Size: FS
Automatic Transmission Components
Electronic Component Description
Handling ESD Sensitive Parts Notice
OBD II Symbol Description Notice
Handling ESD Sensitive Parts Notice
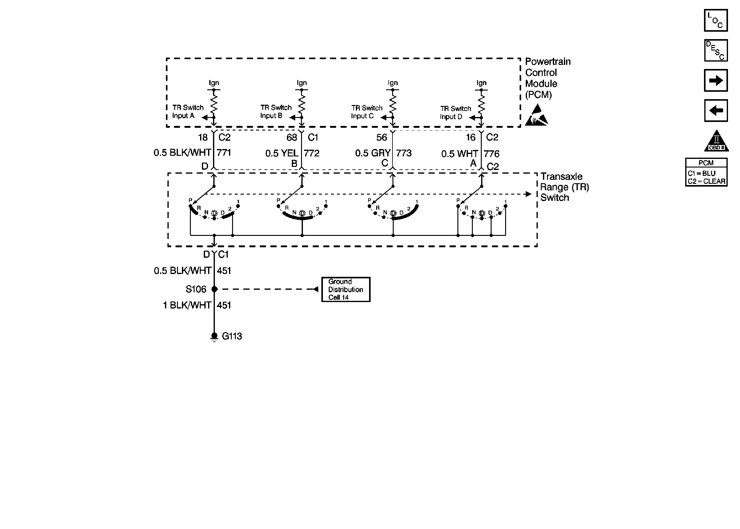
Cell 39: Transmission Range Switch : PCM Inputs
Cell 39: Sensor Inputs and Valve Controls
Figure 4:

Cell 39: Transmission Range Switch : PCM Inputs


Object Number: 349027  Size: FS
Automatic Transmission Components
Electronic Component Description
Cell 14: G111 and G113
Handling ESD Sensitive Parts Notice
OBD II Symbol Description Notice
Cell 39: Auto Trans
Cell 39: Transmission Range Switch: Backup Lamps and Theft Deterrent
Figure 5:

Cell 39: Transmission Range Switch: Backup Lamps and Theft Deterrent


Object Number: 349012  Size: FS
Automatic Transmission Components
Electronic Component Description
Cell 10: Generator, Starter, Fusible Links, MaxiFuse® 1, 2 and4
Cell 39: Transmission Range Switch : PCM Inputs
Cell 14: G302 (2 of 2)