GM Service Manual Online
For 1990-2009 cars only
Makes
🢒
Chevrolet
🢒
1999
🢒
Monte Carlo
🢒
Body and Accessories
🢒
Lighting Systems
🢒 Interior Lights Schematics
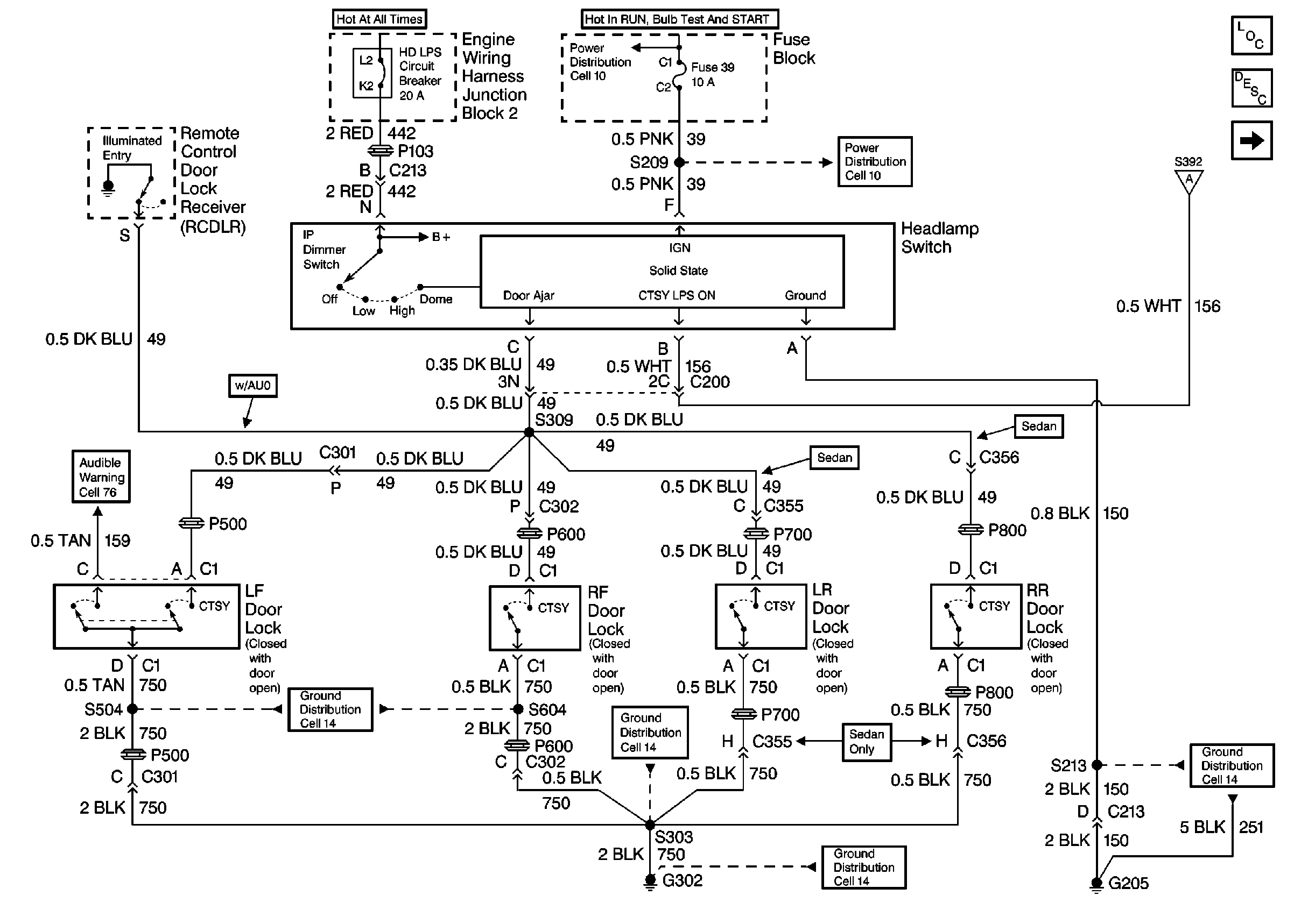
Figure
1:
Cell 114: Power, Headlamp Switch, RCDLR, Door Locks
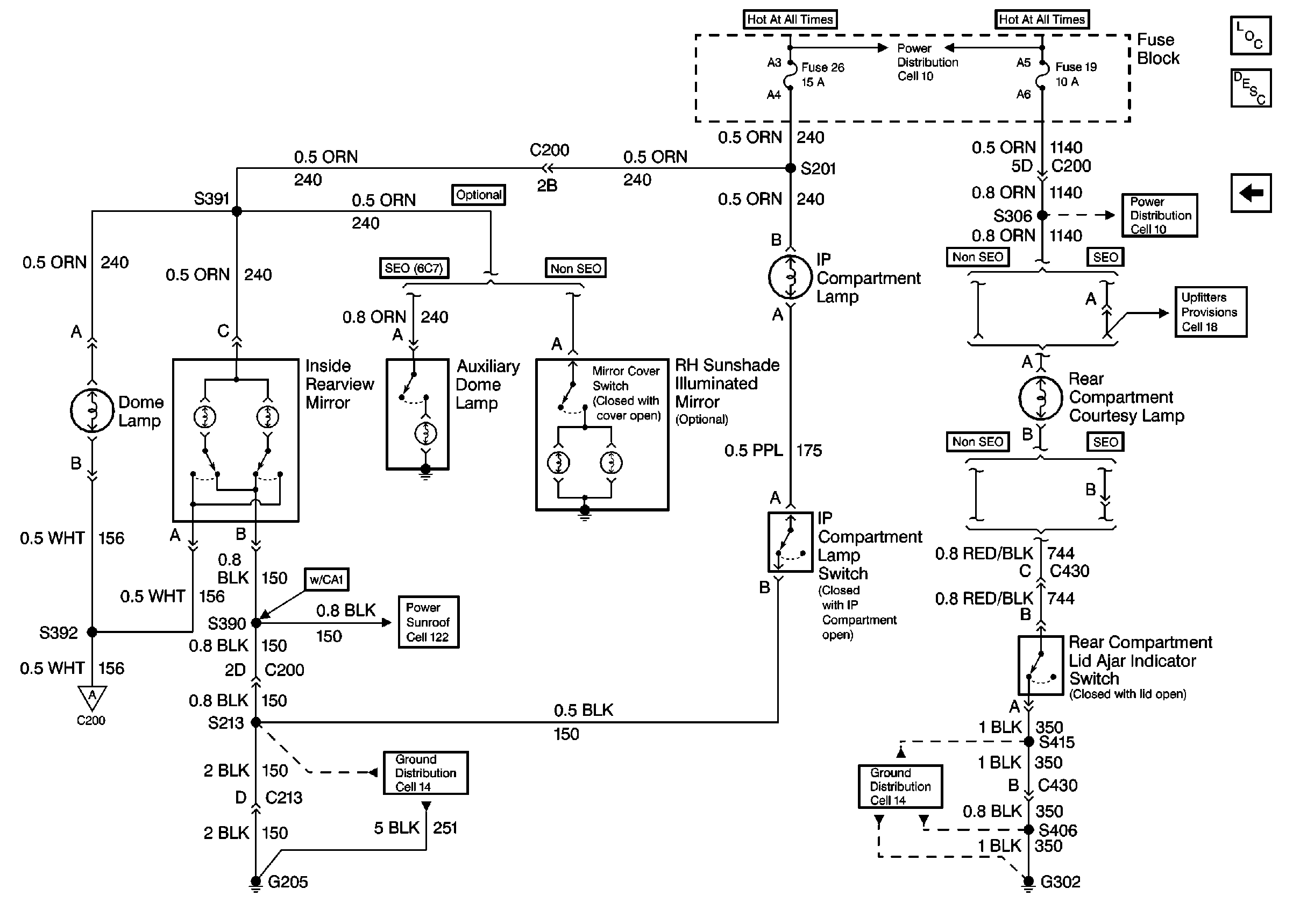
Figure
2:
Cell 114: Power, Dome Lamp, Mirrors, IP/Rear Compartment Lamps, Lid Ajar Switch