GM Service Manual Online
For 1990-2009 cars only
Makes
🢒
Chevrolet
🢒
1999
🢒
Monte Carlo
🢒
Body and Accessories
🢒
Lighting Systems
🢒 Headlights Schematics
Figure
1:
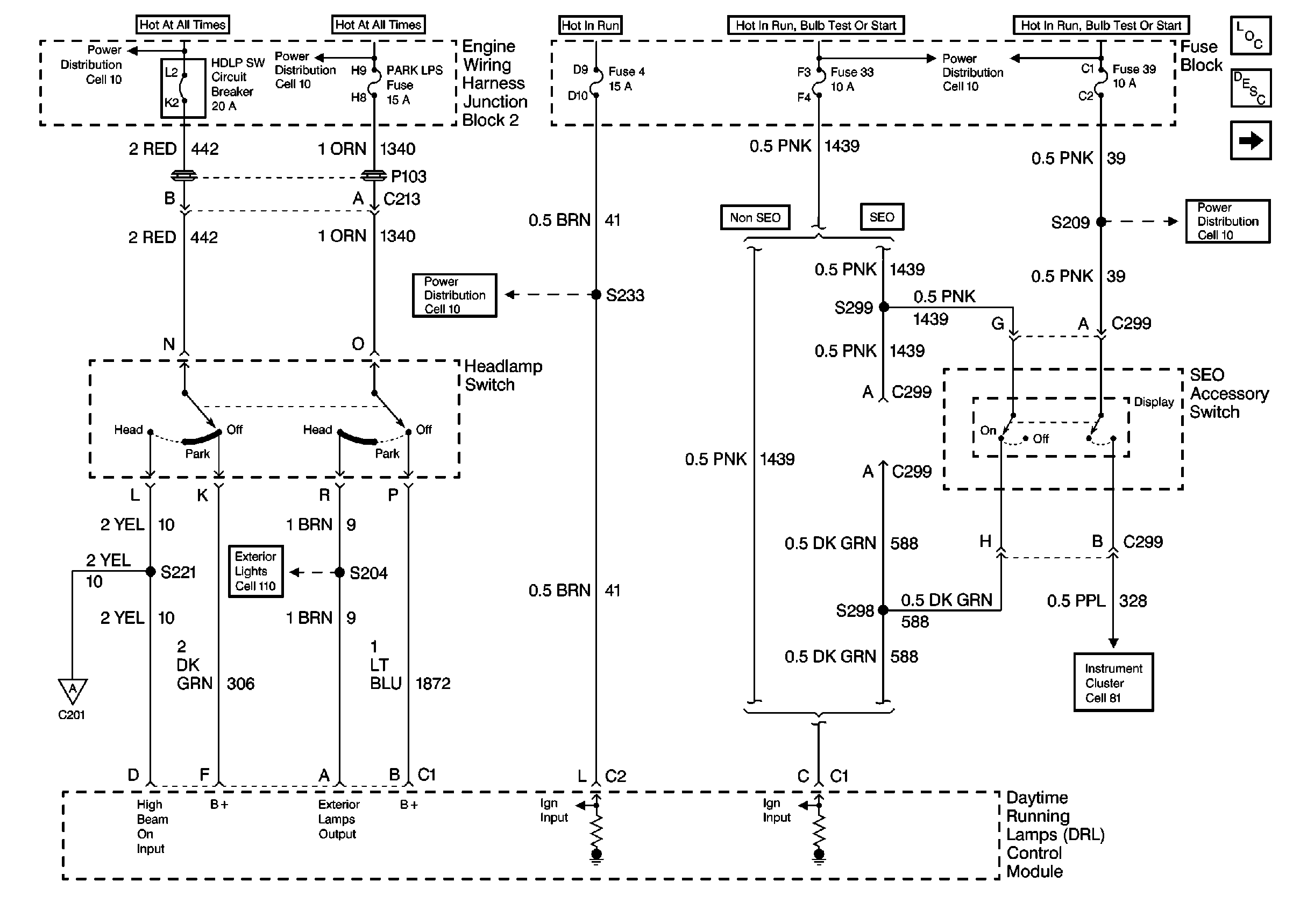
Cell 102: Power, Headlamp/(SEO)Accessory Switch, DRL Module
Cell 10: Battery, Fusible Links (SEO), MaxiFuses®: ABS, HD LPS, IGN SW 1, and Fuses: ABS, FAN 3, HORN, PARK LPS
Cell 10: Battery, Fusible Links (SEO), MaxiFuses®: ABS, HD LPS, IGN SW 1, and Fuses: ABS, FAN 3, HORN, PARK LPS
Cell 11: HVAC (4), ABS (13), and Cruise Control (22) Fuses
Cell 110: Power, Headlamp Switch, DRL Module, Instrument Cluster, Park/Turn Lamps
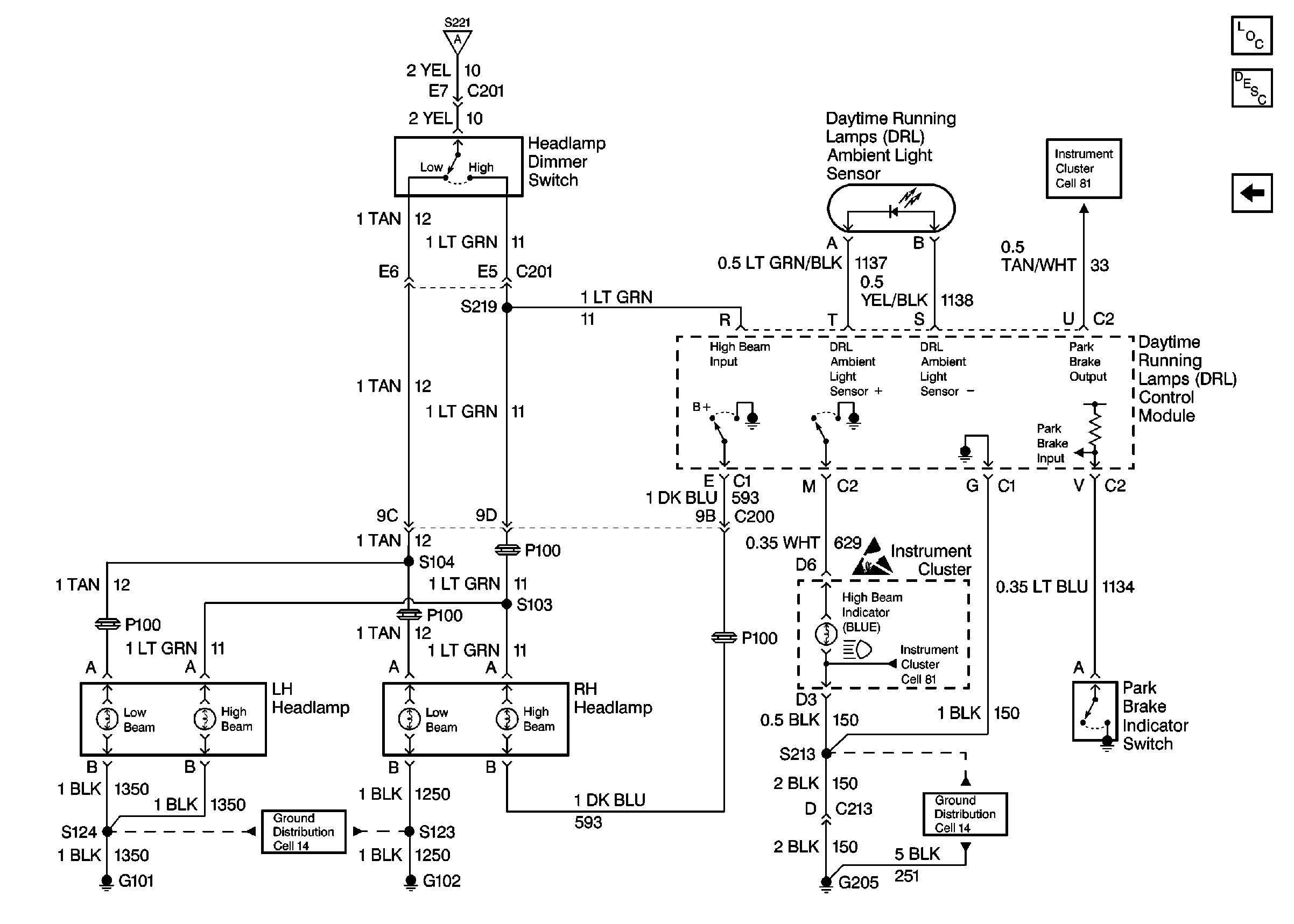
Cell 102: Headlamp Dimmer/Park Brake Switch, DRL, Headlamps
Cell 11: RH Spot Lamp (SEO) (6), LH Spot Lamp (SEO) (15), DRL MDL (33),and EVAP SOL (42) Fuses
Instrument Cluster: Digital Schematics
Lighting Systems Components
Headlights Circuit Description
Cell 102: Headlamp Dimmer/Park Brake Switch, DRL, Headlamps
Cell 11: HVAC (4), ABS (13), and Cruise Control (22) Fuses
Figure
2:
Cell 102: Headlamp Dimmer/Park Brake Switch, DRL, Headlamps
Cell 102: Power, Headlamp/(SEO)Accessory Switch, DRL Module
Cell 14: G101, and G102
Lighting Systems Components
Headlights Circuit Description
Cell 102: Power, Headlamp/(SEO)Accessory Switch, DRL Module
Instrument Cluster: Analog Schematics
Handling ESD Sensitive Parts Notice
Cell 14: G205 (1 of 2)