GM Service Manual Online
For 1990-2009 cars only
Makes
🢒
Chevrolet
🢒
1999
🢒
Monte Carlo
🢒
Body and Accessories
🢒
Theft Deterrent
🢒 Theft Deterrent System Schematics
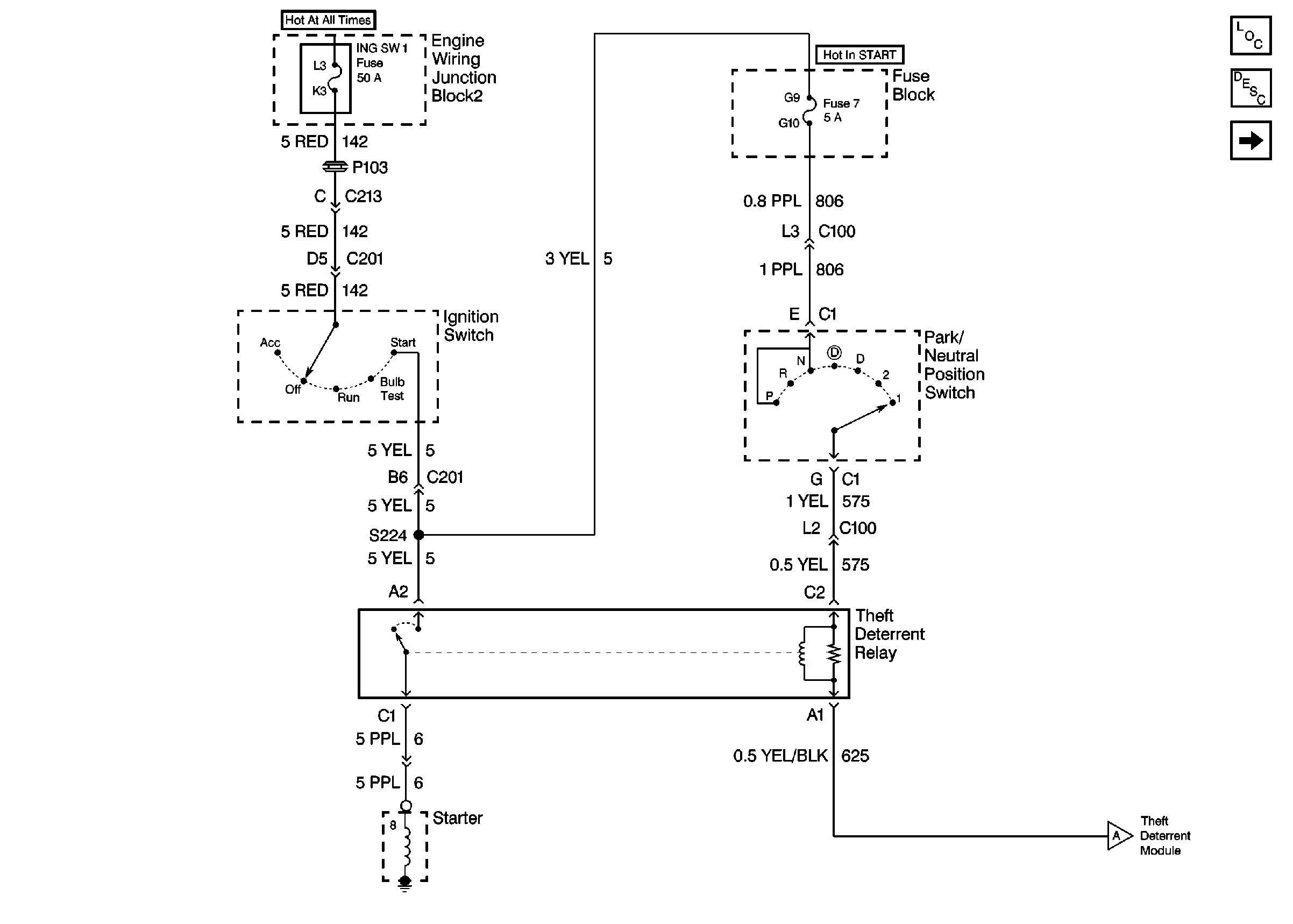
Figure
1:
Cell 133: Power, Igntion Switch, Transaxle Range Switch, Theft Deterrent Relay
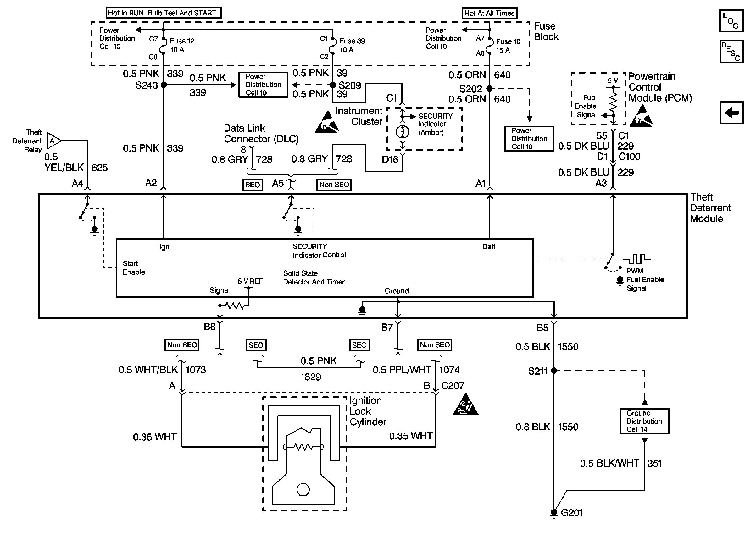
Figure
2:
Cell 133: Power, PCM, Instrument Cluster, Theft Deterrent Module, Ignition Lock Cylinder