GM Service Manual Online
For 1990-2009 cars only
Makes
🢒
Chevrolet
🢒
1999
🢒
Monte Carlo
🢒
Body and Accessories
🢒
Cruise Control
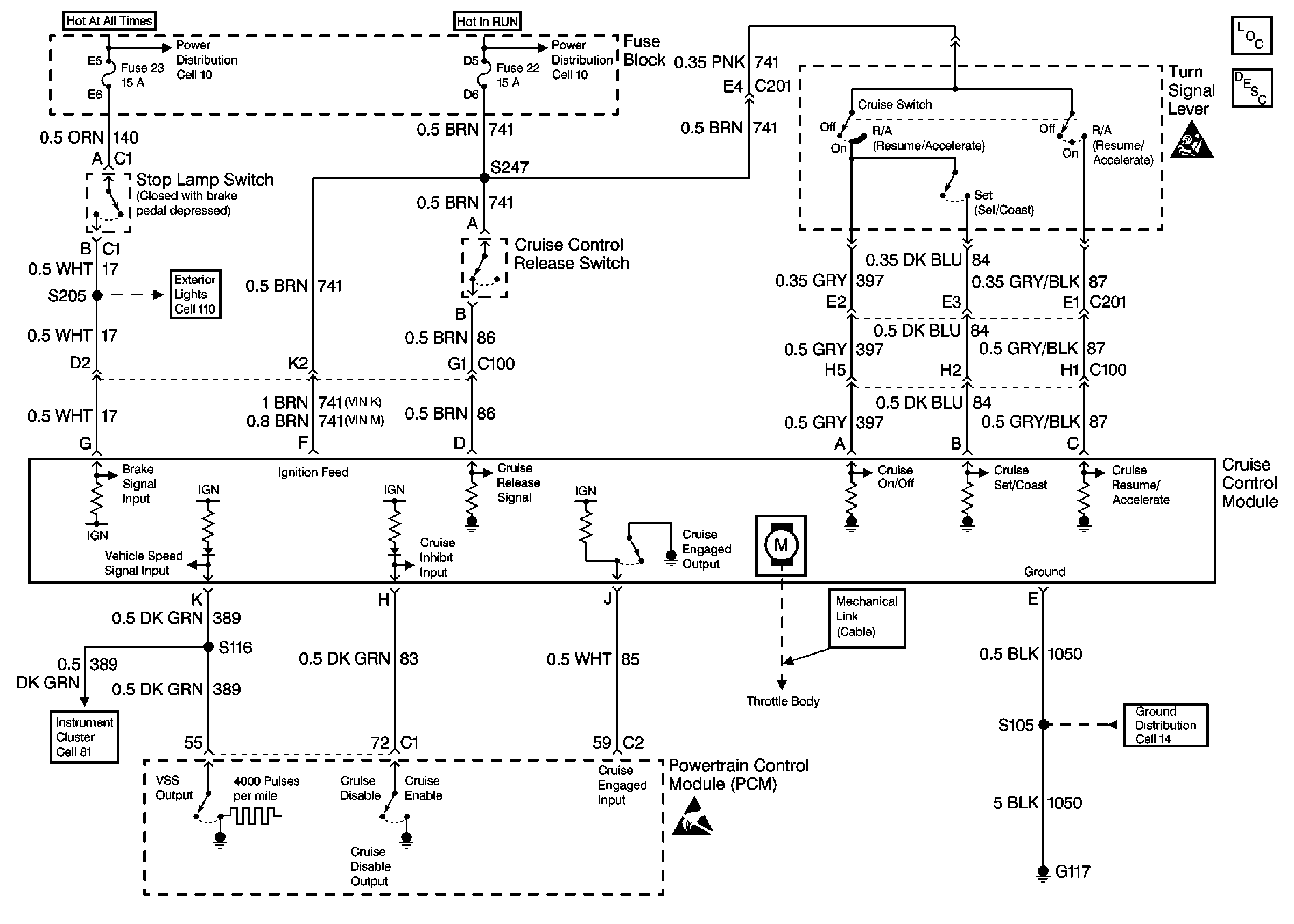
🢒 Cruise Control Schematics
Cell 34
Cruise Control Components
Ground Distribution Schematics
Instrument Cluster: Analog Schematics
Exterior Lights Schematics
Power Distribution Schematics
Power Distribution Schematics
Handling ESD Sensitive Parts Notice
SIR Handling Caution
OBD II Symbol Description Notice