GM Service Manual Online
For 1990-2009 cars only
Makes
🢒
Chevrolet
🢒
1999
🢒
Monte Carlo
🢒
Body and Accessories
🢒
Doors
🢒 Door Lock/Indicator Schematics
Figure
1:
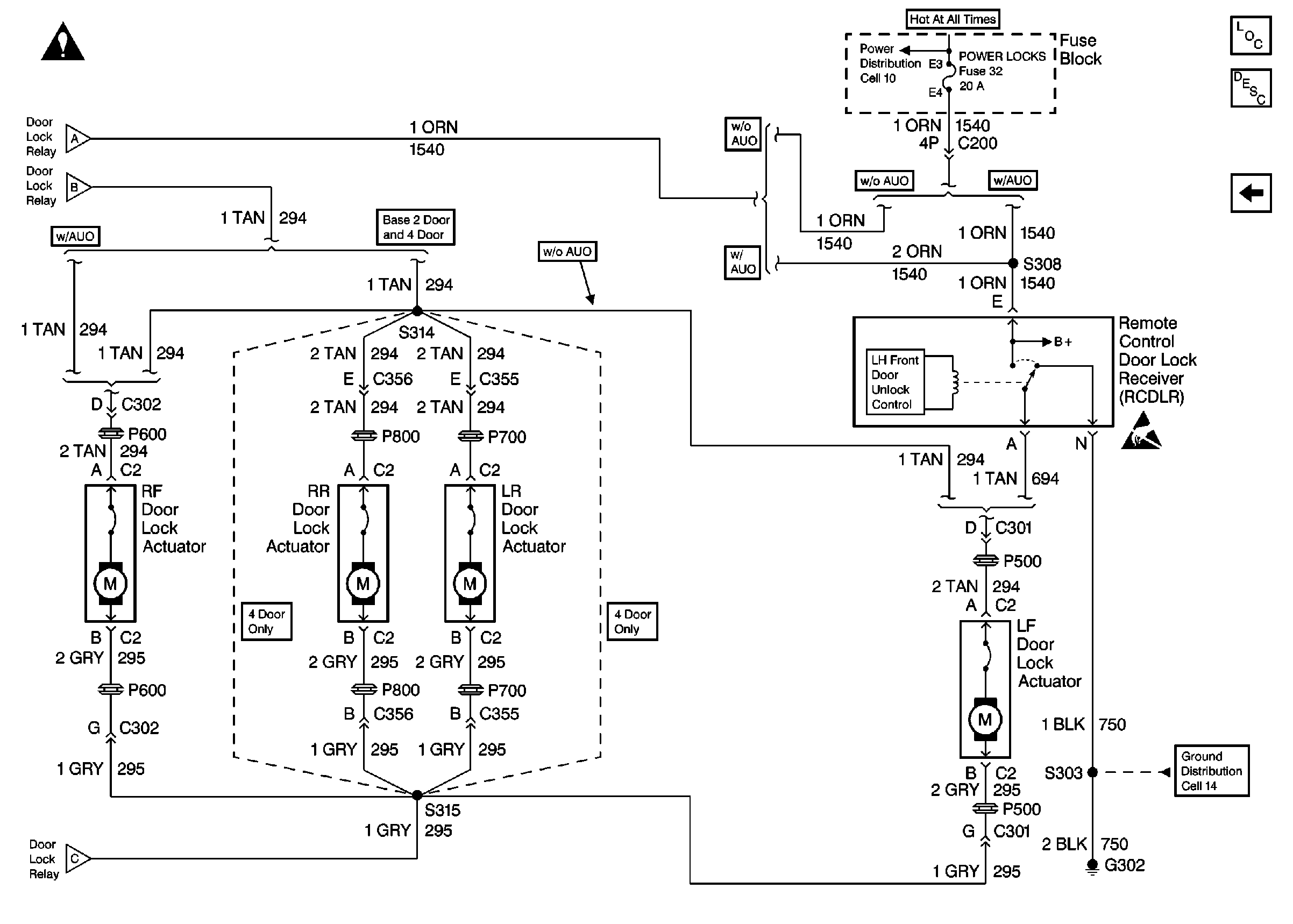
Cell 130: Power, RCDLR, Door Lock Actuators, Ground
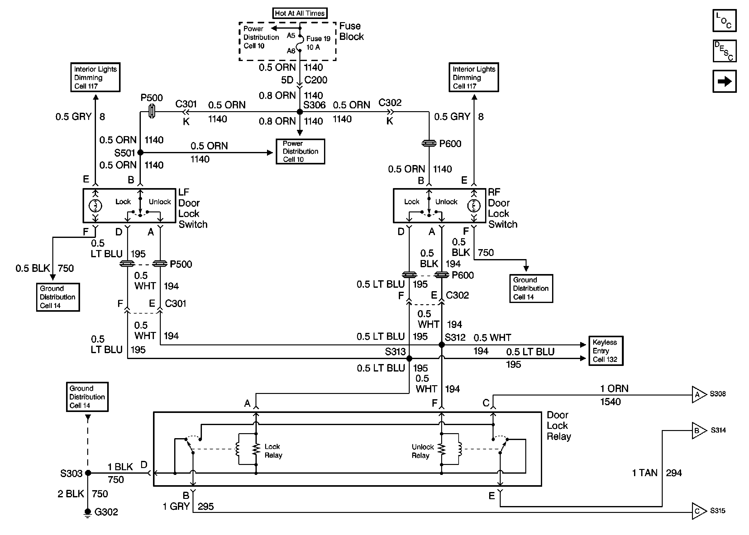
Figure
2:
Cell 130: Power, Front Door Lock Switches, Door Lock Relay, Ground