GM Service Manual Online
For 1990-2009 cars only

Removal Procedure

  1. On the sedan, remove the upper center pillar trim panel. Refer to Center Pillar Upper Trim Panel Replacement
  2. On the sedan, remove the lower center pillar trim panel. Refer to Center Pillar Lower Trim Panel Replacement
  3. On the coupe, remove the quarter lower trim. Refer to Rear Quarter Lower Trim Panel Replacement
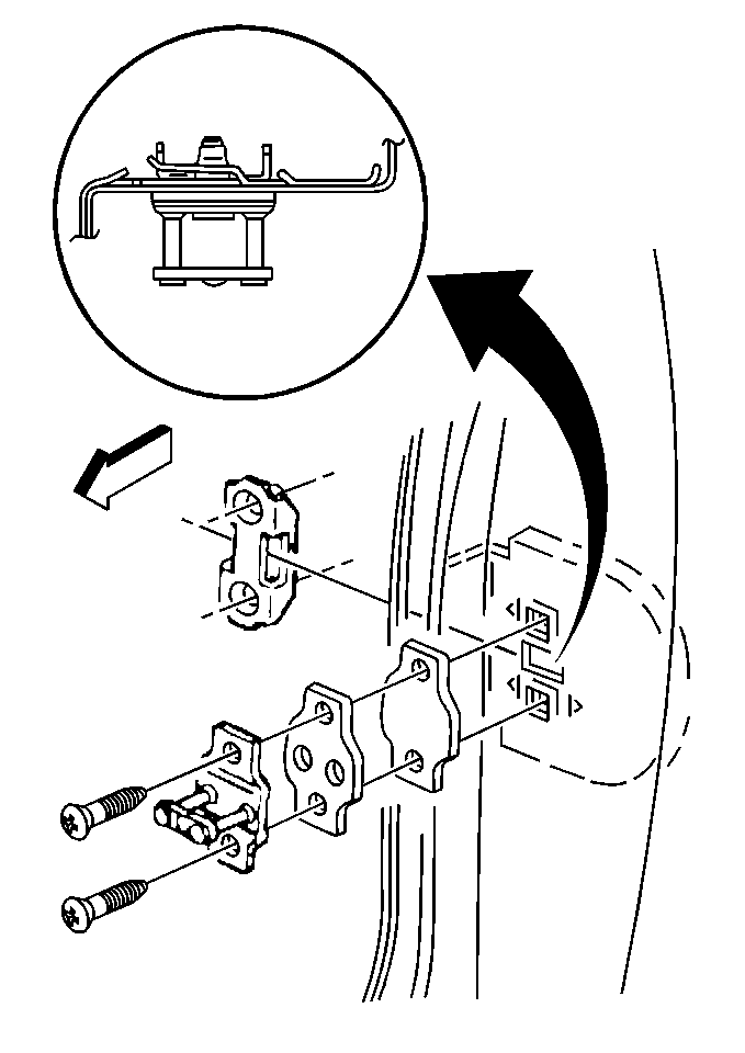
  4. Remove the door lock striker. Refer to Door Striker Replacement .

  5. Object Number: 315799  Size: MH
  6. Remove the anchor plate.

Installation Procedure


    Object Number: 315799  Size: MH
  1. Install the new anchor plate.
  2. Install the door lock striker. Refer to Door Striker Replacement .
  3. On the coupe, install the quarter lower trim. Refer to Rear Quarter Lower Trim Panel Replacement
  4. On the sedan, install the lower center pillar trim panel. Refer to Center Pillar Lower Trim Panel Replacement .
  5. On the sedan, install the upper center pillar trim panel. Refer to Center Pillar Upper Trim Panel Replacement
  6. Adjust the lock striker. Refer to Door Lock Striker Adjustment .