GM Service Manual Online
For 1990-2009 cars only
Makes
🢒
Chevrolet
🢒
1999
🢒
Monte Carlo
🢒
Body and Accessories
🢒
Seats
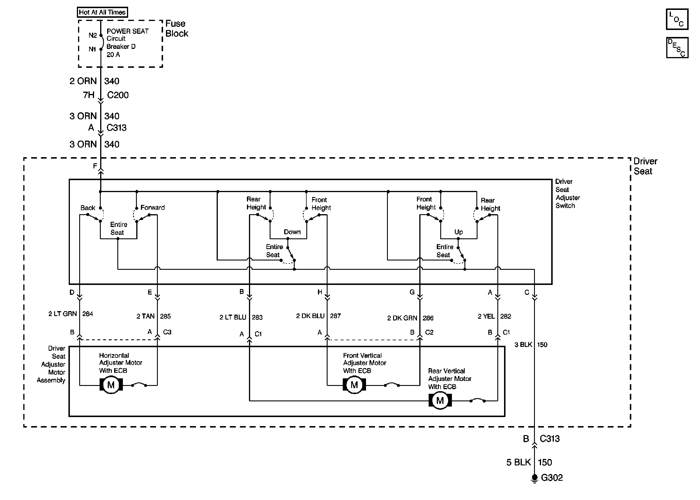
🢒 Power Seats Schematics
Cell 140
Power Seat Systems Components
Power Seats Circuit Description