GM Service Manual Online
For 1990-2009 cars only
Makes
🢒
Chevrolet
🢒
1999
🢒
Monte Carlo
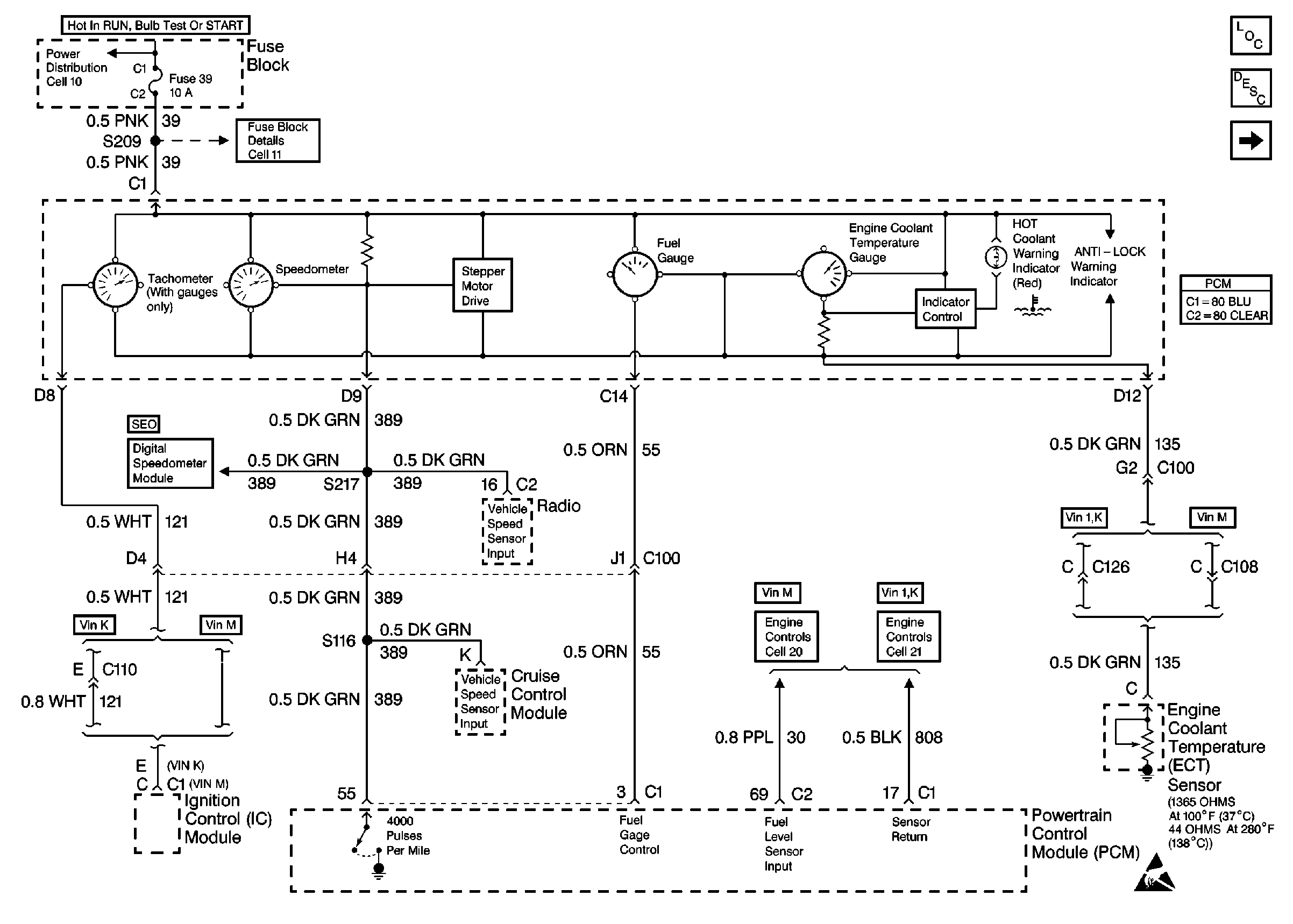
🢒 Cell 81: Instrument Cluster w/Analog Speedometer 1 of 4
Cell 81: Instrument Cluster w/Analog Speedometer 1 of 4
Cell 81: Instrument Cluster w/Analog Speedometer 1 of 4
Instrument Cluster Components
Instrument Cluster Circuit Description
Cell 81: Instrument Cluster w/ Analog Speedometer 2 of 4
OBD II Symbol Description Notice
Handling ESD Sensitive Parts Notice
Fuse Block Schematics