GM Service Manual Online
For 1990-2009 cars only
Makes
🢒
Chevrolet
🢒
1999
🢒
Monte Carlo
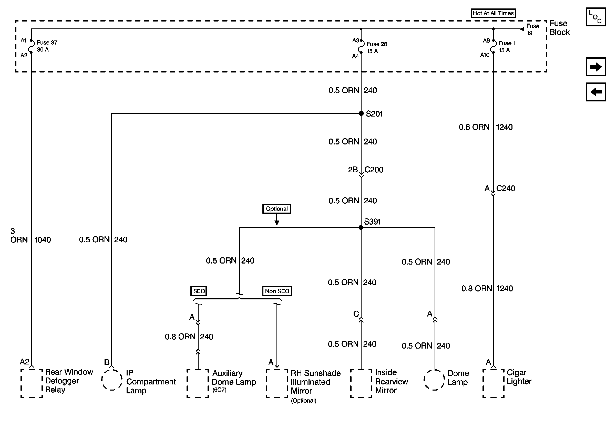
🢒 Cell 11: Cigar Lighter (1), Courtesy Lamps (28), and Rear Defog (37)Fuses
Cell 11: Cigar Lighter (1), Courtesy Lamps (28), and Rear Defog (37)Fuses
Cell 11: Cigar Lighter (1), Courtesy Lamps (28), and Rear Defog (37) Fuses
Power and Grounding Components
Cell 11: IP Electronics Battery (10), and Power Accessory No.1 (19)Fuses
Cell 11: ABS, Fan 3, Horn, and Park LPS Fuses