GM Service Manual Online
For 1990-2009 cars only

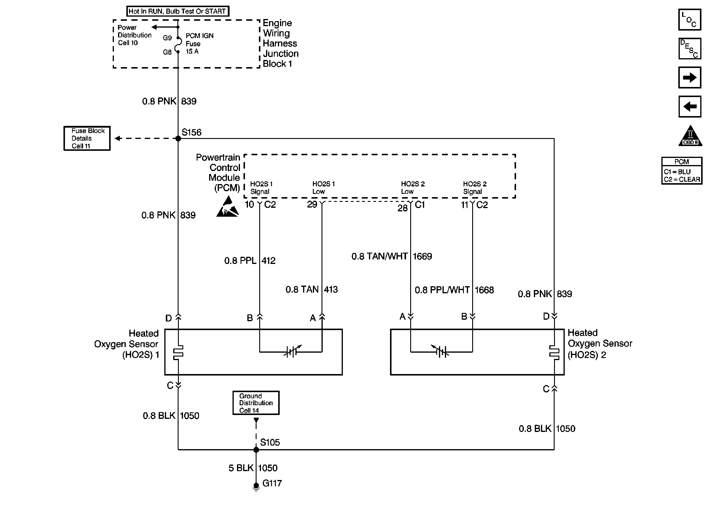
Refer to Engine Controls Schematics

Cell 20: Engine Data Sensors-HO2S 1, HO2S 2


Object Number: 343200  Size: FS
Engine Controls Components
Powertrain Control Module Description
Cell 10: Fuses 12, 21, 30, 33, 39, and 42
Cell 11: ELEK IGN, F/INJN, and PCM IGN Fuses
Handling ESD Sensitive Parts Notice
Cell 14: G117
OBD II Symbol Description Notice
Cell 20: Engine Data Sensors-A/C Refrig Press, TP, MAP, ECT, IAT
Cell 20: Engine Data Sensors-MAF, EVAP Vent, EVAP Purge, EGR
.

Circuit Description

Heated oxygen sensors are used to minimize the amount of time required for closed loop fuel control operation and to allow accurate catalyst monitoring. The oxygen sensor heater greatly decreases the amount of time required for fuel control sensor HO2S 1 to become active. The oxygen sensor heater is required by catalyst monitor sensor HO2S 2 to maintain a sufficiently high temperature. This allows accurate exhaust oxygen content readings further from the engine.

The PCM will run the heater test only after a cold start (determined by engine coolant and intake air temperature at the time of start-up) and only once during an ignition cycle. When the engine is started the PCM will monitor the HO2S voltage. When the HO2S voltage indicates a sufficiently active sensor, the PCM looks at how much time has elapsed since startup. If the PCM determines that too much time was required for the HO2S 1 to become active, a DTC P0135 will set. The time it should take the HO2S to reach operating temperature is based on the engine coolant temperature at start up and the average Mass Air Flow since start-up (higher average airflow or higher start-up engine coolant temperature = shorter time to HO2S activity).

Conditions for Running the DTC

    • No active TP, MAP, MAF, ECT, IAT, or CKP sensor, misfire, fuel injector circuit, EVAP, Fuel trim, EGR DTCs present.
    • Intake Air Temperature (IAT) is less than 35°C (95°F) at start up.
    • Engine Coolant Temperature (ECT) is less than 35°C (95°F) at start up.
    • IAT and ECT are within 6°C (42°F) of each other at start up.
    • Battery voltage above 9.0V and below 16.0V.
    • Average mass airflow for the sample period is less than 20 gm/s.

Conditions for Setting the DTC

HO2S 1 voltage remains within 150 mV of the bias voltage (about 450 mV) for a longer amount of time than it should. The amount of time varies depending on engine coolant temperature at start-up and average air flow since start-up, but will not exceed 4.5 minutes.

Action Taken When the DTC Sets

    • The PCM will illuminate the malfunction indicator lamp (MIL) during the second consecutive trip in which the diagnostic test has been run and failed.
    • The PCM will store conditions which were present when the DTC set as Freeze Frame and Failure Records data.

Conditions for Clearing the MIL/DTC

    • The PCM will turn OFF the MIL during the third consecutive trip in which the diagnostic has been run and passed.
    • The History DTC will clear after 40 consecutive warm-up cycles have occurred without a malfunction.
    • The DTC can be cleared by using the scan tool.

Diagnostic Aids

Check for the following conditions:

    • Poor connection at PCM. Inspect harness connectors for backed out terminals, improper mating, broken locks, improperly formed or damaged terminals, and poor terminal to wire connection. Refer to Intermittents and Poor Connections Diagnosis , Repairing Connector Terminals and Connector Repairs .
    • Damaged harness. Inspect the wiring harness for damage. If the harness appears to be OK, observe the display on the scan tool while moving connectors and wiring harnesses related to the sensor. A change in the display will indicate the location of the fault. Refer to Wiring Repairs .

Reviewing the Fail Records vehicle mileage since the diagnostic test last failed may help determine how often the condition that caused the DTC to be set occurs. This may assist in diagnosing the condition.

Test Description

Number(s) below refer to the step number(s) on the Diagnostic Table:

  1. The HO2S should be allowed to cool before performing this test. If the HO2S heater is functioning, the signal voltage will gradually increase or decrease as the sensor element warms. If the heater is not functioning, the HO2S signal will remain near the 450 mV bias voltage.

  2. Checks that the ignition feed circuit to the HO2S is not open or shorted. The test light should be connected to a good chassis ground, in case the HO2S low or HO2S heater ground circuit is faulty.

  3. Checks the HO2S heater ground circuit.

  4. Checks for an open or shorted HO2S heater element. The heater element resistance will vary according to HO2S temperature (a hot HO2S heater element will measure a much higher resistance than a HO2S heater element at room temperature). It is important to allow the HO2S to cool before measuring HO2S heater element resistance.

  5. An open HO2S signal or low circuit can cause the HO2S heater to appear faulty. Check these circuits before replacing the sensor.

Step

Action

Value(s)

Yes

No

1

Was the Powertrain on Board Diagnostic system check performed?

--

Go to Step 2

Go to Powertrain On Board Diagnostic (OBD) System Check

2

Important: :  If engine has just been operating, allow engine to cool for about one half hour before proceeding.

  1. Turn the ignition on, and leave the engine off.
  2. Monitor HO2S 1 voltage on the scan tool HO2S data list.

Does HO2S voltage go from bias voltage to greater than the first specified value or less than the second specified value?

600 mV

300 mV

Go to Diagnostic Aids

Go to Step 3

3

Inspect fuse for HO2S 1 ignition feed.

Is the fuse open?

--

Go to Step 15

Go to Step 4

4

  1. Raise vehicle.
  2. Disconnect HO2S 1 electrical connector.
  3. Using a J 35616-200 test light connected to ground (A known good ground. Do not use HO2S 1 heater ground or HO2S 1 low), probe ignition feed circuit at HO2S 1 electrical connector (PCM harness side).

Does test light illuminate?

--

Go to Step 5

Go to Step 7

5

Connect J 35616-200 test light between HO2S 1 ignition feed and HO2S 1 heater ground.

Does J 35616-200 test light illuminate?

--

Go to Step 6

Go to Step 8

6

  1. Allow the HO2S to cool for at least 10 minutes.
  2. Using a J 39200 DMM, measure resistance between HO2S 1 ignition feed and HO2S 1 heater ground at the HO2S 1 pigtail. Refer to Testing for Continuity .

Is HO2S heater resistance within the specified values?

3 - 10ohms

Go to Step 9

Go to Step 14

7

Repair open HO2S 1 ignition feed circuit to HO2S 1. Refer to Wiring Repairs .

Is the action complete?

--

Go to Step 16

--

8

Repair open HO2S 1 heater ground circuit. Refer to Wiring Repairs .

Is the action complete?

--

Go to Step 16

--

9

  1. Check for a poor connection at the HO2S 1 harness terminals.
  2. If a poor connection is found, replace terminals. Refer to Testing for Continuity , Intermittents and Poor Connections Diagnosis , Repairing Connector Terminals and Connector Repairs .

Was a poor connection found?

--

Go to Step 16

Go to Step 10

10

  1. Turn the ignition off.
  2. Disconnect the PCM and check continuity of the HO2S 1 signal circuit and the HO2S 1 low circuit. Refer to Testing for Continuity .
  3. If the HO2S 1 signal circuit or HO2S low circuit measures over 5 ohms, repair open or poor connection as necessary. Refer to Intermittents and Poor Connections Diagnosis , Repairing Connector Terminals , Connector Repairs and Wiring Repairs .

Was a problem found?

--

Go to Step 16

Go to Step 11

11

Check for a poor HO2S 1 signal or low circuit terminal connection at the HO2S 1 harness connector and replace terminal(s) if necessary. Refer to Testing for Continuity , Intermittents and Poor Connections Diagnosis , Repairing Connector Terminals and Connector Repairs .

Did any terminals require replacement?

--

Go to Step 16

Go to Step 12

12

Check for poor HO2S 1 low circuit terminal connection at the PCM and replace terminal if necessary. Refer to Testing for Continuity , Intermittents and Poor Connections Diagnosis , Repairing Connector Terminals and Connector Repairs .

Did the terminal require replacement?

--

Go to Step 16

Go to Step 13

13

Check for poor HO2S 1 signal circuit terminal connection at the PCM and replace terminal if necessary. Refer to Testing for Continuity , Intermittents and Poor Connections Diagnosis , Repairing Connector Terminals and Connector Repairs .

Did the terminal require replacement?

--

Go to Step 16

Go to Step 14

14

Replace HO2S 1. Refer to Heated Oxygen Sensor Replacement

Is the action complete?

--

Go to Step 16

--

15

Locate and repair short to ground in HO2S 1 ignition feed circuit and replace faulty fuse. Refer to Wiring Repairs .

Is the action complete?

--

Go to Step 16

--

16

Important: :  If engine has just been operating, allow engine to cool for about one half hour before proceeding.

  1. Clear the DTCs.
  2. Turn the ignition on, and leave the engine off.
  3. Monitor HO2S 1 voltage on the scan tool HO2S data list.

Does HO2S voltage go from bias voltage to greater than the first specified value or less than the second specified value?

600 mV

300 mV

System OK

Go to Step 2