GM Service Manual Online
For 1990-2009 cars only

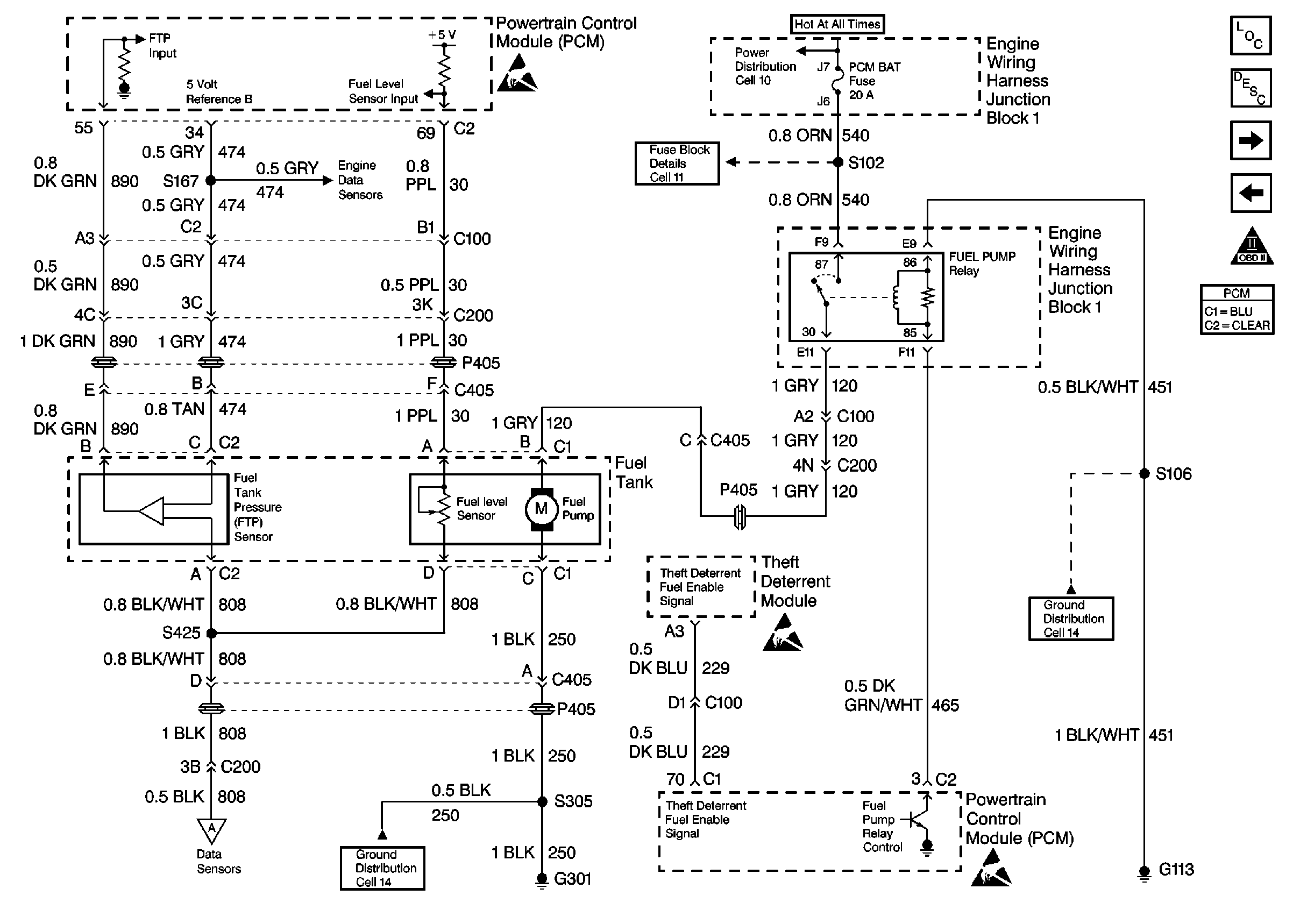
Refer to

Cell 21: Fuel Controls


Object Number: 344653  Size: FS
Engine Controls Components
Powertrain Control Module Description
Cell 21: Engine Data Sensors-A/C Refrig Press, TP, MAP, ECT, IAT
Handling ESD Sensitive Parts Notice
Handling ESD Sensitive Parts Notice
Handling ESD Sensitive Parts Notice
Cell 11: PCM BAT, and R/CMPT REL Fuses
Cell 10: Generator, Starter, Fusible Links, MaxiFuse® 1, 2 and4
Cell 21: Fuel Injectors
Cell 21: Ignition System, Knock Sensors
OBD II Symbol Description Notice
Cell 21: Engine Data Sensors-A/C Refrig Press, TP, MAP, ECT, IAT
Cell 14: G301 and G306 (SEO)
Cell 14: G111 and G113

Circuit Description

The Vehicle Theft Deterrent Module produces the Theft Deterrent Fuel Enable signal when the ignition is ON and the proper key resistor pellet is sensed by the Vehicle Theft Deterrent module. The PCM monitors the Fuel Enable signal during crank. If the proper signal is present on the Theft Deterrent Fuel Enable circuit, the PCM enables fuel delivery to allow the engine to start. If the PCM detects that the fuel enable signal is not present or incorrect while an attempt is made to start the engine, DTC P1629 will set. The engine will not start as long as this condition is present. If the problem also affects inputs to the Vehicle Theft Deterrent module, the starter motor may be disabled. If this condition is present, refer to Vehicle Theft Deterrent System for further diagnosis.

Conditions for Running the DTC

    • DTC P1626 is not present.
    • An attempt is made to start the engine.

Conditions for Setting the DTC

The PCM detects an incorrect signal on the Theft Deterrent Fuel Enable Circuit.

Action Taken When the DTC Sets

The PCM stores conditions which were present when the DTC set as Failure Records only. This information will not be stored as Freeze Frame Records.

Conditions for Clearing the MIL/DTC

    • The DTC becomes history when the conditions for setting the DTC are no longer present.
    • The history DTC clears after 40 malfunction free warm-up cycles.
    • The PCM receives a clear code command from the scan tool.

Diagnostic Aids

An intermittent may be caused by a poor connection, rubbed through wire insulation or a wire broken inside the insulation. Check for the following conditions:

    • Poor connection. Inspect the PCM and BCM harness and connectors for improper mating, broken locks, improperly formed or damaged terminals, and poor terminal to wire connection.
    • Damaged harness. Inspect the wiring harness for damage. If the harness appears to be OK, disconnect the VTD module, turn the ignition ON and observe a digital multimeter connected to the theft deterrent fuel enable circuit at the VTD module harness connector while moving connectors and wiring harnesses related to the vehicle theft deterrent system. A change in voltage will indicate the location of the malfunction.

Reviewing the Fail Records vehicle mileage since the diagnostic test last failed may help determine how often the condition that caused the DTC to be set occurs. This may assist in diagnosing the condition.

Test Description

Number(s) below refer to the step number(s) on the Diagnostic Table.

  1. This vehicle is equipped with a PCM which utilizes an Electrically Erasable Programmable Read Only Memory (EEPROM). When the PCM is being replaced, the new PCM must be programmed.

DTC P1629 - Theft Deterrent System Fuel Enable Circuit Incorrect Signal Detected During Crank

Step

Action

Value(s)

Yes

No

1

Was the Powertrain On-Board Diagnostic (OBD) System Check performed?

--

Go to Step 2

Go to the Powertrain On Board Diagnostic (OBD) System Check

2

Important:: Before continuing diagnosis, ensure that the vehicle battery is fully charged.

Attempt to start the engine.

Does the engine crank?

--

Go to Step 3

Go to Vehicle Theft Deterrent (VTD) System Check

3

  1. Turn OFF the ignition switch.
  2. Disconnect the vehicle theft deterrent module.
  3. Turn ON the ignition switch.
  4. Using a J 39200 Digital Multimeter, measure voltage between the vehicle theft deterrent fuel enable circuit and the ground circuit at the vehicle theft deterrent module harness connector.

Does voltage measure near the specified value?

5V

Go to Step 4

Go to Step 6

4

  1. Turn OFF the ignition switch.
  2. Reconnect the vehicle theft deterrent module.
  3. Turn ON the ignition switch.
  4. Backprobe the vehicle theft deterrent module connector to measure frequency between the vehicle theft deterrent fuel enable circuit and ground.

Is the frequency between the specified values?

40-60 Hz

Go to Step 5

Go to Step 6

5

  1. Turn ON the ignition switch.
  2. Clear DTC P1629.
  3. Attempt to start the vehicle.

Does the vehicle start and continue running?

--

Go to Diagnostic Aids

Go to Step 7

6

  1. Check the vehicle theft deterrent fuel enable circuit for an open, short to ground, or short to voltage.
  2. If a problem is found, repair as necessary. Refer to Wiring Repairs .

Was a problem found?

--

Go to Step 11

Go to Step 7

7

  1. Check the theft deterrent fuel enable circuit for a poor connection at the PCM.
  2. If a problem is found, replace faulty terminal. Refer to Wiring Repairs .

Was a problem found?

--

Go to Step 11

Go to Step 9

8

  1. Check for poor connections at the theft deterrent module.
  2. If a problem is found, replace faulty terminal(s). Refer to Wiring Repairs .

Was a problem found?

--

Go to Step 11

Go to Step 10

9

Important:: The replacement PCM must be programmed.

Replace the PCM. Refer to Powertrain Control Module Replacement/Programming .

Is action complete?

--

Go to Step 11

--

10

Replace the vehicle theft deterrent module. Refer to Theft Deterrent Module Replacement .

Is action complete?

--

Go to Step 11

--

11

  1. Clear DTCs.
  2. Observe VTD Fuel Disable on the scan tool while cranking the engine.

Does VTD Fuel Disable display Active?

--

Go to Step 2

System OK