GM Service Manual Online
For 1990-2009 cars only
Figure 1:

Fuse Block-SEO and Fusible Links


Object Number: 651482  Size: FS
Master Electrical Component List
A/C RLY (CMPR), DRL/EXT LTS, EXT LTS, FOG RLY, F/PMP RLY, HORN RLY, LEFT I/P, PCM, RT IP#1, RT IP#2, Spot Lamp, and U/HOOD#1 Fuses
A/C RLY (CMPR), DRL/EXT LTS, EXT LTS, FOG RLY, F/PMP RLY, HORN RLY, LEFT I/P, PCM, RT IP#1, RT IP#2, Spot Lamp, and U/HOOD#1 Fuses
Figure 2:

A/C RLY (CMPR), DRL/EXT LTS, EXT LTS, FOG RLY, F/PMP RLY, HORN RLY, LEFT I/P, PCM, RT IP#1, RT IP#2, Spot Lamp, and U/HOOD#1 Fuses


Object Number: 651486  Size: FS
Master Electrical Component List
A/C RLY (COIL), AIR PMP RLY, COOLING FANS, DFI MDL, ENG DEVISES, FANCONT#1, FAN CONT#2&3, FUEL INJ, IGN SW, OXY SEN, RT IP#3, TRANS SOL, AND U/HOOD#2 Fuses
Fuse Block-SEO and Fusible Links
Fuse Block-SEO and Fusible Links
A/C RLY (COIL), AIR PMP RLY, COOLING FANS, DFI MDL, ENG DEVISES, FANCONT#1, FAN CONT#2&3, FUEL INJ, IGN SW, OXY SEN, RT IP#3, TRANS SOL, AND U/HOOD#2 Fuses
Figure 3:

A/C RLY (COIL), AIR PMP RLY, COOLING FANS, DFI MDL, ENG DEVISES, FAN CONT#1, FAN CONT#2&3, FUEL INJ, IGN SW, OXY SEN, RT IP#3, TRANS SOL, AND U/HOOD#2 Fuses


Object Number: 651830  Size: FS
Master Electrical Component List
CLSTR/BCM, DR LK, LEFT IP, LT HTD ST/BCM, and PWR MIR Fuses, RETAINED ACCSRY PWR Circuit Breaker, HEADLAMP, and RETAINED ACCSRY PWR Relays
A/C RLY (CMPR), DRL/EXT LTS, EXT LTS, FOG RLY, F/PMP RLY, HORN RLY, LEFT I/P, PCM, RT IP#1, RT IP#2, Spot Lamp, and U/HOOD#1 Fuses
A/C RLY (CMPR), DRL/EXT LTS, EXT LTS, FOG RLY, F/PMP RLY, HORN RLY, LEFT I/P, PCM, RT IP#1, RT IP#2, Spot Lamp, and U/HOOD#1 Fuses
Figure 4:

CLSTR/BCM, DR LK, LEFT IP, LT HTD ST/BCM, and PWR MIR Fuses, RETAINED ACCSRY PWR Circuit Breaker, HEADLAMP, and RETAINED ACCSRY PWR Relays


Object Number: 651487  Size: FS
Master Electrical Component List
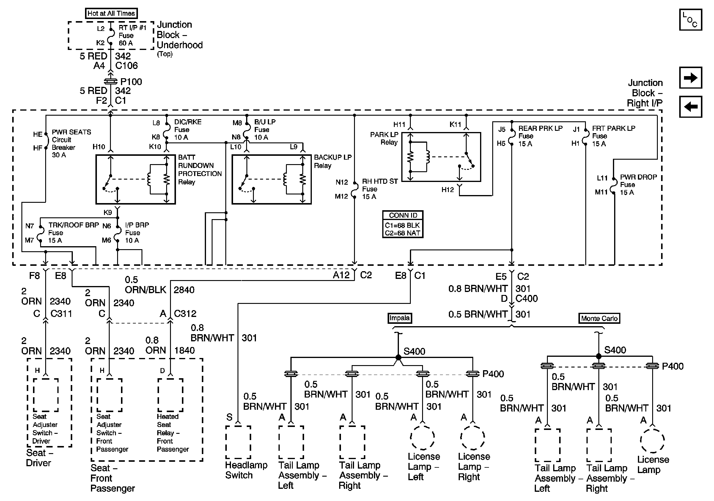
B/U LAMP, DIC/RKE, FRT PARK LP, IP BRP, PWR DROP, REAR PARK LP, RTHTD ST, RT IP#1, and TRK/ROOF BRP Fuses, PWR SEATS Circuit Breaker, BACKUP LP, BATT RUNDOWN PROTECTION, and PARK LP Relays
A/C RLY (COIL), AIR PMP RLY, COOLING FANS, DFI MDL, ENG DEVISES, FANCONT#1, FAN CONT#2&3, FUEL INJ, IGN SW, OXY SEN, RT IP#3, TRANS SOL, AND U/HOOD#2 Fuses
Figure 5:

B/U LAMP, DIC/RKE, FRT PARK LP, IP BRP, PWR DROP, REAR PARK LP, RT HTD ST, RT IP#1, and TRK/ROOF BRP Fuses, PWR SEATS Circuit Breaker, BACKUP LP, BATT RUNDOWN PROTECTION, and PARK LP Relays


Object Number: 651488  Size: FS
Master Electrical Component List
DIC/RKE, IP BRP, and TRK/ROOF BRP Fuses, BACKUP LP and BATT RUNDOWN PROTECTION Relays
CLSTR/BCM, DR LK, LEFT IP, LT HTD ST/BCM, and PWR MIR Fuses, RETAINED ACCSRY PWR Circuit Breaker, HEADLAMP, and RETAINED ACCSRY PWR Relays
Figure 6:

DIC/RKE, IP BRP, and TRK/ROOF BRP Fuses, BACKUP LP and BATT RUNDOWN PROTECTION Relays


Object Number: 651489  Size: FS
Master Electrical Component List
AUX PWR, BRK SW, C/LTR, FRT PARK LP, HAZ SW, HVAC BLO, PWR DROP, and RT I/P#2 Fuses
B/U LAMP, DIC/RKE, FRT PARK LP, IP BRP, PWR DROP, REAR PARK LP, RTHTD ST, RT IP#1, and TRK/ROOF BRP Fuses, PWR SEATS Circuit Breaker, BACKUP LP, BATT RUNDOWN PROTECTION, and PARK LP Relays
Figure 7:

AUX PWR, BRK SW, C/LTR, FRT PARK LP, HAZ SW, HVAC BLO, PWR DROP, and RT I/P#2 Fuses


Object Number: 651490  Size: FS
Master Electrical Component List
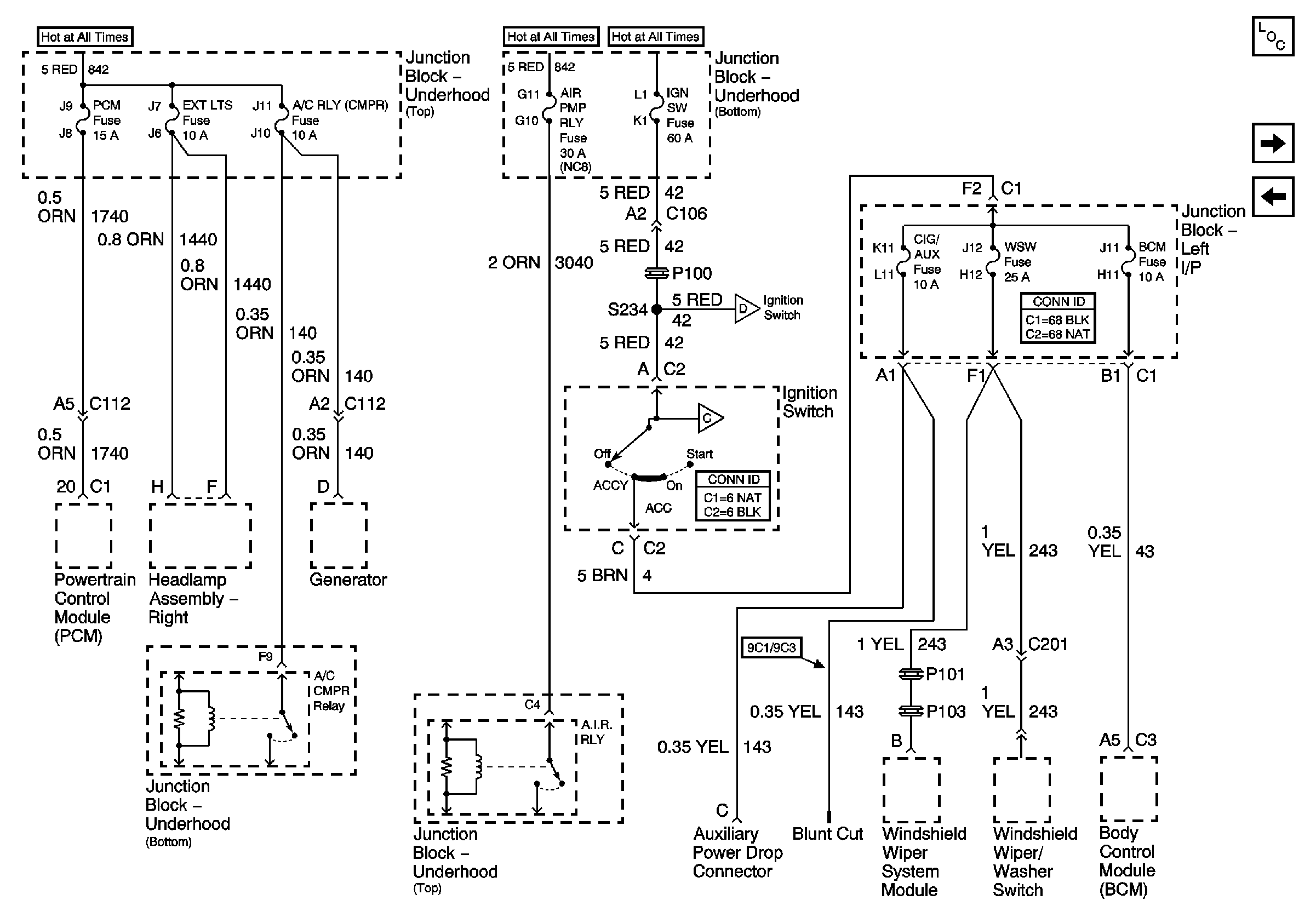
A/C RLY (CMPR), AIR PMP RLY, BCM, CIG/AUX, EXT LTS, IGN SW, PCM, and WSW Fuses
DIC/RKE, IP BRP, and TRK/ROOF BRP Fuses, BACKUP LP and BATT RUNDOWN PROTECTION Relays
Figure 8:

A/C RLY (CMPR), AIR PMP RLY, BCM, CIG/AUX, EXT LTS, IGN SW, PCM, and WSW Fuses


Object Number: 651493  Size: FS
Master Electrical Component List
ABS/PCM, SRS, STOP, and TURN SIGNAL Fuses
AUX PWR, BRK SW, C/LTR, FRT PARK LP, HAZ SW, HVAC BLO, PWR DROP, and RT I/P#2 Fuses
A/C/CRUISE, A/C FAN, CRUISE, PCM/BCM/CLSTR, and PCM (CRANK) Fuses
ABS/PCM, SRS, STOP, and TURN SIGNAL Fuses
Figure 9:

ABS/PCM, SRS, STOP, and TURN SIGNAL Fuses


Object Number: 651496  Size: FS
Master Electrical Component List
A/C/CRUISE, A/C FAN, CRUISE, PCM/BCM/CLSTR, and PCM (CRANK) Fuses
A/C RLY (CMPR), AIR PMP RLY, BCM, CIG/AUX, EXT LTS, IGN SW, PCM, and WSW Fuses
A/C RLY (CMPR), AIR PMP RLY, BCM, CIG/AUX, EXT LTS, IGN SW, PCM, and WSW Fuses
Power and Grounding Schematic Icons
Figure 10:

A/C/CRUISE, A/C FAN, CRUISE, PCM/BCM/CLSTR, and PCM (CRANK) Fuses


Object Number: 651497  Size: FS
Master Electrical Component List
HTD MIR, RADIO, and RT IP#3 Fuses, REAR DEFOG Circuit Breaker, and REAR DEFOG Relay
ABS/PCM, SRS, STOP, and TURN SIGNAL Fuses
A/C RLY (CMPR), AIR PMP RLY, BCM, CIG/AUX, EXT LTS, IGN SW, PCM, and WSW Fuses
Figure 11:

HTD MIR, RADIO, and RT IP#3 Fuses, REAR DEFOG Circuit Breaker, and REAR DEFOG Relay


Object Number: 651484  Size: FS
Master Electrical Component List
FUEL INJ, and TRANS SOL Fuses
A/C/CRUISE, A/C FAN, CRUISE, PCM/BCM/CLSTR, and PCM (CRANK) Fuses
Figure 12:

FUEL INJ, and TRANS SOL Fuses


Object Number: 651499  Size: FS
Master Electrical Component List
DFI MDL, ENG DEVICES, and OXY SEN Fuses
HTD MIR, RADIO, and RT IP#3 Fuses, REAR DEFOG Circuit Breaker, and REAR DEFOG Relay
A/C RLY (COIL), AIR PMP RLY, COOLING FANS, DFI MDL, ENG DEVISES, FANCONT#1, FAN CONT#2&3, FUEL INJ, IGN SW, OXY SEN, RT IP#3, TRANS SOL, AND U/HOOD#2 Fuses
Figure 13:

DFI MDL, ENG DEVICES, and OXY SEN Fuses


Object Number: 651500  Size: FS
Master Electrical Component List
FUEL INJ, and TRANS SOL Fuses