GM Service Manual Online
For 1990-2009 cars only
Figure 1:

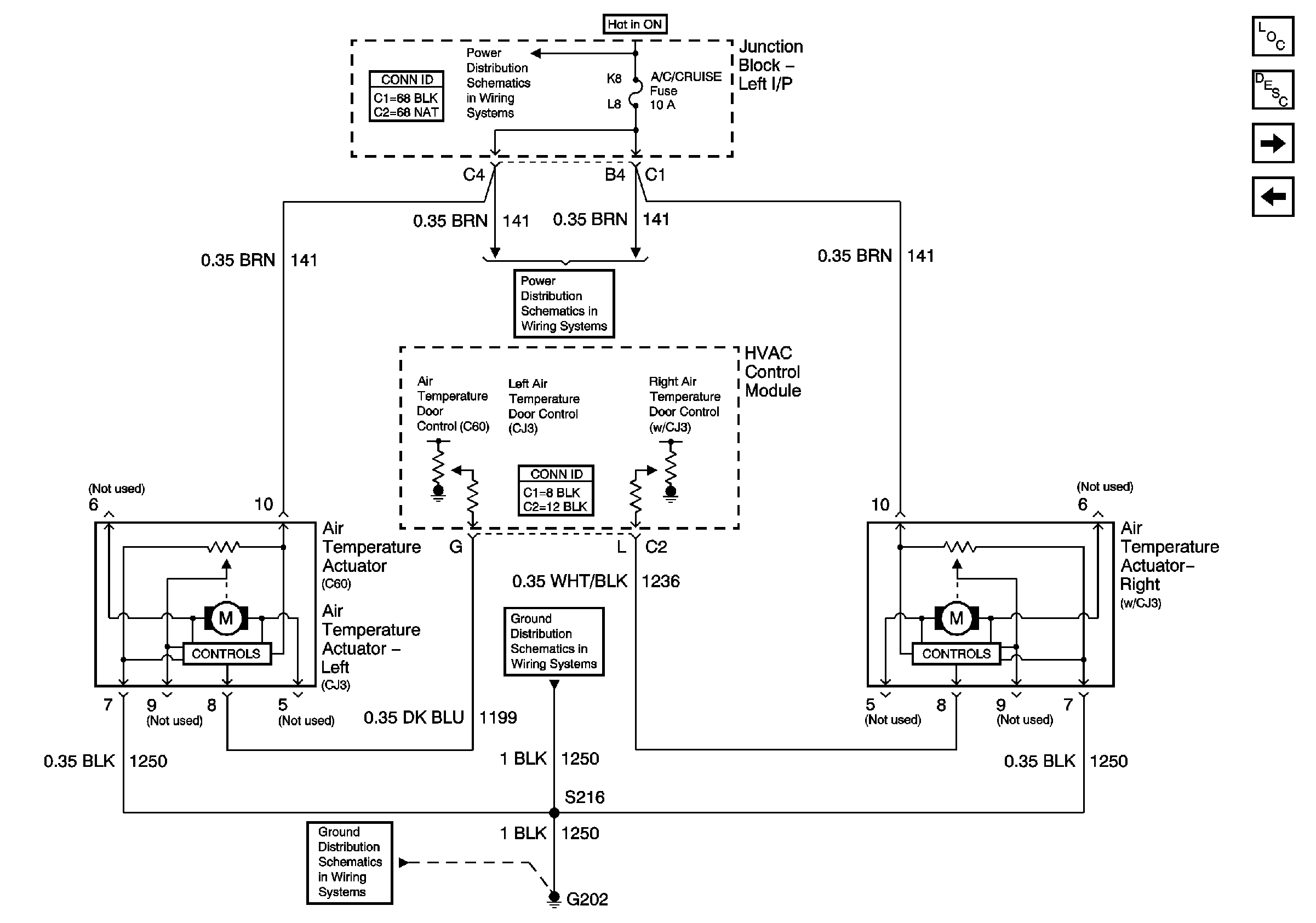
Compressor Control


Object Number: 677930  Size: FS
Master Electrical Component List
Air Temperature Description and Operation
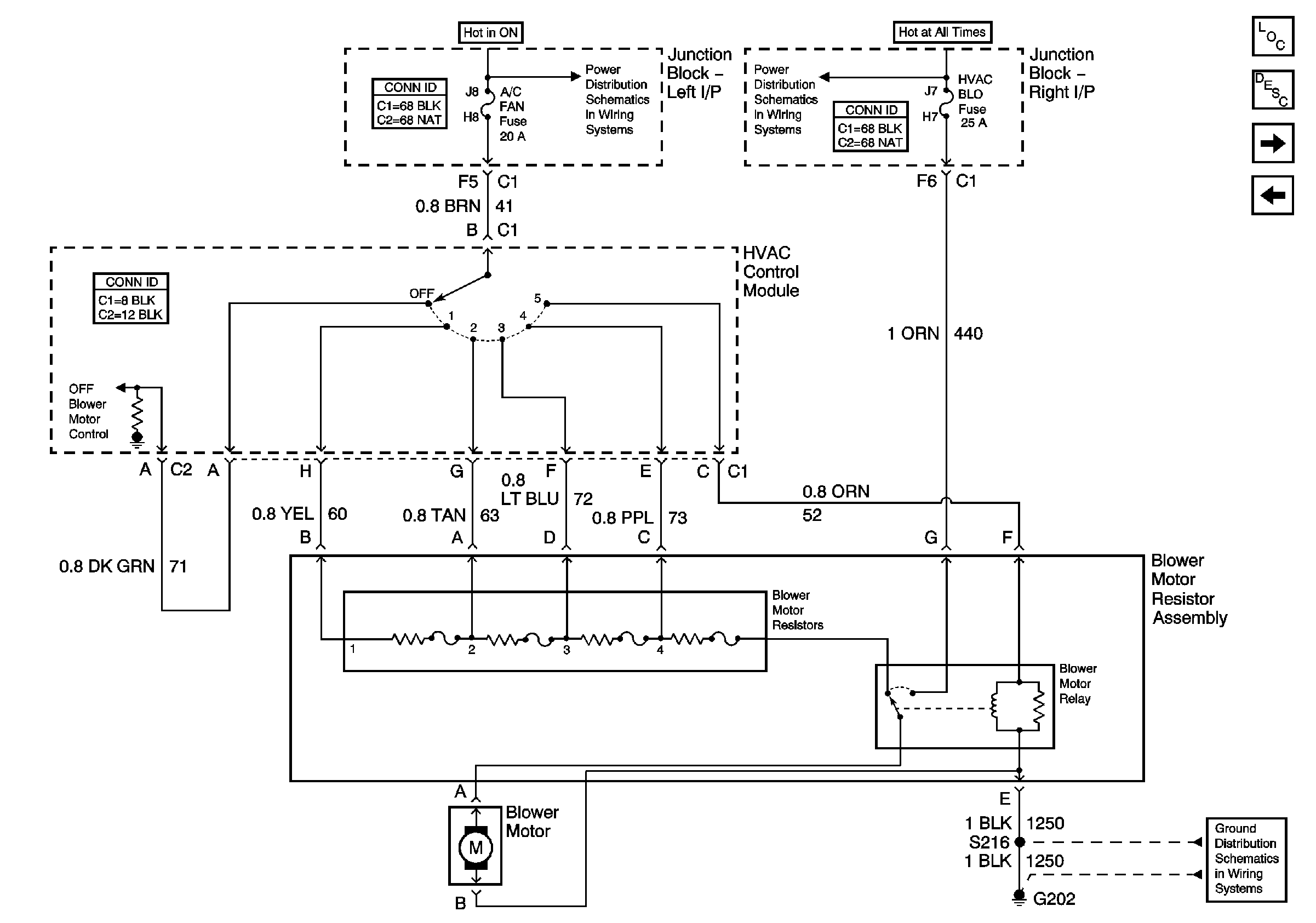
Blower Control
A/C/CRUISE, A/C FAN, CRUISE, PCM/BCM/CLSTR, and PCM (CRANK) Fuses
A/C/CRUISE, A/C FAN, CRUISE, PCM/BCM/CLSTR, and PCM (CRANK) Fuses
DIC/RKE, IP BRP, and TRK/ROOF BRP Fuses, BACKUP LP and BATT RUNDOWN PROTECTION Relays
AUX PWR, BRK SW, C/LTR, FRT PARK LP, HAZ SW, HVAC BLO, PWR DROP, and RT I/P#2 Fuses
A/C RLY (COIL), AIR PMP RLY, COOLING FANS, DFI MDL, ENG DEVISES, FANCONT#1, FAN CONT#2&3, FUEL INJ, IGN SW, OXY SEN, RT IP#3, TRANS SOL, AND U/HOOD#2 Fuses
A/C RLY (CMPR), AIR PMP RLY, BCM, CIG/AUX, EXT LTS, IGN SW, PCM, and WSW Fuses
A/C RLY (CMPR), AIR PMP RLY, BCM, CIG/AUX, EXT LTS, IGN SW, PCM, and WSW Fuses
G100, G111, G113, G117, and G151 (1 of 2)
G201 (1 of 2)
G201 (2 of 2)
Park Lamps (Impala)
DLC Schematics
Figure 2:

Blower Control


Object Number: 677935  Size: FS
Master Electrical Component List
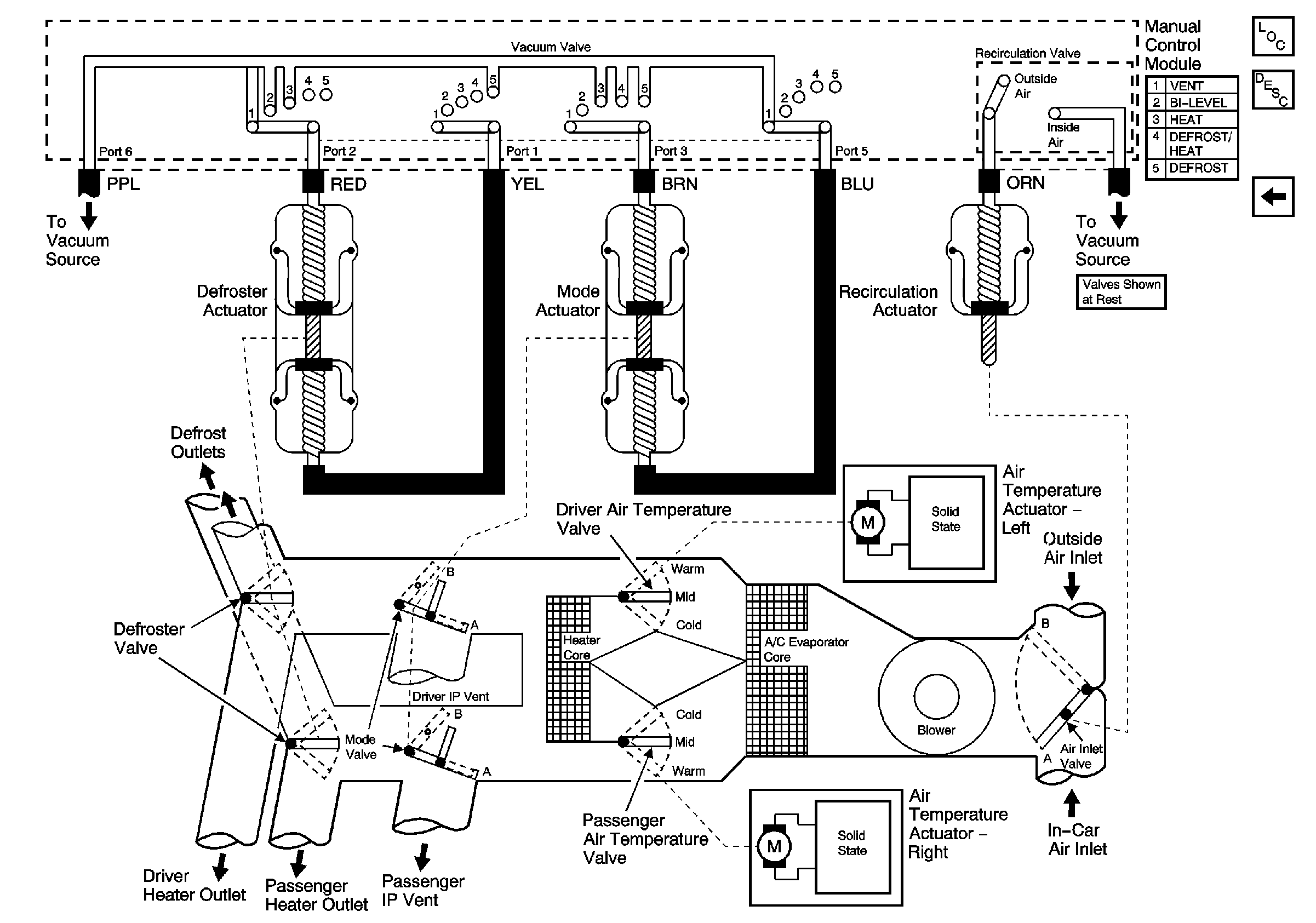
Air Delivery Description and Operation
Temperature Control
Compressor Control
A/C/CRUISE, A/C FAN, CRUISE, PCM/BCM/CLSTR, and PCM (CRANK) Fuses
AUX PWR, BRK SW, C/LTR, FRT PARK LP, HAZ SW, HVAC BLO, PWR DROP, and RT I/P#2 Fuses
G202
Figure 3:

Temperature Control


Object Number: 677938  Size: FS
Master Electrical Component List
Air Temperature Description and Operation
Air Delivery (C60)
Blower Control
A/C/CRUISE, A/C FAN, CRUISE, PCM/BCM/CLSTR, and PCM (CRANK) Fuses
A/C/CRUISE, A/C FAN, CRUISE, PCM/BCM/CLSTR, and PCM (CRANK) Fuses
G202
G202
Figure 4:

Air Delivery (C60)


Object Number: 751456  Size: FS
Master Electrical Component List
Air Delivery Description and Operation
Air Delivery (CJ3)
Temperature Control
Figure 5:

Air Delivery (CJ3)


Object Number: 751457  Size: FS
Master Electrical Component List
Air Delivery Description and Operation
Air Delivery (C60)