GM Service Manual Online
For 1990-2009 cars only
Makes
🢒
Chevrolet
🢒
2001
🢒
Monte Carlo
🢒
Body and Accessories
🢒
Keyless Entry
🢒 Keyless Entry Component Views
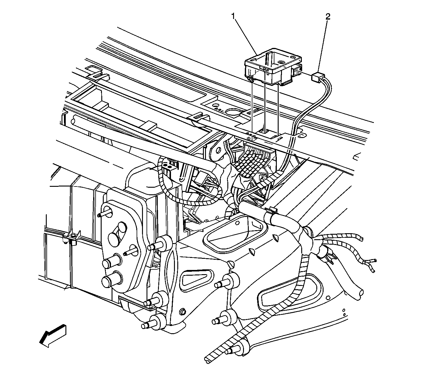
Top Left Center of Instrument Panel
(1)
Remote Control Door Lock Receiver (RCDLR)
(2)
Remote Control Door Lock Receiver (RCDLR) Connector