GM Service Manual Online
For 1990-2009 cars only
Makes
🢒
Chevrolet
🢒
2001
🢒
Monte Carlo
🢒
Body and Accessories
🢒
Wiring Systems
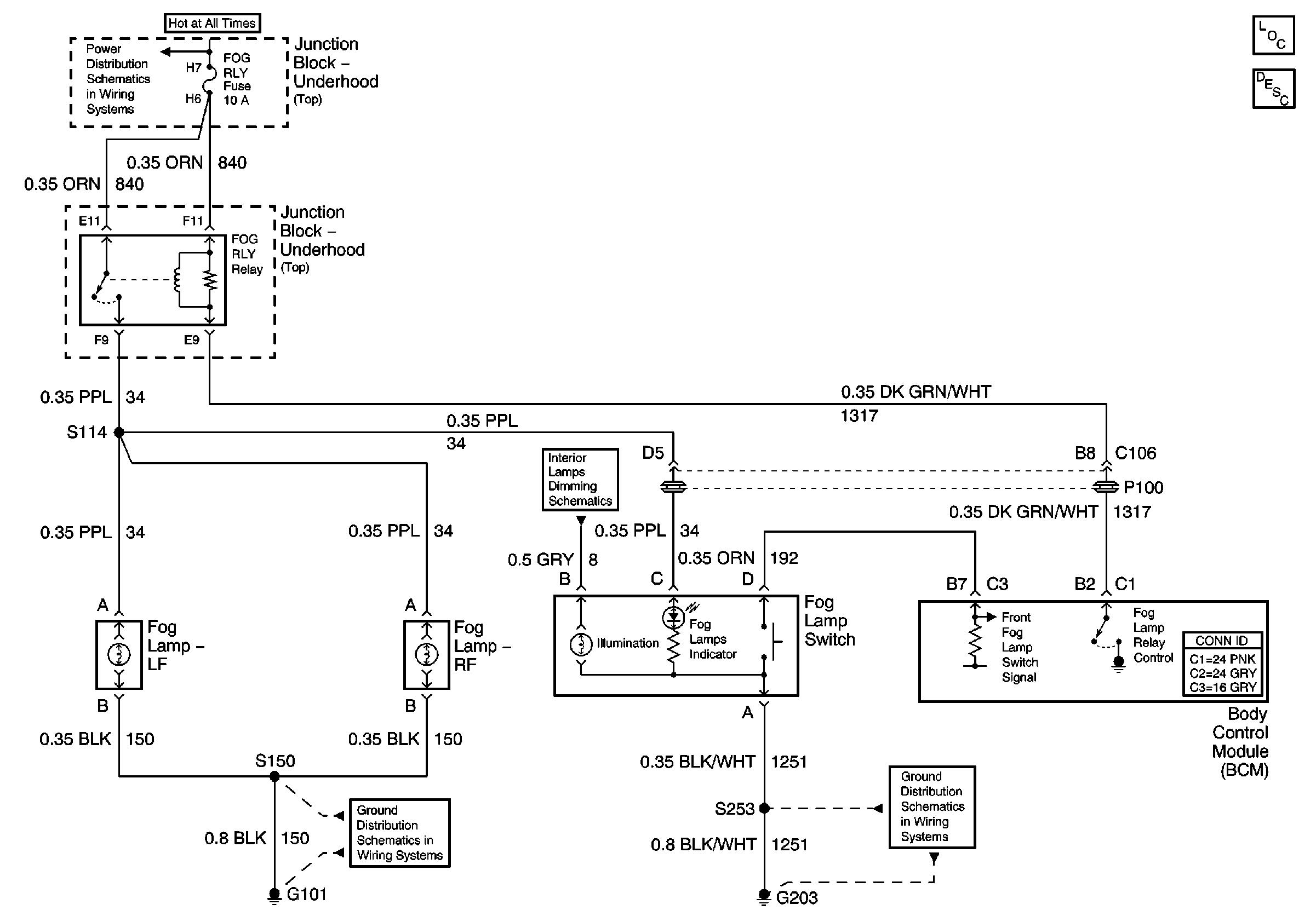
🢒 Fog Lights Schematics
Master Electrical Component List
Wiper/Washer System Description and Operation
A/C RLY (CMPR), DRL/EXT LTS, EXT LTS, FOG RLY, F/PMP RLY, HORN RLY, LEFT I/P, PCM, RT IP#1, RT IP#2, Spot Lamp, and U/HOOD#1 Fuses
G101
G203 (1 of 3)
Fog Lamp Switch, and Front Passenger Door