GM Service Manual Online
For 1990-2009 cars only
Makes
🢒
Chevrolet
🢒
2001
🢒
Monte Carlo
🢒 Sunroof (w/U68)
Sunroof (w/U68)
Sunroof (w/U68)
Master Electrical Component List
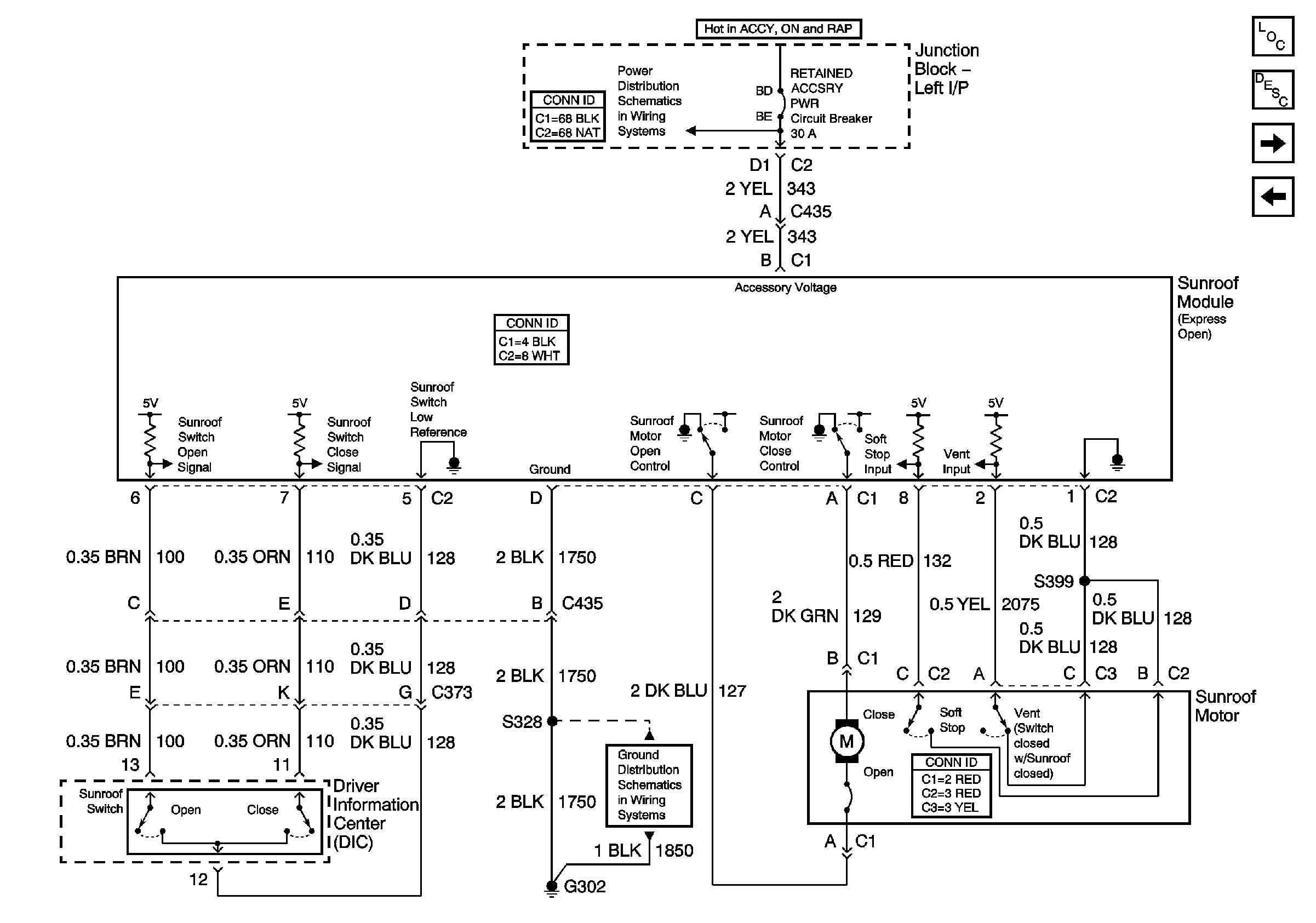
Power Sunroof Description
Sunroof (w/o U68)
CLSTR/BCM, DR LK, LEFT IP, LT HTD ST/BCM, and PWR MIR Fuses, RETAINED ACCSRY PWR Circuit Breaker, HEADLAMP, and RETAINED ACCSRY PWR Relays
G302 (1 of 2)