GM Service Manual Online
For 1990-2009 cars only

Removal Procedure

  1. Remove the engine oil cooler from the vehicle. Refer to Auxiliary Engine Oil Cooler Replacement .
  2. Remove the right engine splash shield. Refer to Engine Splash Shield Replacement - Right Side in Body Front End.
  3. Remove the engine oil cooler lines from the engine oil filter adapter. Refer to Engine Oil Cooler Pipe/Hose Quick Connect Fitting .

  4. Object Number: 882650  Size: SH
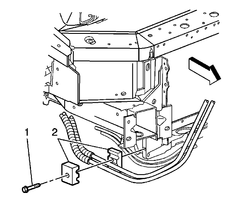
  5. Remove the engine oil cooler line mounting bolt (1).
  6. Remove the engine oil cooler line mounting block (2).
  7. Cut and remove the tie strap that holds the engine oil cooler lines to the frame.
  8. Remove the engine oil cooler lines from the vehicle.

Installation Procedure

    Important: Route the engine oil cooler lines under the battery cable.

  1. Install the engine oil cooler lines to the vehicle.
  2. Install the engine oil cooler to the vehicle. Refer to Auxiliary Engine Oil Cooler Replacement .
  3. Raise and support the vehicle. Refer to Lifting and Jacking the Vehicle in General Information.
  4. Install the engine oil cooler lines to the engine oil filter adapter. Refer to Engine Oil Cooler Pipe/Hose Quick Connect Fitting .

  5. Object Number: 882650  Size: SH
  6. Install the engine oil cooler line mounting block (2) to the engine oil cooler lines.
  7. Notice: Use the correct fastener in the correct location. Replacement fasteners must be the correct part number for that application. Fasteners requiring replacement or fasteners requiring the use of thread locking compound or sealant are identified in the service procedure. Do not use paints, lubricants, or corrosion inhibitors on fasteners or fastener joint surfaces unless specified. These coatings affect fastener torque and joint clamping force and may damage the fastener. Use the correct tightening sequence and specifications when installing fasteners in order to avoid damage to parts and systems.

  8. Install the bolt (1) through the engine oil cooler line mounting block.
  9. Tighten
    Tighten the bolt to 3.4 N·m (30 lb in).

  10. Install a new tie strap around the engine oil cooler lines and frame.
  11. Install the right engine splash shield. Refer to Engine Splash Shield Replacement - Right Side in Body Front End.
  12. Add the proper amount of engine oil.