GM Service Manual Online
For 1990-2009 cars only
Makes
🢒
Chevrolet
🢒
2003
🢒
Monte Carlo
🢒
Body and Accessories
🢒
Retained Accessory Power
🢒 Retained Accessory Power (RAP) Schematics
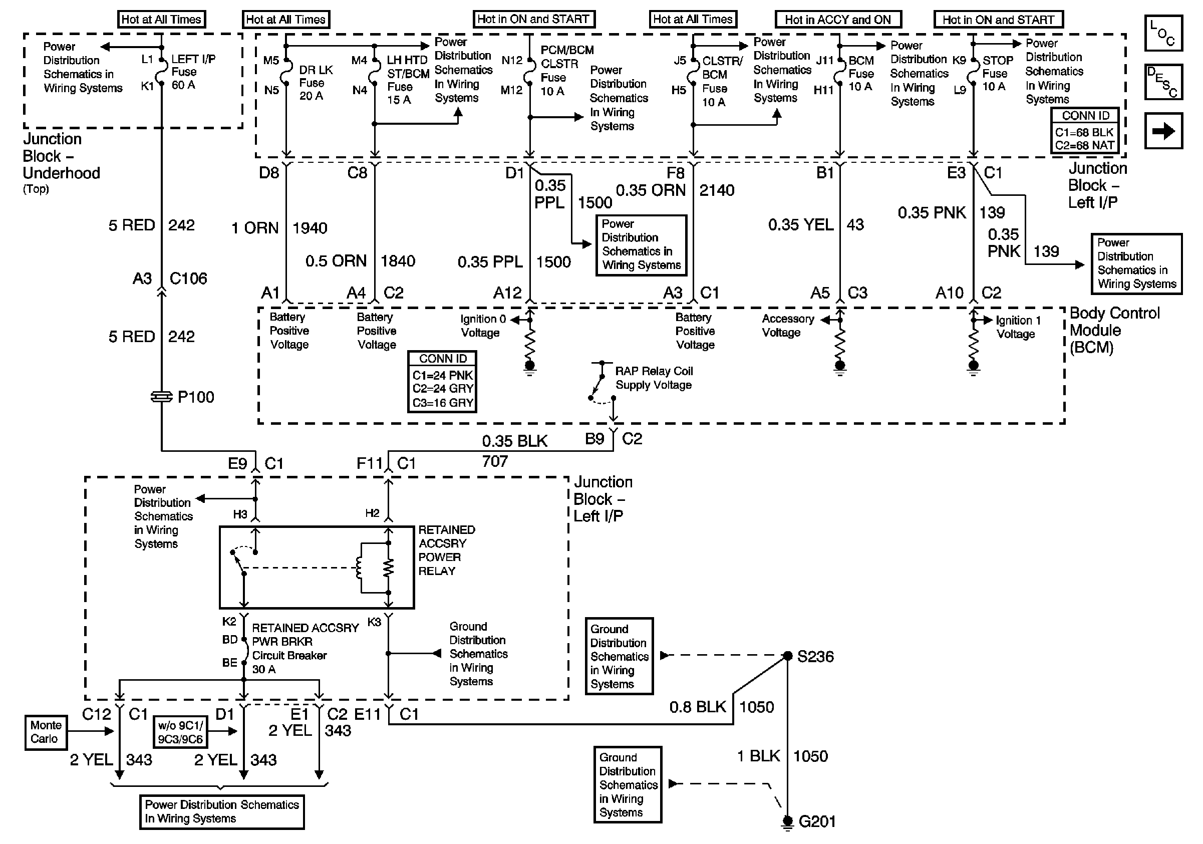
Figure
1:
Ground, Power, and RAP Relay
Master Electrical Component List
Retained Accessory Power (RAP) Description and Operation
Data Link, Door Locks, and Door Lock Switches
Junction Block-Underhood [Top View]
CLSTR/BCM, DK LK, LEFT IP, LT HTD ST/BCM, and PWR MIR
CLSTR/BCM, DK LK, LEFT IP, LT HTD ST/BCM, and PWR MIR
A/C Cruise, A/C Fan, CRUISE, PCM/BCM CLSTR, and PCM Fuses
A/C Cruise, A/C Fan, CRUISE, PCM/BCM CLSTR, and PCM Fuses
CLSTR/BCM, DK LK, LEFT IP, LT HTD ST/BCM, and PWR MIR
A/C RLY (CMPR), A.I.R PMP RLY, BCM, CIG/AUX, EXT LTS, IGN
ABS/PCM, SRS, STOP, and TURN SIGNAL Fuses
ABS/PCM, SRS, STOP, and TURN SIGNAL Fuses
G201 [1 of 2]
G201 [1 of 2]
G201 [1 of 2]
CLSTR/BCM, DK LK, LEFT IP, LT HTD ST/BCM, and PWR MIR
Figure
2:
Data Link, Door Locks, and Door Lock Switches
Master Electrical Component List
Retained Accessory Power (RAP) Description and Operation
Ground, Power, and RAP Relay
DLC
G203 [1 of 3]
G203 [2 of 3]